LEMON Manuals: Even more car manuals for everyone: 1960-2025
Home >> Lexus >> 2006 >> GX 470 >> Repair and Diagnosis >> Electrical >> Body Electrical >> OEM System Circuits >> Kinetic Dynamic Suspension System >> Notes
April 5, 2026: LEMON Manuals is launched! Read the announcement.

Kinetic Dynamic Suspension System: Notes

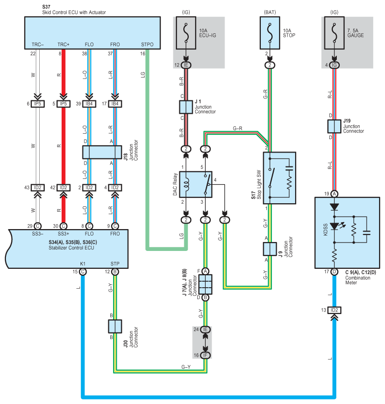
Fig 1: Kinetic Dynamic Suspension System Wiring Diagram (1 Of 2)
G08910129Courtesy of © TOYOTA, LICENSE AGREEMENT TMS1002
Fig 2: Kinetic Dynamic Suspension System Wiring Diagram (2 Of 2)
G08910130Courtesy of © TOYOTA, LICENSE AGREEMENT TMS1002