LEMON Manuals: Even more car manuals for everyone: 1960-2025
Home >> Lexus >> 2006 >> GX 470 >> Repair and Diagnosis >> External Pages >> Different car >> Section 36 (Lighting) >> Lighting System >> Headlight Beam Level Control ECU Power Source Circuit >> Wiring Diagram
April 5, 2026: LEMON Manuals is launched! Read the announcement.

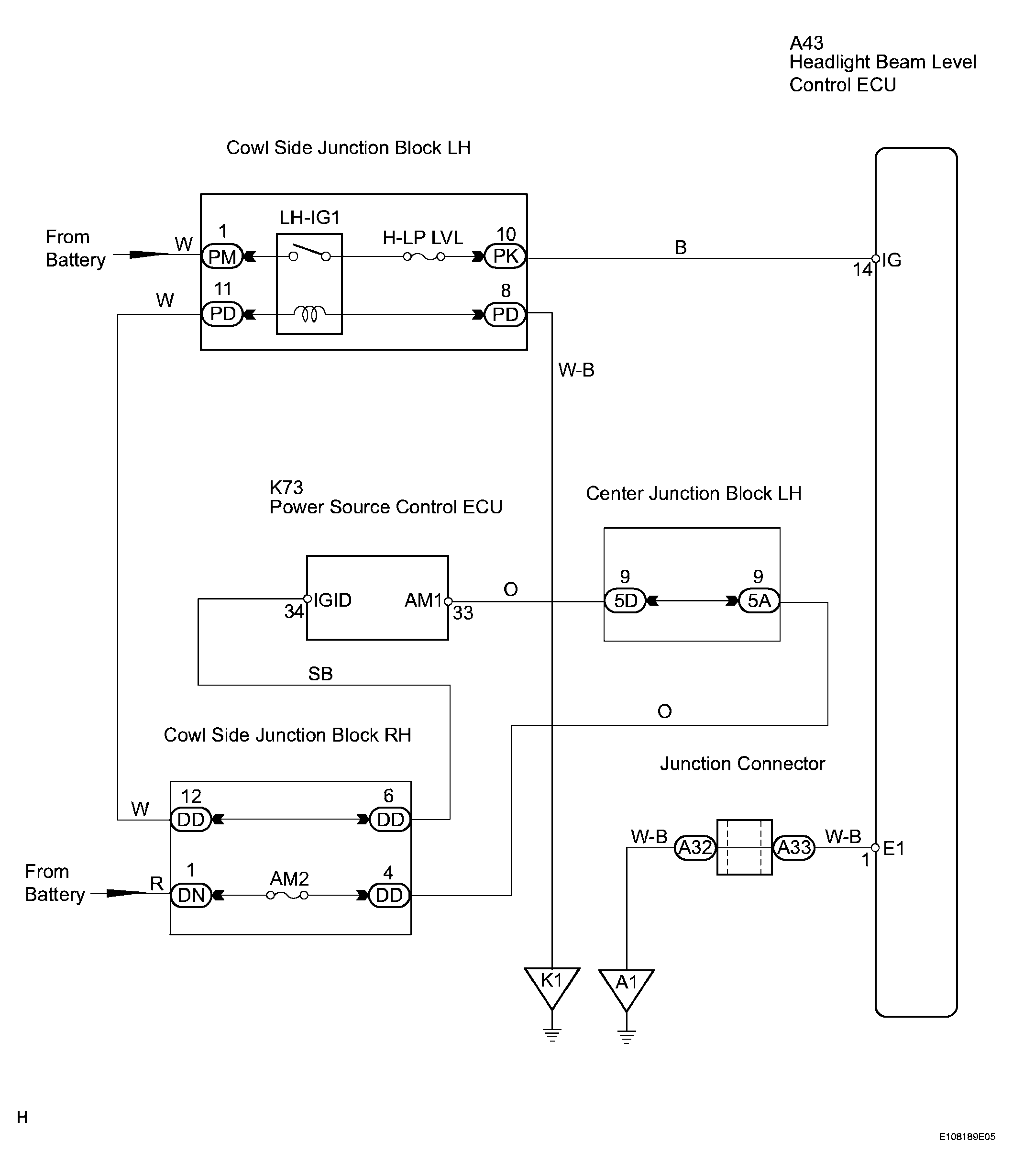
Headlight Beam Level Control ECU Power Source Circuit: Wiring Diagram

WARNING: This page is about a different car, the 2006 Lexus GS 430 and 2006 Lexus GS 300. However, it is still accessible from the selected car via links, so may be relevant.
Fig 1: Headlight Beam Level Control ECU Power Source Circuit - Wiring Diagram
G04021629Courtesy of © TOYOTA, LICENSE AGREEMENT TMS1002
  1. INSPECT FUSE (H-LP LVL) 
    1. Remove the H-LP LVL fuse from the cowl side junction block RH.
    2. Measure the resistance of the fuse.

      Standard resistance: Below 1 Ω 

      NG : REPLACE FUSE 

      OK : GO TO NEXT STEP 

  2. CHECK WIRE HARNESS (HEADLIGHT BEAM LEVEL CONTROL ECU - BATTERY AND BODY GROUND) 
    1. Disconnect the A43 ECU connector.
    2. Measure the voltage and resistance of the wire harness side connector.

      Standard voltage 

      STANDARD VOLTAGE SPECIFICATION

      Tester Connection Condition Specified Condition
      A43-14 (IG) - A43-1 (E1)  Engine switch on (IG)  10 to 14 V 

      Standard resistance 

      STANDARD RESISTANCE SPECIFICATION

      Tester Connection Specified Condition
      A43-1 (E1) - Body ground  Below 1 Ω 

      NG : REPAIR OR REPLACE HARNESS AND CONNECTOR 

      Fig 2: Identifying A43 ECU Connector
      G04021630Courtesy of © TOYOTA, LICENSE AGREEMENT TMS1002

      OK : PROCEED TO NEXT CIRCUIT INSPECTION SHOWN IN  PROBLEM SYMPTOMS TABLE