LEMON Manuals: Even more car manuals for everyone: 1960-2025
Home >> Lexus >> 2006 >> GX 470 >> Repair and Diagnosis >> External Pages >> Different car >> Section 41 (Navigation) >> Navigation System >> Multi-display Power Source Circuit >> Wiring Diagram
April 5, 2026: LEMON Manuals is launched! Read the announcement.

Multi-display Power Source Circuit: Wiring Diagram

WARNING: This page is about a different car, the 2006 Lexus GS 430 and 2006 Lexus GS 300. However, it is still accessible from the selected car via links, so may be relevant.

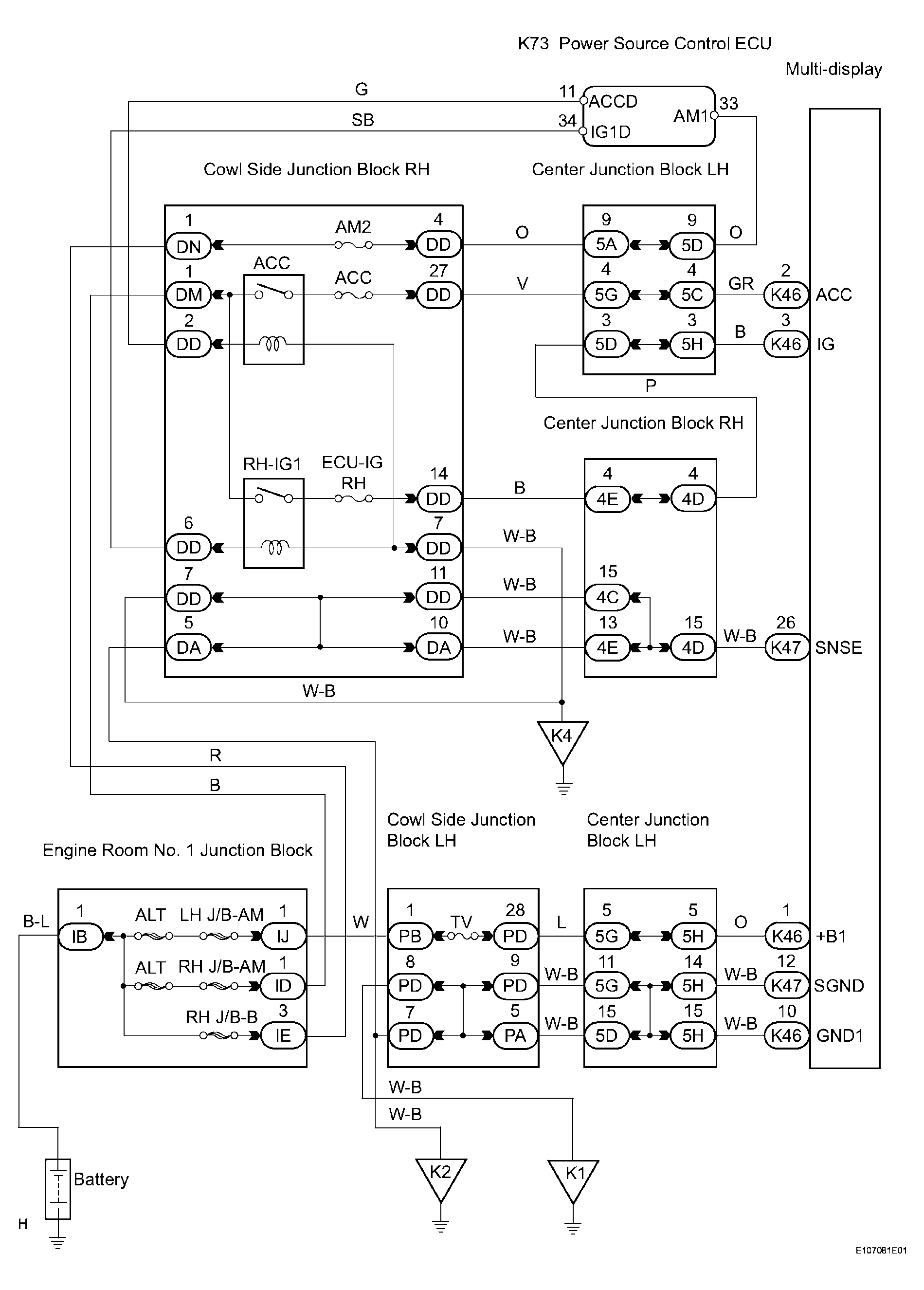
The wiring diagram is shown below.

Fig 1: Multi-Display Power Source Circuit - Wiring Diagram
G04022802Courtesy of © TOYOTA, LICENSE AGREEMENT TMS1002
  1. INSPECT FUSE (TV, ACC, ECU-IG RH) 
    1. Remove the TV fuse from the cowl side junction block LH.
    2. Remove the ACC and ECU-IG RH fuses from the cowl side junction block RH.
    3. Measure the resistance of the fuses.

      Standard resistance: Below 1 Ω 

    NG : REPLACE FUSE 

    OK : GO TO NEXT STEP 

  2. CHECK WIRE HARNESS (MULTI-DISPLAY - BATTERY AND BODY GROUND) 
    1. Disconnect the K46 and K47 multi-display connectors.
    2. Measure the voltage of the wire harness side connector.

      Standard voltage 

      TESTER CONNECTION AND SPECIFIED CONDITION CHART

      Tester Connection Condition Specified Condition
      K46-1 (+B1) - Body ground Always 10 to 14 V
      K46-2 (ACC) - Body ground Engine switch on (ACC) 10 to 14 V
      K46-3 (IG) - Body ground Engine switch on (IG) 10 to 14 V
    3. Measure the resistance of the wire harness side connectors.

      Standard resistance 

      TESTER CONNECTION AND SPECIFIED CONDITION CHART

      Tester Connection Condition Specified Condition
      K47-12 (SGND) - Body ground Always Below 1 Ω
      K46-10 (GND1) - Body ground Always Below 1 Ω
      K47-12 (SNSE) - Body ground Always Below 1 Ω

    NG : REPAIR OR REPLACE HARNESS AND CONNECTOR 

    Fig 2: Identifying K46 And K47 Multi-Display Connectors Terminals
    G04022803Courtesy of © TOYOTA, LICENSE AGREEMENT TMS1002

    OK : PROCEED TO NEXT CIRCUIT INSPECTION SHOWN IN  PROBLEM SYMPTOMS TABLE