LEMON Manuals: Even more car manuals for everyone: 1960-2025
Home >> Lexus >> 2006 >> GX 470 >> Repair and Diagnosis >> External Pages >> Different car >> Section 41 (Navigation) >> Navigation System >> Radio Receiver Power Source Circuit >> Wiring Diagram
April 5, 2026: LEMON Manuals is launched! Read the announcement.

Radio Receiver Power Source Circuit: Wiring Diagram

WARNING: This page is about a different car, the 2006 Lexus GS 430 and 2006 Lexus GS 300. However, it is still accessible from the selected car via links, so may be relevant.
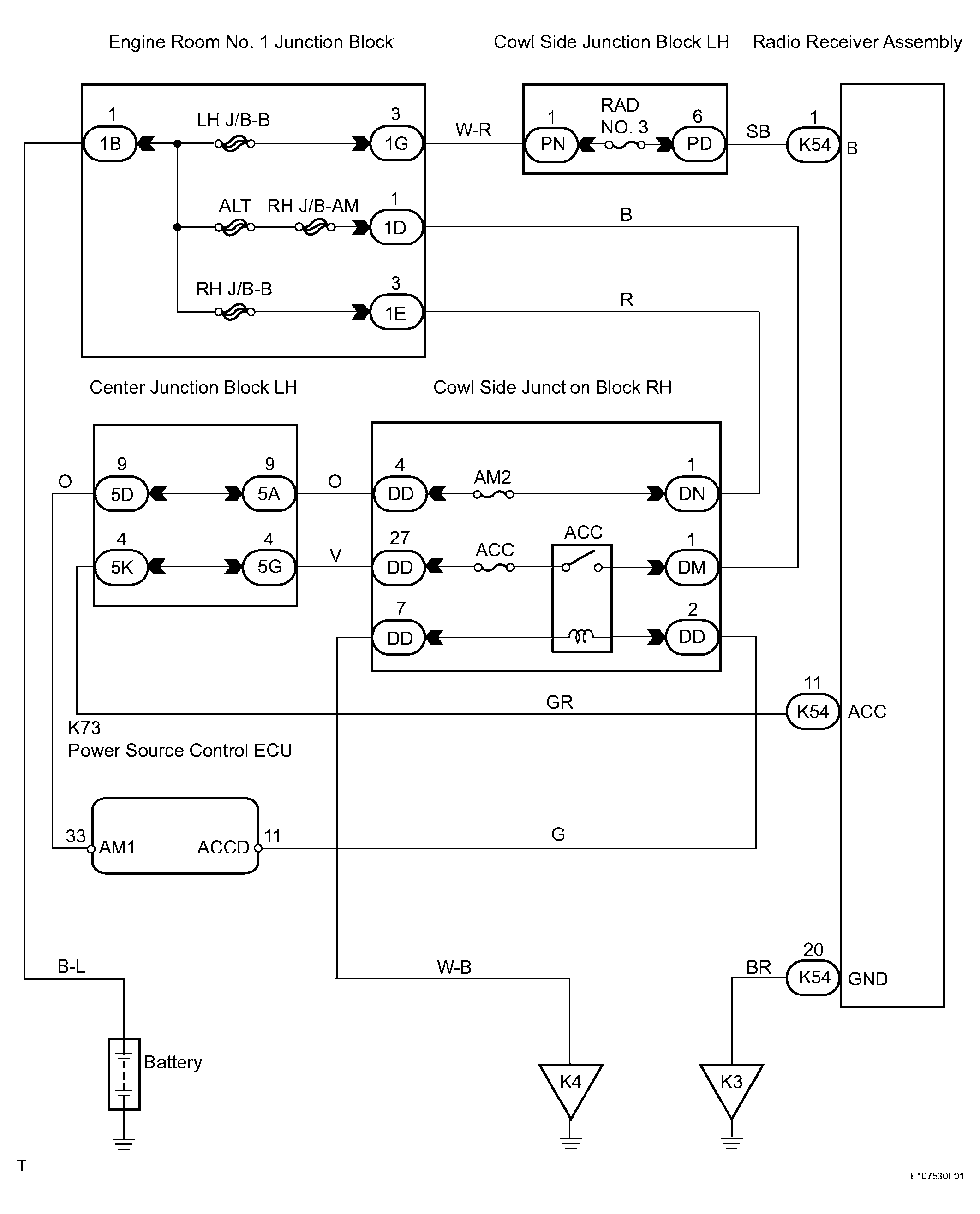
Fig 1: Radio Receiver Power Source Circuit - Wiring Diagram
G04022798Courtesy of © TOYOTA, LICENSE AGREEMENT TMS1002
  1. INSPECT FUSE (RAD NO. 3, ACC) 
    1. Remove the RAD NO. 3 fuse from the cowl side junction block LH.
    2. Remove the ACC fuse from the cowl side junction block RH.
    3. Measure the resistance of the fuses.

      Standard resistance: Below 1 Ω 

    NG : REPLACE FUSE 

    OK : GO TO NEXT STEP 

  2. CHECK WIRE HARNESS (RADIO ASSEMBLY - BATTERY AND BODY GROUND) 
    1. Disconnect the K54 receiver connector.
    2. Measure the voltage of the wire harness side connector.

      Standard voltage 

      TESTER CONNECTION AND SPECIFIED CONDITION CHART

      Tester Connection Condition Specified Condition
      K54-1 (B) - Body ground Always 10 to 14 V
      K54-11 (ACC) - Body ground Engine switch on (ACC) 10 to 14 V
    3. Measure the resistance of the wire harness side connector.

      Standard resistance 

      TESTER CONNECTION AND SPECIFIED CONDITION CHART

      Tester Connection Condition Specified Condition
      K54-20 (GND) - Body ground Always Below 1 Ω

    NG : REPAIR OR REPLACE HARNESS AND CONNECTOR 

    Fig 2: Identifying K54 Receiver Connector Terminals
    G04022799Courtesy of © TOYOTA, LICENSE AGREEMENT TMS1002

    OK : PROCEED TO NEXT CIRCUIT INSPECTION SHOWN IN  PROBLEM SYMPTOMS TABLE