LEMON Manuals: Even more car manuals for everyone: 1960-2025
Home >> Lexus >> 2006 >> IS 250 AWD >> Repair and Diagnosis (Single Page) >> External Pages >> Different car >> Section 16 (Brake Control) >> VEHICLE STABILITY CONTROL SYSTEM (w/ VDIM) >> DTC U0073/94 Control Module Communication Bus OFF; DTC U0100/65 Lost Communication with ECM / PCM; DTC U0123/62 Lost Communication with Yaw Rate Sensor Module; DTC U0124/95 Lost Communication with Lateral Acceleration Sensor Module; DTC U0126/63 Lost Communication with Steering Angle Sensor Module >> Wiring Diagram
April 5, 2026: LEMON Manuals is launched! Read the announcement.

DTC U0073/94 Control Module Communication Bus OFF; DTC U0100/65 Lost Communication with ECM / PCM; DTC U0123/62 Lost Communication with Yaw Rate Sensor Module; DTC U0124/95 Lost Communication with Lateral Acceleration Sensor Module; DTC U0126/63 Lost Communication with Steering Angle Sensor Module: Wiring Diagram

WARNING: This page is about a different car, the 2006 Lexus IS 350. However, it is still accessible from the selected car via links, so may be relevant.
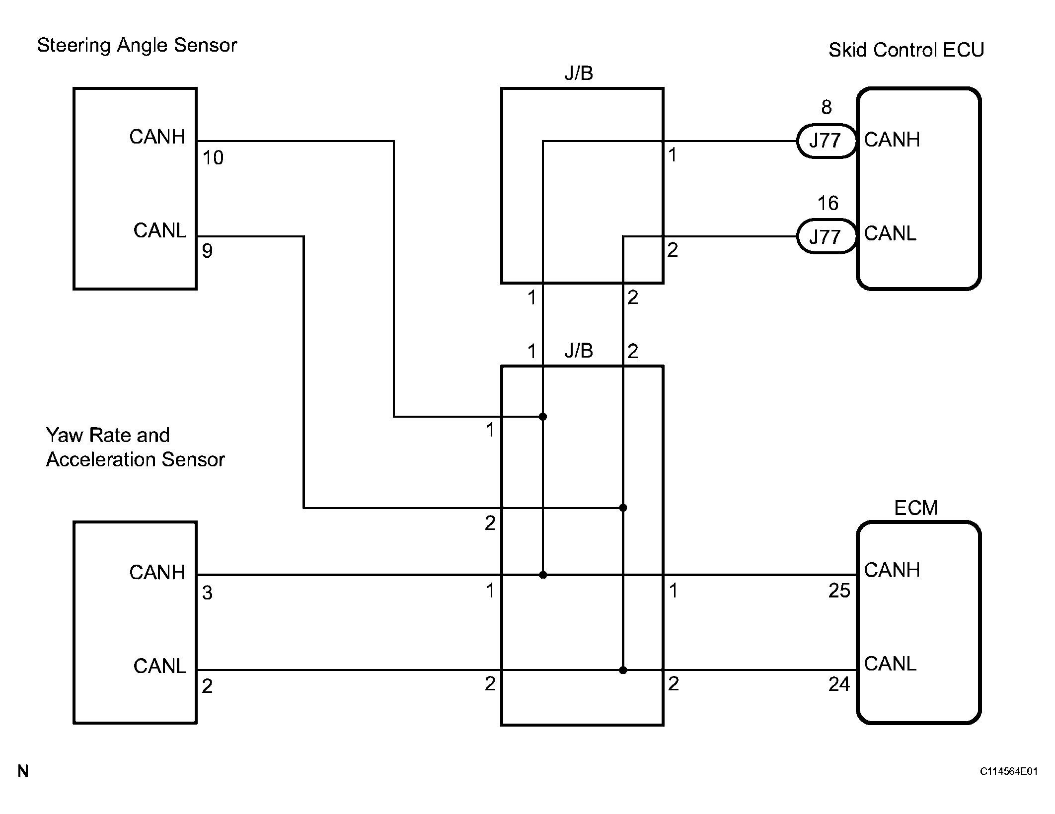
Fig 1: Wiring Diagram
G04052147Courtesy of © TOYOTA, LICENSE AGREEMENT TMS1002
  1. CHECK HARNESS AND CONNECTOR (MOMENTARY INTERRUPTION) 
    1. Using the intelligent tester, check for any momentary interruption in the wire harness and connector corresponding to a DTC (See HOW TO PROCEED WITH TROUBLESHOOTING  ).

      ABS / VSC: 

      NORMAL CONDITION CHART

      Item (Display) Measurement Item / Range (Display) Normal Condition
      EFI COM OPN EFI communication open detection / ERROR or NORMAL ERROR: Momentary interruption
      NORMAL: Normal
      STEERING OPN Steering sensor open detection / ERROR or NORMAL ERROR: Momentary interruption
      NORMAL: Normal
      YAW RATE OPN Yaw rate sensor open detection / ERROR or NORMAL ERROR: Momentary interruption
      NORMAL: Normal

      Result 

      CONDITION CHART

      Condition Proceed to
      There is a constant open circuit A
      There are no momentary interruptions B
      There are momentary interruptions C

      HINT:

      Perform the above inspection before removing the sensor and connector.

    B : Go to step   3 

    C : Go to step   4 

    A : GO TO NEXT STEP 

  2. CHECK IF EACH SENSOR AND ECM CONNECTOR IS SECURELY CONNECTED 
    1. Check if each sensor or ECM connector is securely connected.

      OK: The connector should be securely connected. 

    NG : CONNECT CONNECTOR TO EACH SENSOR OR ECM CORRECTLY 

    OK : GO TO NEXT STEP 

  3. RECONFIRM DTC 
    1. Record the output DTCs (for ABS, VSC, and CAN communication) (See DTC CHECK / CLEAR  ).

      HINT:

      If the CAN communication system DTC and the relevant sensor DTCs are output simultaneously, troubleshoot the relevant sensor DTCs (for ABS and VSC) after the CAN communication system returns to normal.

      Result 

      CONDITION CHART

      Condition Proceed to
      DTC (CAN communication system DTC) is output A
      DTC (ABS and/or VSC DTC) is output B (See FAIL-SAFE CHART  )
      DTC is not output C

    B : REPAIR CIRCUIT INDICATED BY OUTPUT DTC 

    C : USE SIMULATION METHOD TO CHECK 

    A : INSPECT CAN COMMUNICATION SYSTEM 

  4. REPAIR OR REPLACE HARNESS OR CONNECTOR 
    1. Repair or replace the harness or connector.
    2. Check for any momentary interruption between the skid control ECU and each sensor or ECM (See HOW TO PROCEED WITH TROUBLESHOOTING  ).
    3. Check that there is no momentary interruption.

    NEXT 

  5. RECONFIRM DTC 
    1. Clear the DTC (See DTC CHECK / CLEAR  ).
    2. Start the engine.
    3. Drive the vehicle and turn the steering wheel to the right and left at a speed of 9 mph (15 km/h) or more.
    4. Check that no CAN communication system DTC is output.
    5. If ABS and VSC DTCs are output, record them.

      Result 

      CONDITION CHART

      Condition Proceed to
      DTC output for the CAN communication system A
      No DTC is output (ABS and/or VSC DTC is output) B (See FAIL-SAFE CHART  )
      No DTC is output (No ABS and/or VSC DTC is output) C

      HINT:

      The CAN communication system must be normal when repairing each sensor DTC (for ABS and VSC).

    B : REPAIR CIRCUIT INDICATED BY OUTPUT DTC 

    C : END 

    A : INSPECT CAN COMMUNICATION SYSTEM