LEMON Manuals: Even more car manuals for everyone: 1960-2025
Home >> Lexus >> 2006 >> IS 250 AWD >> Repair and Diagnosis >> Electrical >> Body Electrical >> OEM System Circuits >> 4WD >> Notes
April 5, 2026: LEMON Manuals is launched! Read the announcement.

OEM System Circuits: 4WD: Notes

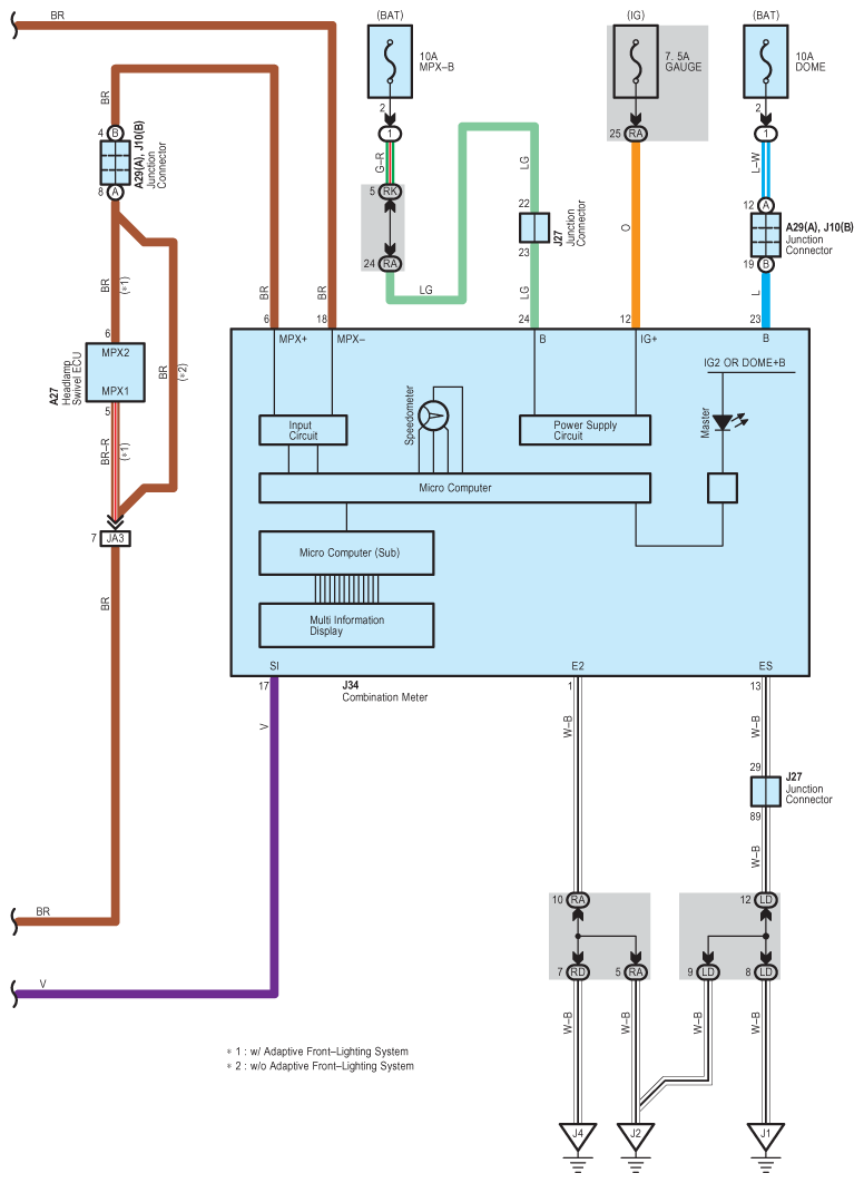
Fig 1: 4WD - Wiring Diagram (1 Of 3)
G08927312Courtesy of © TOYOTA, LICENSE AGREEMENT TMS1002
Fig 2: 4WD - Wiring Diagram (2 Of 3)
G08927313Courtesy of © TOYOTA, LICENSE AGREEMENT TMS1002
Fig 3: 4WD - Wiring Diagram (3 Of 3)
G08927314Courtesy of © TOYOTA, LICENSE AGREEMENT TMS1002