LEMON Manuals: Even more car manuals for everyone: 1960-2025
Home >> Lexus >> 2006 >> IS 250 AWD >> Repair and Diagnosis >> Electrical >> Body Electrical >> OEM System Circuits >> Cruise Control for 2GR-FSE >> Notes
April 5, 2026: LEMON Manuals is launched! Read the announcement.

Cruise Control for 2GR-FSE: Notes

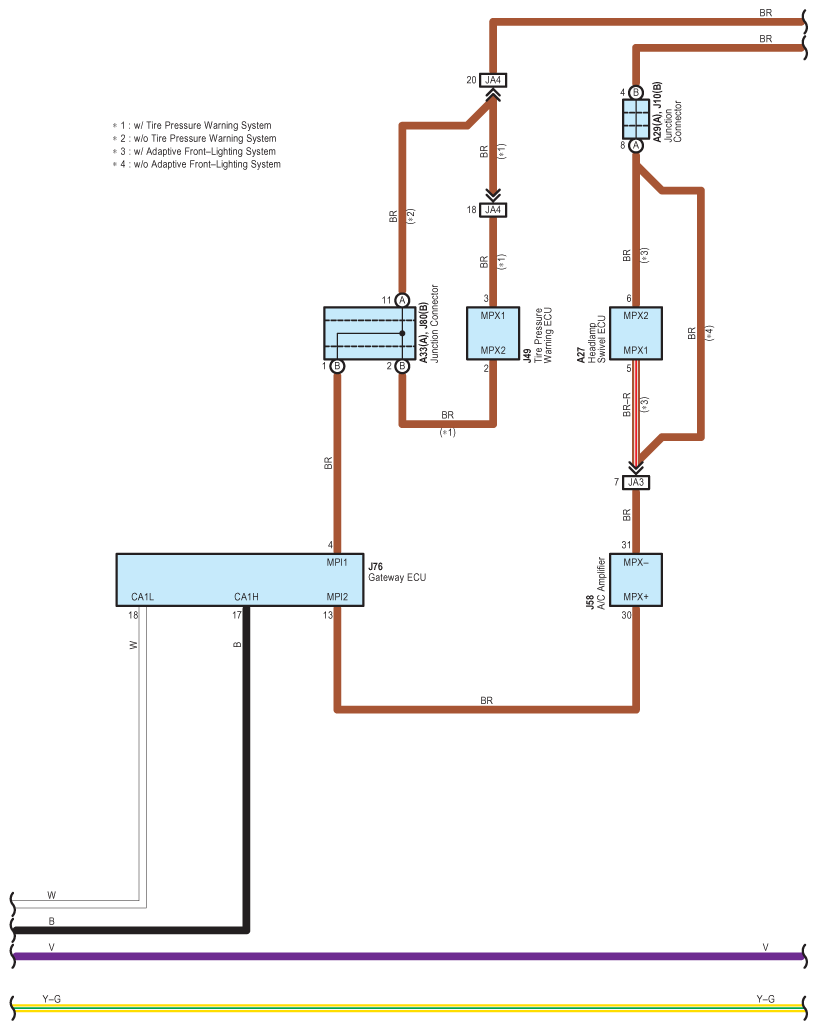
Fig 1: Cruise Control For 2GR-FSE - Wiring Diagram (1 Of 8)
G08927282Courtesy of © TOYOTA, LICENSE AGREEMENT TMS1002
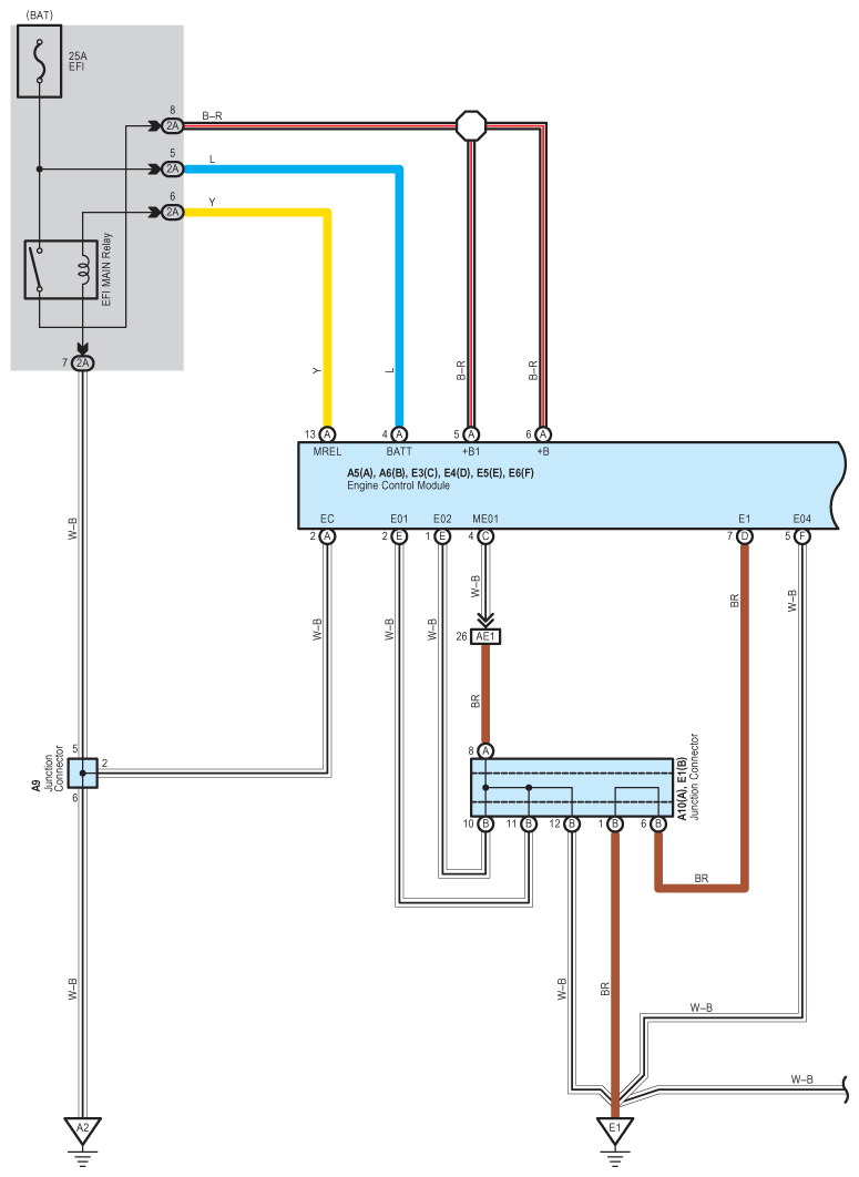
Fig 2: Cruise Control For 2GR-FSE - Wiring Diagram (2 Of 8)
G08927283Courtesy of © TOYOTA, LICENSE AGREEMENT TMS1002
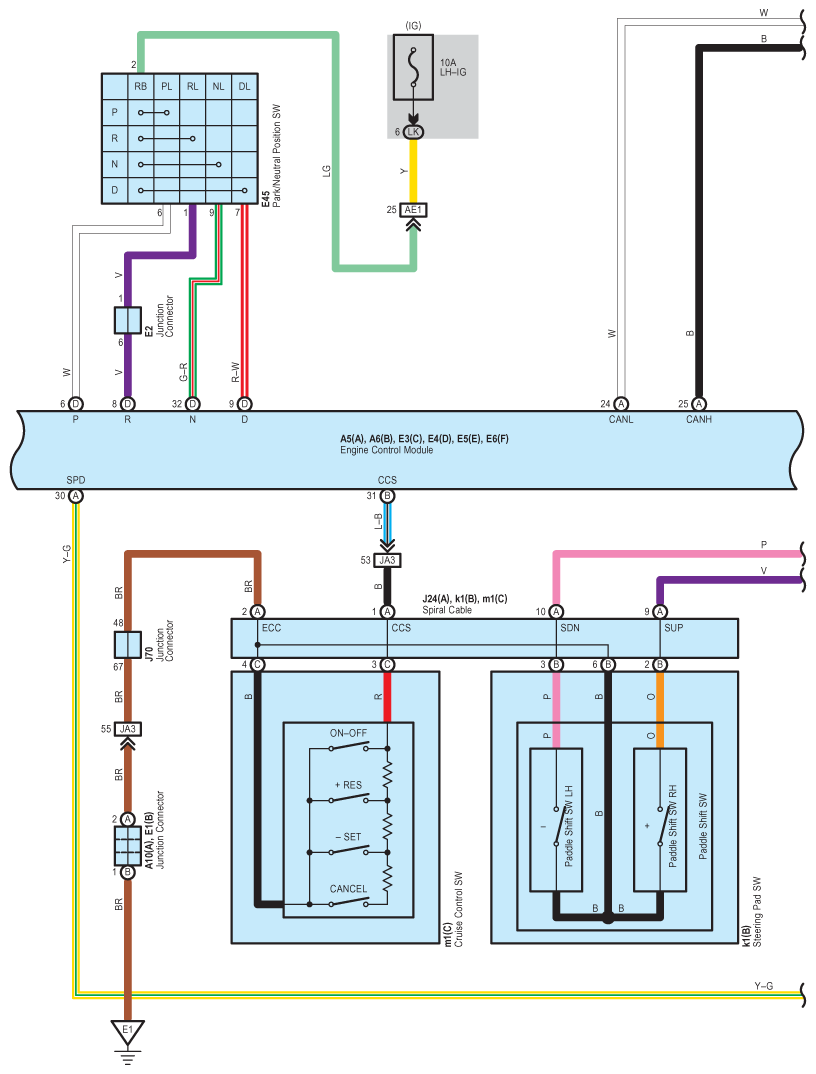
Fig 3: Cruise Control For 2GR-FSE - Wiring Diagram (3 Of 8)
G08927284Courtesy of © TOYOTA, LICENSE AGREEMENT TMS1002
Fig 4: Cruise Control For 2GR-FSE - Wiring Diagram (4 Of 8)
G08927285Courtesy of © TOYOTA, LICENSE AGREEMENT TMS1002
Fig 5: Cruise Control For 2GR-FSE - Wiring Diagram (5 Of 8)
G08927286Courtesy of © TOYOTA, LICENSE AGREEMENT TMS1002
Fig 6: Cruise Control For 2GR-FSE - Wiring Diagram (6 Of 8)
G08927287Courtesy of © TOYOTA, LICENSE AGREEMENT TMS1002
Fig 7: Cruise Control For 2GR-FSE - Wiring Diagram (7 Of 8)
G08927288Courtesy of © TOYOTA, LICENSE AGREEMENT TMS1002
Fig 8: Cruise Control For 2GR-FSE - Wiring Diagram (8 Of 8)
G08927289Courtesy of © TOYOTA, LICENSE AGREEMENT TMS1002