LEMON Manuals: Even more car manuals for everyone: 1960-2025
Home >> Lexus >> 2006 >> IS 250 AWD >> Repair and Diagnosis >> Electrical >> Body Electrical >> OEM System Circuits >> Front Fog Light >> Notes
April 5, 2026: LEMON Manuals is launched! Read the announcement.

Front Fog Light: Notes

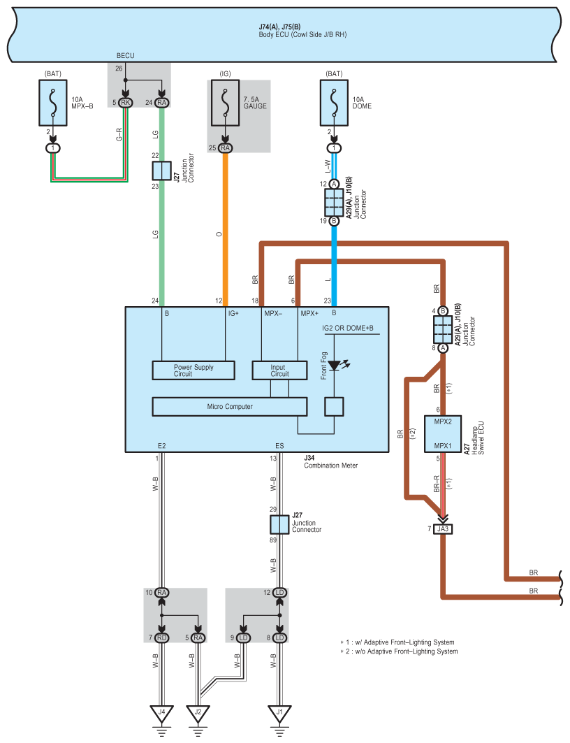
Fig 1: Front Fog Light - Wiring Diagram (1 Of 5)
G08927176Courtesy of © TOYOTA, LICENSE AGREEMENT TMS1002
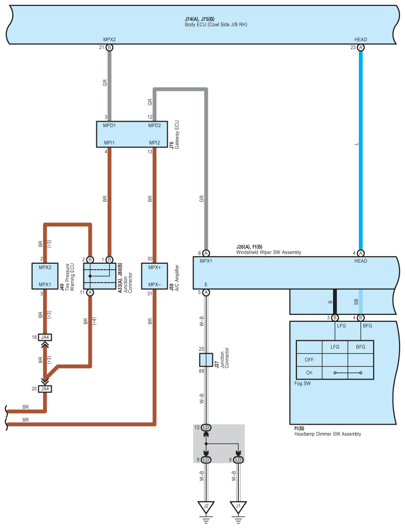
Fig 2: Front Fog Light - Wiring Diagram (2 Of 5)
G08927177Courtesy of © TOYOTA, LICENSE AGREEMENT TMS1002
Fig 3: Front Fog Light - Wiring Diagram (3 Of 5)
G08927178Courtesy of © TOYOTA, LICENSE AGREEMENT TMS1002
Fig 4: Front Fog Light - Wiring Diagram (4 Of 5)
G08927179Courtesy of © TOYOTA, LICENSE AGREEMENT TMS1002
Fig 5: Front Fog Light - Wiring Diagram (5 Of 5)
G08927180Courtesy of © TOYOTA, LICENSE AGREEMENT TMS1002