LEMON Manuals: Even more car manuals for everyone: 1960-2025
Home >> Lexus >> 2006 >> IS 250 AWD >> Repair and Diagnosis >> Electrical >> Body Electrical >> OEM System Circuits >> Sliding Roof >> Notes
April 5, 2026: LEMON Manuals is launched! Read the announcement.

Sliding Roof: Notes

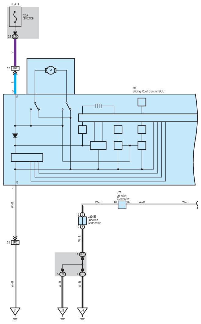
Fig 1: Sliding Roof - Wiring Diagram (1 Of 5)
G08927337Courtesy of © TOYOTA, LICENSE AGREEMENT TMS1002
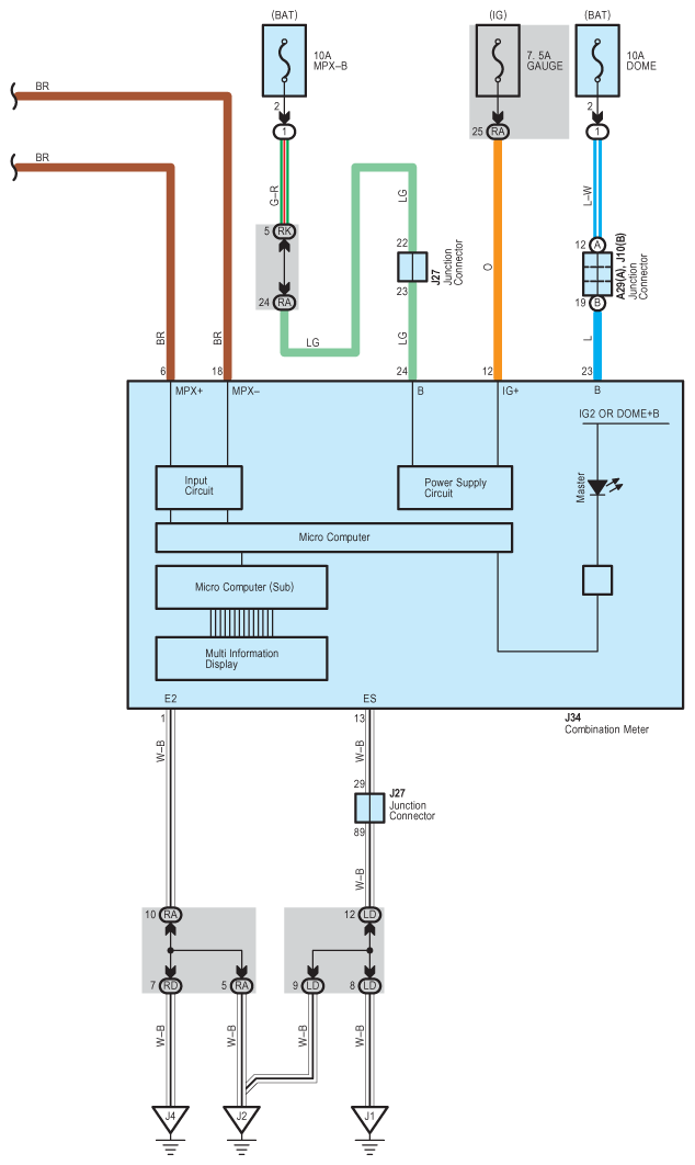
Fig 2: Sliding Roof - Wiring Diagram (2 Of 5)
G08927338Courtesy of © TOYOTA, LICENSE AGREEMENT TMS1002
Fig 3: Sliding Roof - Wiring Diagram (3 Of 5)
G08927339Courtesy of © TOYOTA, LICENSE AGREEMENT TMS1002
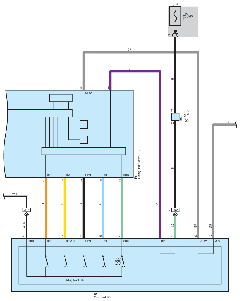
Fig 4: Sliding Roof - Wiring Diagram (4 Of 5)
G08927340Courtesy of © TOYOTA, LICENSE AGREEMENT TMS1002
Fig 5: Sliding Roof - Wiring Diagram (5 Of 5)
G08927341Courtesy of © TOYOTA, LICENSE AGREEMENT TMS1002