LEMON Manuals: Even more car manuals for everyone: 1960-2025
Home >> Lexus >> 2006 >> IS 250 AWD >> Repair and Diagnosis >> Electrical >> Starter >> Starting (4GR-FSE) >> Smart Access System With Push-Button Start >> Power Source Mode does not Change >> Wiring Diagram
April 5, 2026: LEMON Manuals is launched! Read the announcement.

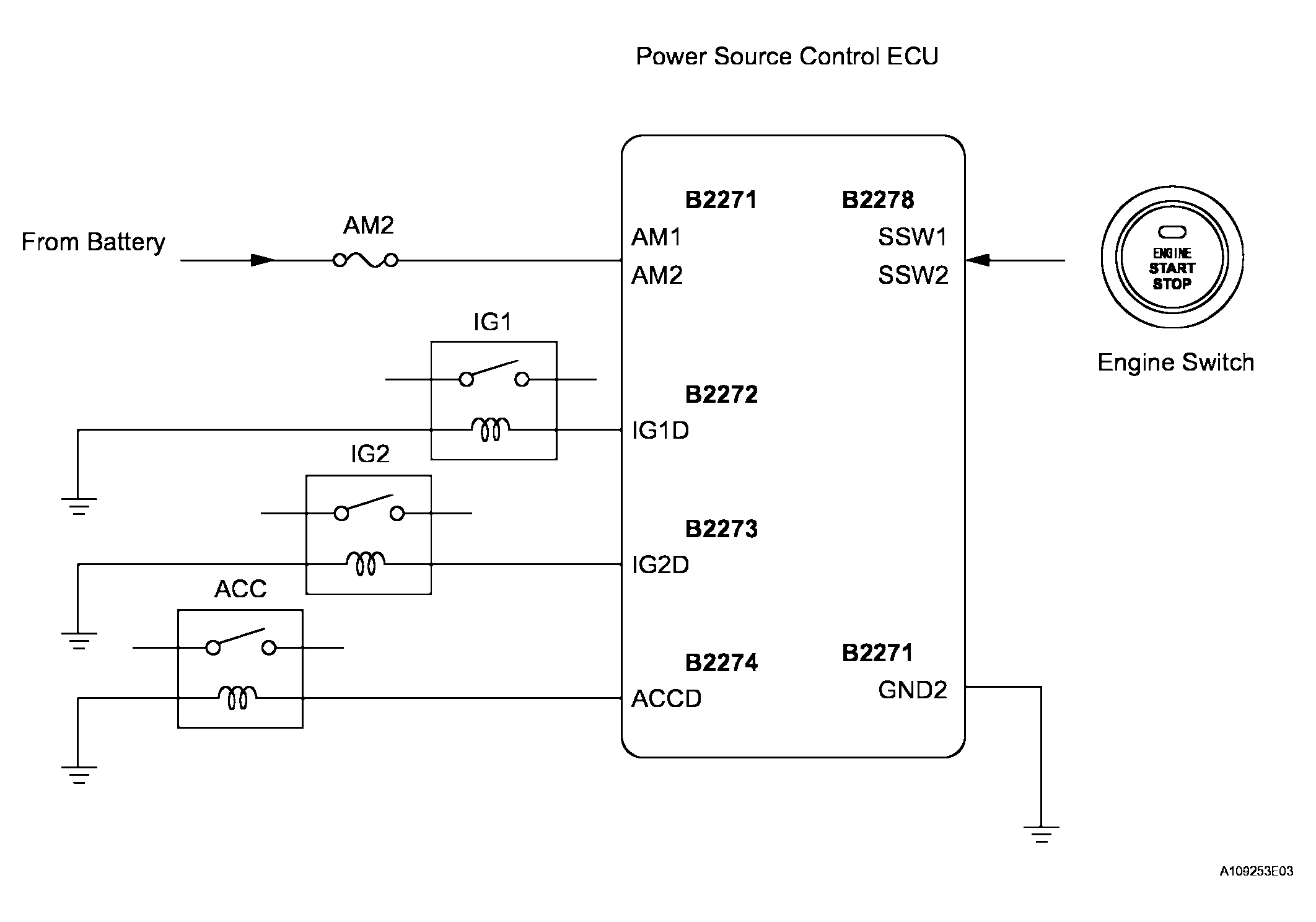
Power Source Mode does not Change: Wiring Diagram

Fig 1: Identifying Power Source Mode Wiring Diagram
G04044971Courtesy of © TOYOTA, LICENSE AGREEMENT TMS1002