LEMON Manuals: Even more car manuals for everyone: 1960-2025
Home >> Lexus >> 2006 >> IS 250 AWD >> Repair and Diagnosis >> Engine Performance >> System >> Engine Control System (4GR-FSE) - System And Circuit Testing, On-Vehicle Inspection, Removal, Inspection And Installation >> Integration Relay >> Inspection
April 5, 2026: LEMON Manuals is launched! Read the announcement.

Integration Relay: Inspection

  1. INSPECT INTEGRATION RELAY 
NOTE:
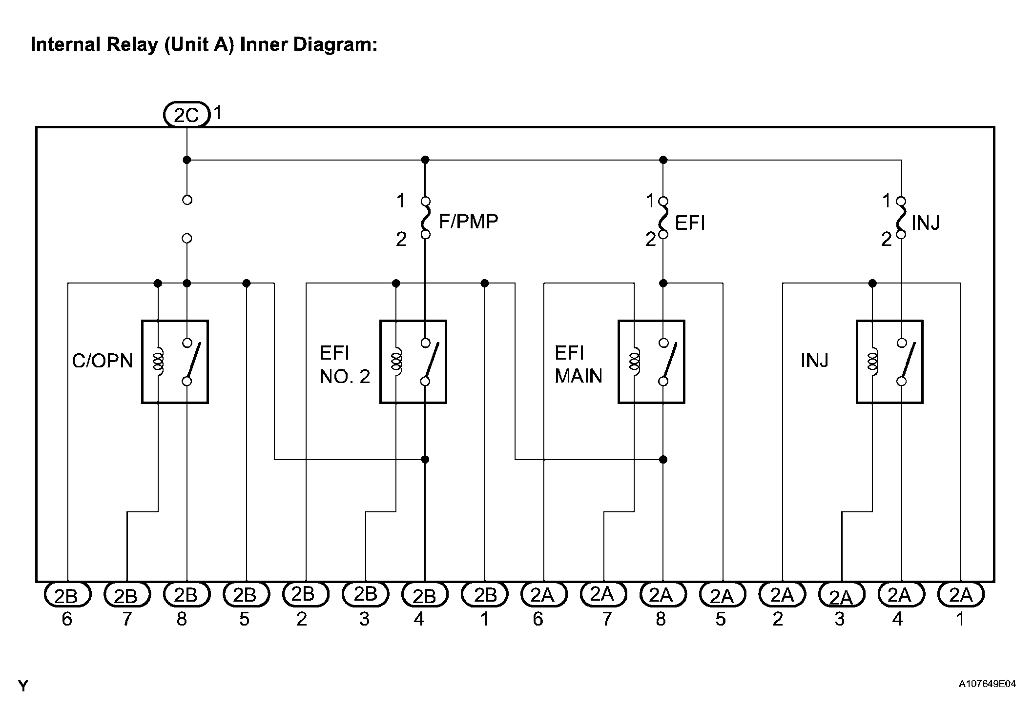
  • Some relays are built into the integration relay (unit: A). The integration relay cannot be disassembled. If there is a malfunction in the circuit of the integration relay, replace the integration relay.
  • The internal circuit of the integration relay is as shown in the illustration. Inspect the integration relay using the following procedures.
Fig 1: Internal Relay (Unit A) Inner Diagram
G04043952Courtesy of © TOYOTA, LICENSE AGREEMENT TMS1002
  1. Measure the resistance of the C/OPN relay.
    1. Using an ohmmeter, measure the resistance between terminal.

      Standard resistance 

      Fig 2: Identifying Integration Relay Backside
      G04043953Courtesy of © TOYOTA, LICENSE AGREEMENT TMS1002
      STANDARD RESISTANCE

      Tester Connection Specified Condition
      2B-5 - 2B-8 10 kΩ or higher
    2. Connect the battery's positive (+) lead to terminals 2B-5 and negative (-) lead to terminal 2B-7. Using an voltmeter, measure the resistance between terminal.

    Standard voltage 

    STANDARD VOLTAGE

    Tester Connection Specified Condition
    2B-7 - 2B-8 10 - 14V
  2. Measure the resistance of the EFI MAIN relay.
    1. Remove the EFI fuse. Using an ohmmeter, measure the resistance between the terminals.

      Standard resistance 

      Fig 3: Identifying Integration Relay (EFI Fuse)
      G04043954Courtesy of © TOYOTA, LICENSE AGREEMENT TMS1002
      STANDARD RESISTANCE

      Tester Connection Specified Condition
      EFI fuse terminal 2 - 2A-8 10 kΩ or higher
    2. Connect the battery's positive (+) lead to terminal 2A-6 and negative (-) lead to terminal 2A-7. Using an ohmmeter, measure the resistance between terminal.

    Standard resistance 

    STANDARD RESISTANCE

    Tester Connection Specified Condition
    EFI fuse terminal 2 - terminal 2A-8 Below 1 Ω
  3. Measure the resistance of the EFI NO. 2 relay.
    1. Remove the F/PMP fuse. Using an ohmmeter, measure the resistance between the terminals.

      Standard resistance 

      Fig 4: Identifying Integration Relay (F-PMP Fuse)
      G04043955Courtesy of © TOYOTA, LICENSE AGREEMENT TMS1002
      STANDARD RESISTANCE

      Tester Connection Specified Condition
      F-PMP fuse terminal 2 - 2B-4 10 kΩ or higher
    2. Connect the battery's positive (+) lead to terminal 2A-8 and negative (-) lead to terminal 2B-3. Using an ohmmeter, measure the resistance between the terminals.

    Standard resistance 

    STANDARD RESISTANCE

    Tester Connection Specified Condition
    F-PMP fuse terminal 2 - 2B-4 Below 1 Ω
  4. Measure the resistance of the EFI INJ relay.
    1. Remove the INJ fuse. Using an ohmmeter, measure the resistance between the terminals.

      Standard resistance 

      Fig 5: Identifying Integration Relay (INJ Fuse)
      G04043956Courtesy of © TOYOTA, LICENSE AGREEMENT TMS1002
    STANDARD RESISTANCE

    Tester Connection Specified Condition
    INJ fuse terminal 2 - 2A-4 10 kΩ or higher
  5. Connect the battery's positive (+) lead to terminal 2A-2 and negative (-) lead to terminal 2A-3. Using an ohmmeter, measure the resistance between the terminals.

Standard resistance 

STANDARD RESISTANCE

Tester Connection Specified Condition
INJ fuse terminal 2 - terminal 2A-4 Below 1 Ω