LEMON Manuals: Even more car manuals for everyone: 1960-2025
Home >> Lexus >> 2006 >> IS 350 >> Repair and Diagnosis >> Electrical >> Body Electrical >> OEM System Circuits >> Headlight >> Notes
April 5, 2026: LEMON Manuals is launched! Read the announcement.

OEM System Circuits: Headlight: Notes

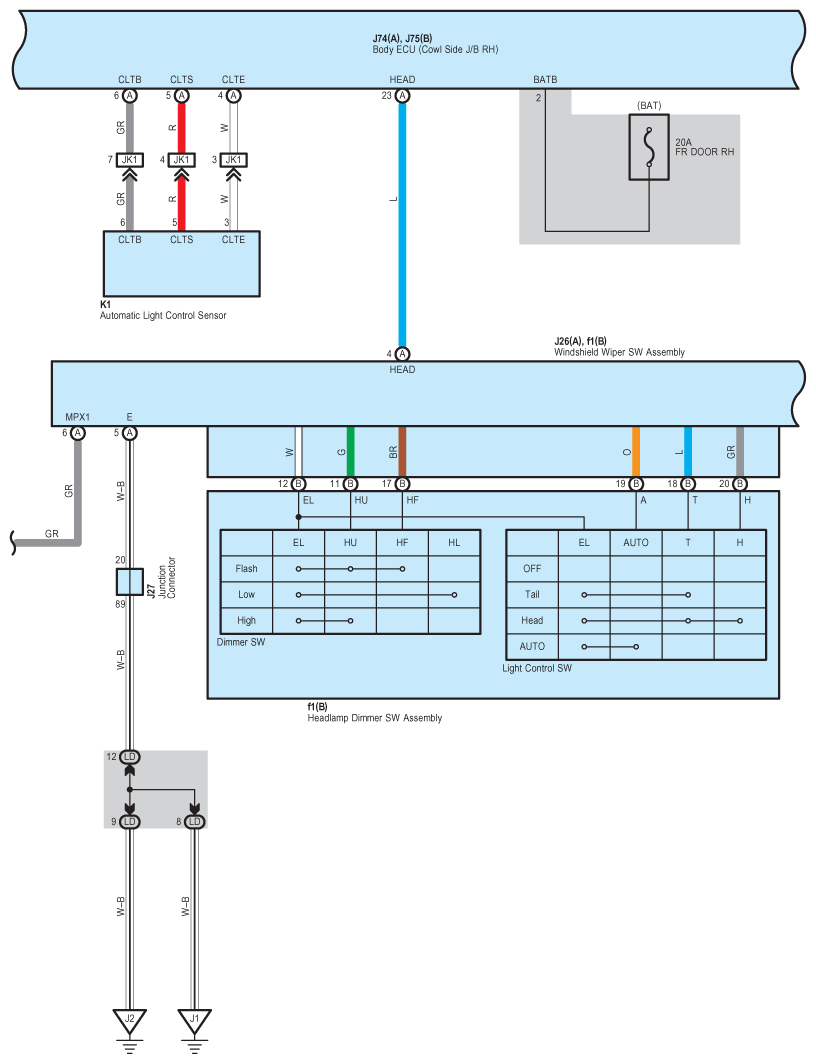
Fig 1: Headlight - Wiring Diagram (1 Of 7)
G08927135Courtesy of © TOYOTA, LICENSE AGREEMENT TMS1002
Fig 2: Headlight - Wiring Diagram (2 Of 7)
G08927136Courtesy of © TOYOTA, LICENSE AGREEMENT TMS1002
Fig 3: Headlight - Wiring Diagram (3 Of 7)
G08927137Courtesy of © TOYOTA, LICENSE AGREEMENT TMS1002
Fig 4: Headlight - Wiring Diagram (4 Of 7)
G08927138Courtesy of © TOYOTA, LICENSE AGREEMENT TMS1002
Fig 5: Headlight - Wiring Diagram (5 Of 7)
G08927139Courtesy of © TOYOTA, LICENSE AGREEMENT TMS1002
Fig 6: Headlight - Wiring Diagram (6 Of 7)
G08927140Courtesy of © TOYOTA, LICENSE AGREEMENT TMS1002
Fig 7: Headlight - Wiring Diagram (7 Of 7)
G08927141Courtesy of © TOYOTA, LICENSE AGREEMENT TMS1002