LEMON Manuals: Even more car manuals for everyone: 1960-2025
Home >> Lexus >> 2006 >> IS 350 >> Repair and Diagnosis >> Electrical >> Body Electrical >> OEM System Circuits >> Taillight >> Notes
April 5, 2026: LEMON Manuals is launched! Read the announcement.

OEM System Circuits: Taillight: Notes

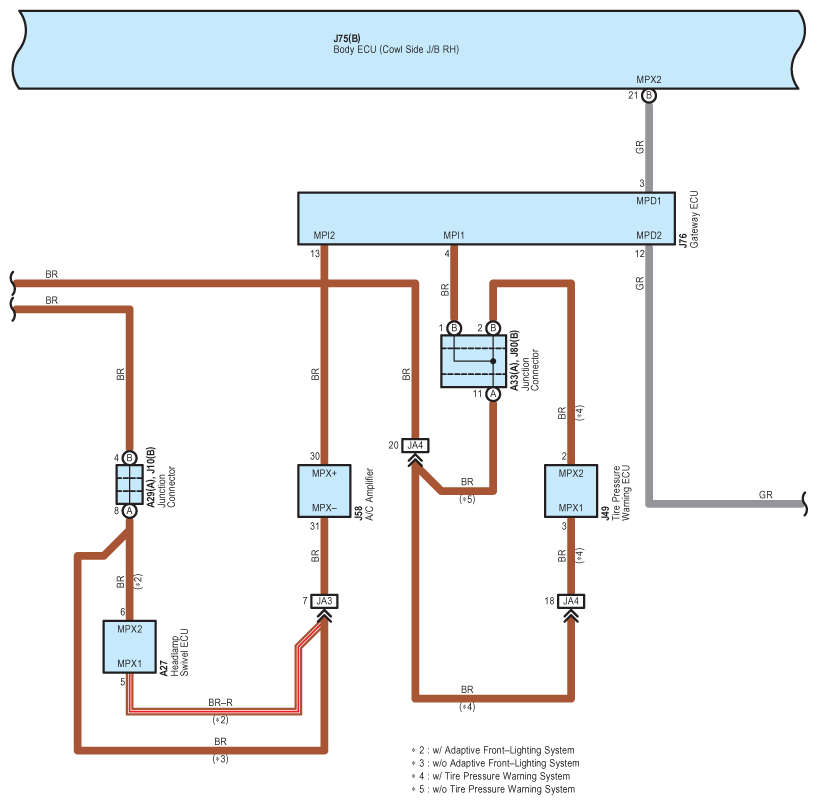
Fig 1: Taillight - Wiring Diagram (1 Of 8)
G08927165Courtesy of © TOYOTA, LICENSE AGREEMENT TMS1002
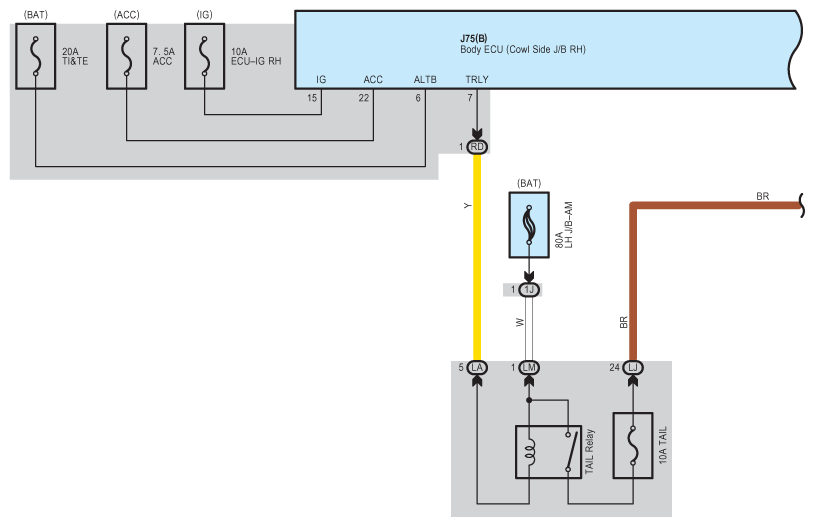
Fig 2: Taillight - Wiring Diagram (2 Of 8)
G08927166Courtesy of © TOYOTA, LICENSE AGREEMENT TMS1002
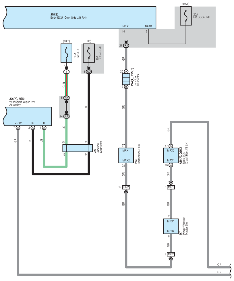
Fig 3: Taillight - Wiring Diagram (3 Of 8)
G08927167Courtesy of © TOYOTA, LICENSE AGREEMENT TMS1002
Fig 4: Taillight - Wiring Diagram (4 Of 8)
G08927168Courtesy of © TOYOTA, LICENSE AGREEMENT TMS1002
Fig 5: Taillight - Wiring Diagram (5 Of 8)
G08927169Courtesy of © TOYOTA, LICENSE AGREEMENT TMS1002
Fig 6: Taillight - Wiring Diagram (6 Of 8)
G08927170Courtesy of © TOYOTA, LICENSE AGREEMENT TMS1002
Fig 7: Taillight - Wiring Diagram (7 Of 8)
G08927171Courtesy of © TOYOTA, LICENSE AGREEMENT TMS1002
Fig 8: Taillight - Wiring Diagram (8 Of 8)
G08927172Courtesy of © TOYOTA, LICENSE AGREEMENT TMS1002