LEMON Manuals: Even more car manuals for everyone: 1960-2025
Home >> Lexus >> 2006 >> IS 350 >> Repair and Diagnosis >> Engine Performance >> Engine Control System (2GR-FSE) >> SFI System >> System Diagram
April 5, 2026: LEMON Manuals is launched! Read the announcement.

System Diagram

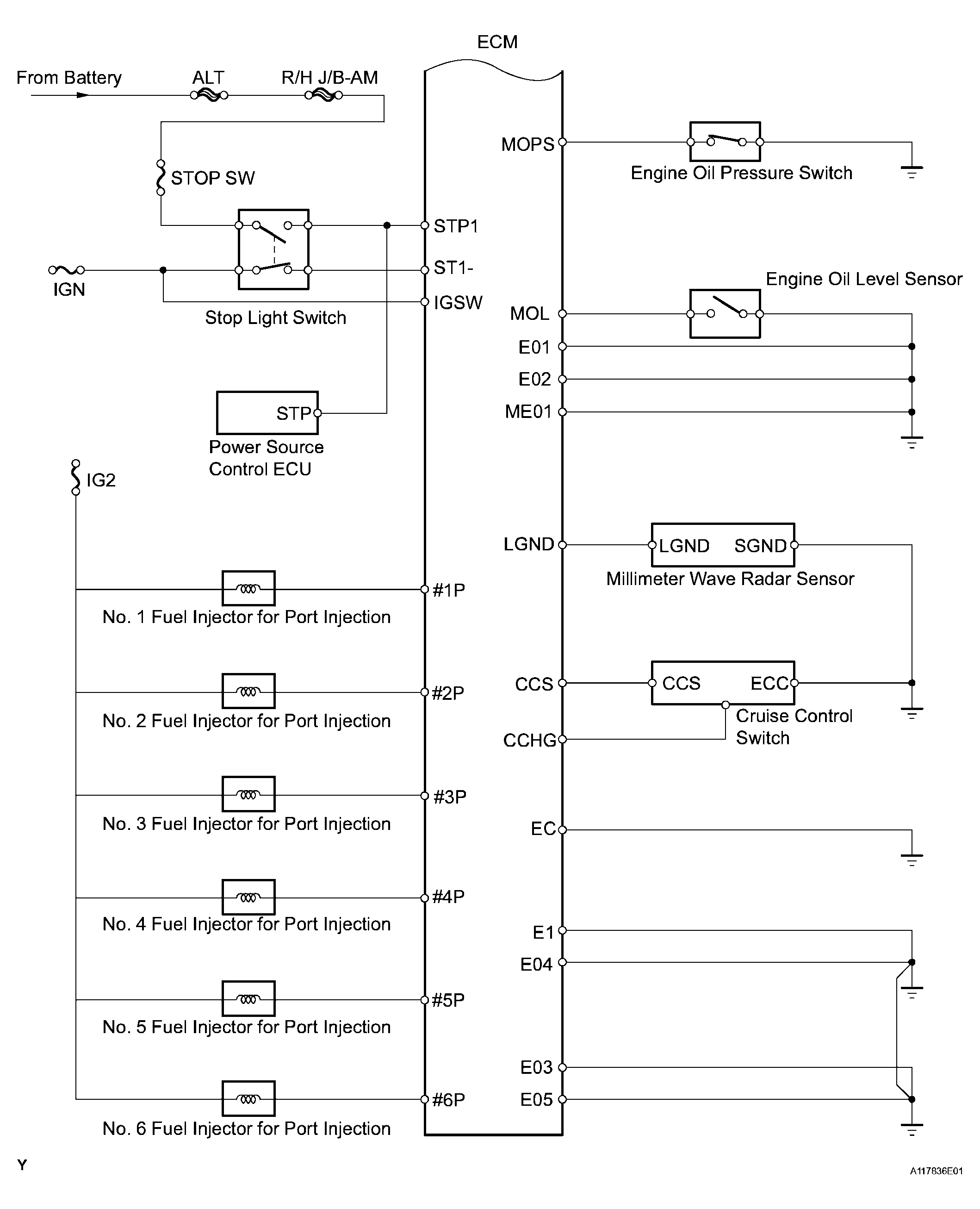
Fig 1: 2GR-FSE Engine Control System - SFI System - System Diagram (1 Of 5)
G04054493Courtesy of © TOYOTA, LICENSE AGREEMENT TMS1002
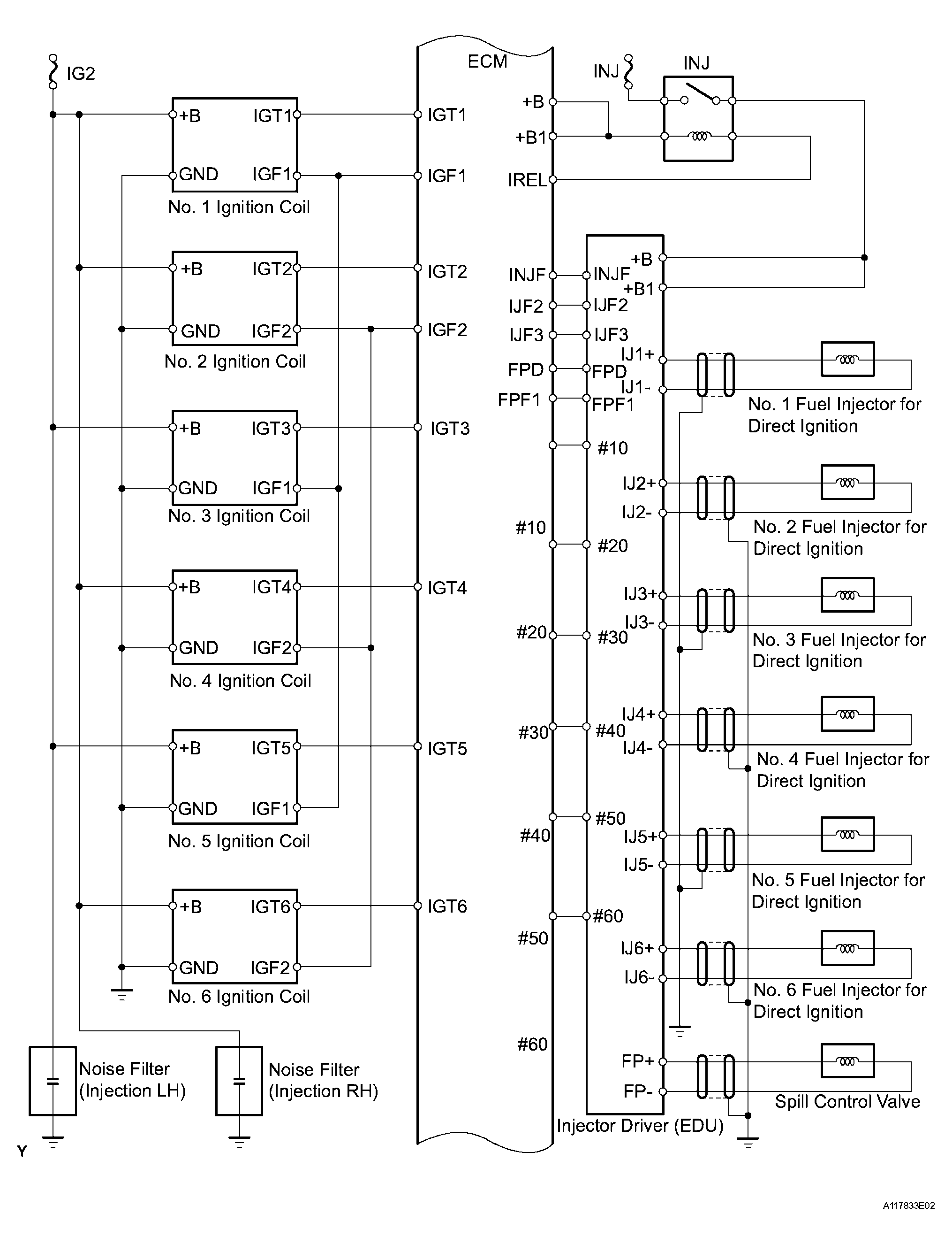
Fig 2: 2GR-FSE Engine Control System - SFI System - System Diagram (2 Of 5)
G04054494Courtesy of © TOYOTA, LICENSE AGREEMENT TMS1002
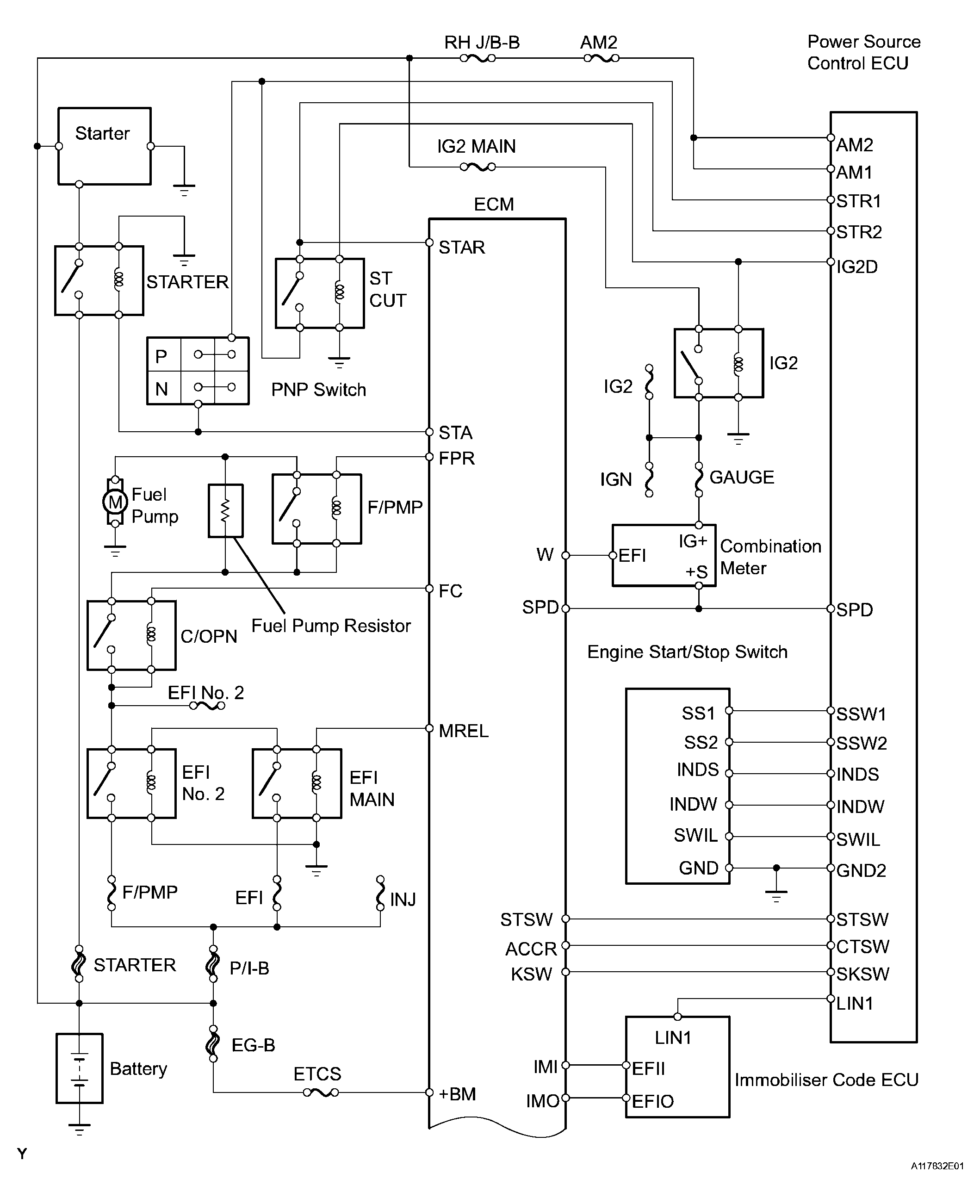
Fig 3: 2GR-FSE Engine Control System - SFI System - System Diagram (3 Of 5)
G04054495Courtesy of © TOYOTA, LICENSE AGREEMENT TMS1002
Fig 4: 2GR-FSE Engine Control System - SFI System - System Diagram (4 Of 5)
G04054496Courtesy of © TOYOTA, LICENSE AGREEMENT TMS1002
Fig 5: 2GR-FSE Engine Control System - SFI System - System Diagram (5 Of 5)
G04054497Courtesy of © TOYOTA, LICENSE AGREEMENT TMS1002