LEMON Manuals: Even more car manuals for everyone: 1960-2025
Home >> Lexus >> 2006 >> LS 430 V8-4.3L (3UZ-FE) >> Repair and Diagnosis >> Powertrain Management >> Computers and Control Systems >> Information Bus >> Testing and Inspection >> Component Tests and General Diagnostics >> Check CAN Main Bus Line For Disconnection >> Check CAN Main Bus Line For Disconnection (W/ Lexus Navigation System)
April 5, 2026: LEMON Manuals is launched! Read the announcement.

Check CAN Main Bus Line For Disconnection (W/ Lexus Navigation System)

CHECK CAN MAIN BUS LINE FOR DISCONNECTION (w/ LEXUS Navigation System)

CIRCUIT DESCRIPTION




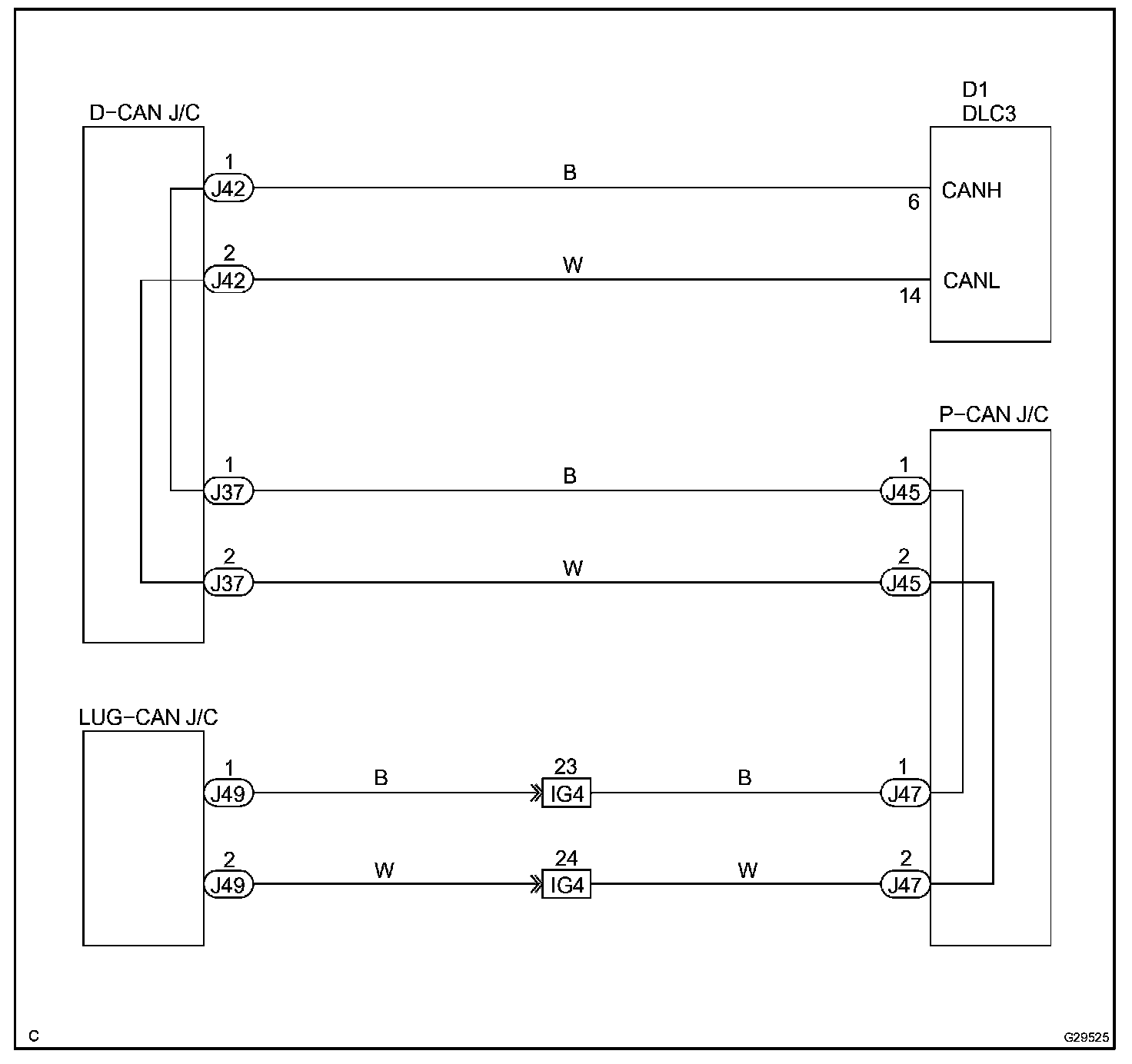
There may be an open circuit in the CAN main bus line and/or the DLC3 sub bus line when the resistance between terminals 6 (CANH) and 14 (CANL) of the DLC3 is 69 Ohms or more.

Wiring Diagram:






Step 1-2:




Step 3-6:




Step 7-8:




INSPECTION PROCEDURE