LEMON Manuals: Even more car manuals for everyone: 1960-2025
Home >> Lexus >> 2006 >> LS 430 >> Repair and Diagnosis (Single Page) >> Electrical >> Body Electrical >> OEM System Circuits >> PPS >> Notes
April 5, 2026: LEMON Manuals is launched! Read the announcement.

OEM System Circuits: PPS: Notes

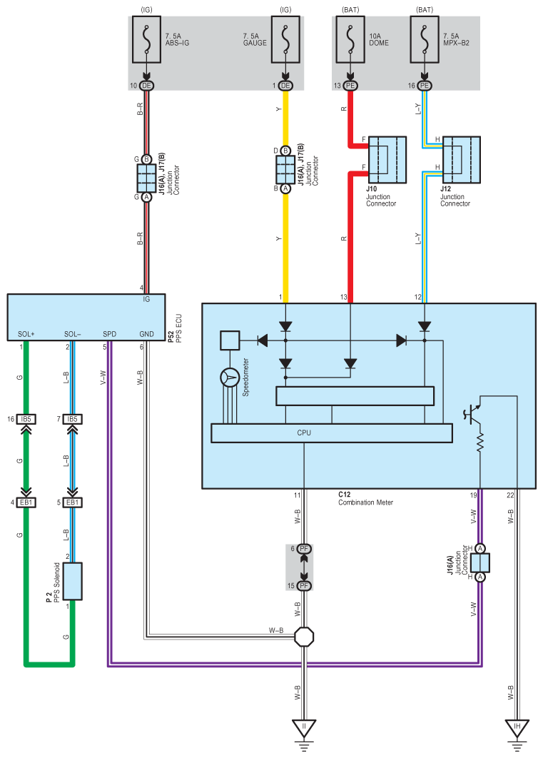
Fig 1: PPS System Wiring Diagram
G08913855Courtesy of © TOYOTA, LICENSE AGREEMENT TMS1002