LEMON Manuals: Even more car manuals for everyone: 1960-2025
Home >> Lexus >> 2006 >> LS 430 >> Repair and Diagnosis >> Body & Frame >> Door Locks >> Wireless Door Lock Control System - Diagnostics >> Wireless Door Lock Control System (W/O Smart Key System) >> Ecu Power Source Circuit >> Wiring Diagram
April 5, 2026: LEMON Manuals is launched! Read the announcement.

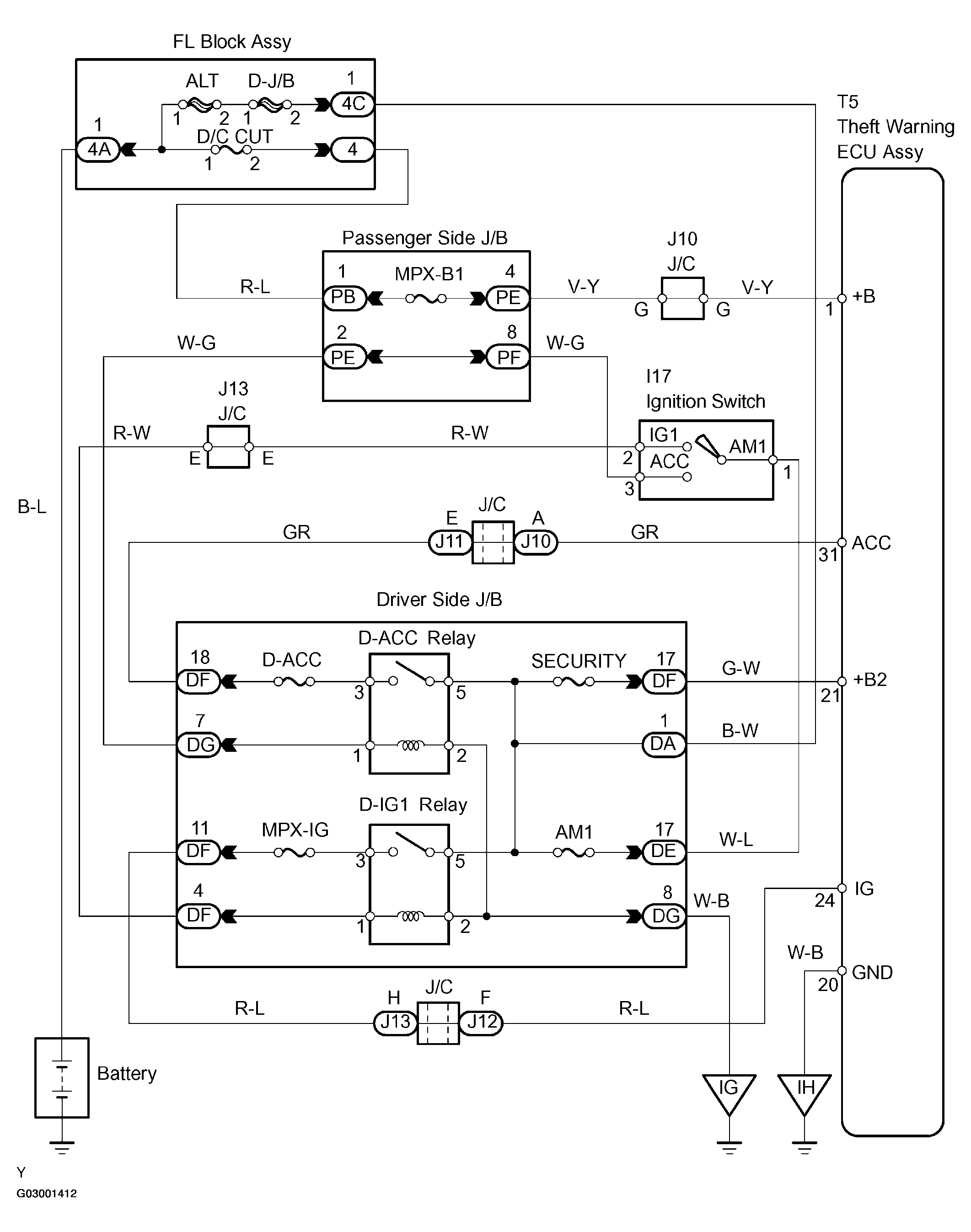
Ecu Power Source Circuit: Wiring Diagram

Fig 1: ECU Power Source Wiring Diagram
G03001412Courtesy of © TOYOTA, LICENSE AGREEMENT TMS1002