LEMON Manuals: Even more car manuals for everyone: 1960-2025
Home >> Lexus >> 2006 >> LS 430 >> Repair and Diagnosis >> Body & Frame >> Windows >> Power Window Control System - Diagnostics >> Window Lock Signal Circuit >> Wiring Diagram
April 5, 2026: LEMON Manuals is launched! Read the announcement.

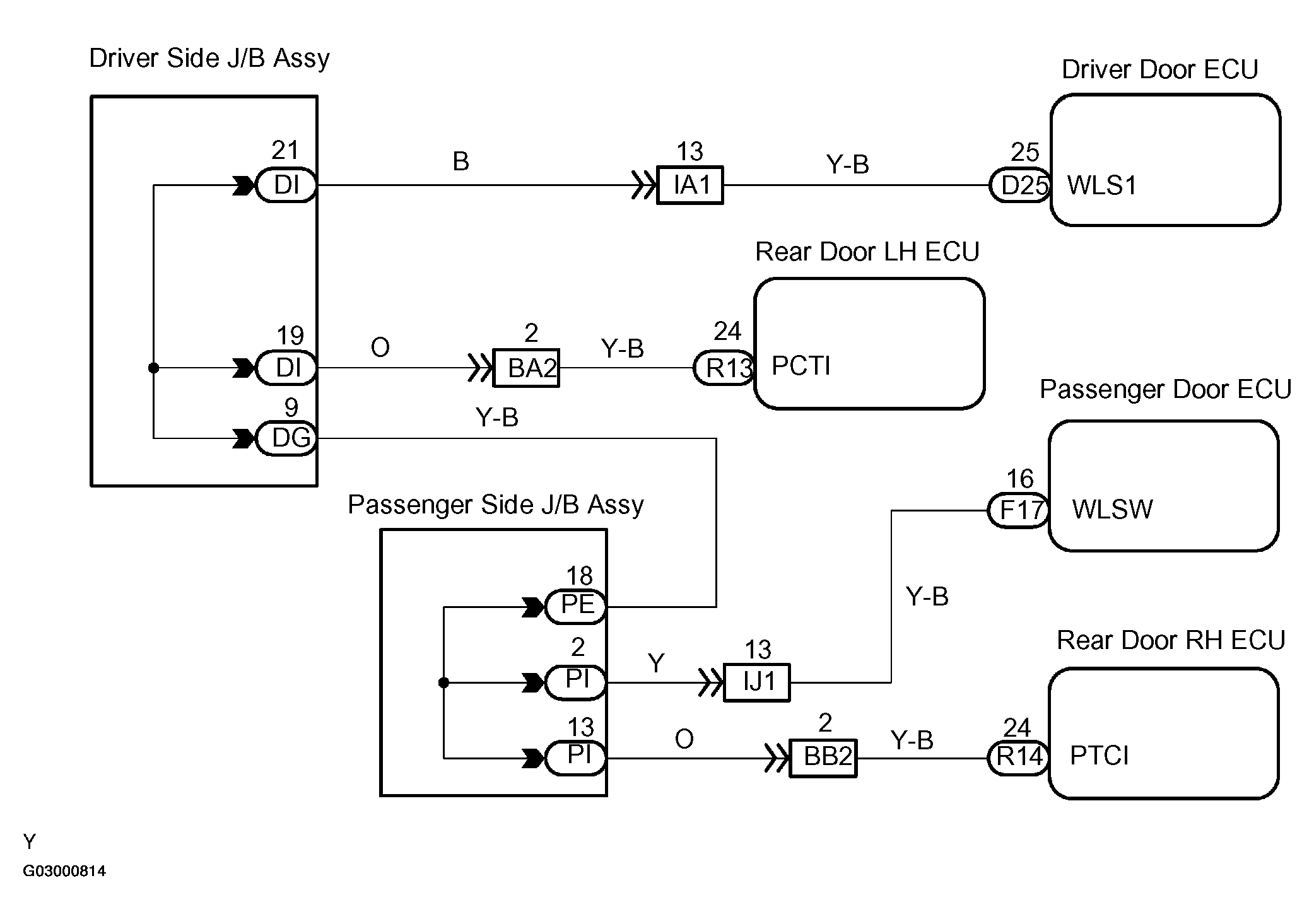
Window Lock Signal Circuit: Wiring Diagram

Fig 1: Window Lock Signal Circuit Wiring Diagram
G03000814Courtesy of © TOYOTA, LICENSE AGREEMENT TMS1002