LEMON Manuals: Even more car manuals for everyone: 1960-2025
Home >> Lexus >> 2006 >> LS 430 >> Repair and Diagnosis >> Electrical >> Body Electrical >> OEM System Circuits >> Climate Control Seat (Front) >> Notes
April 5, 2026: LEMON Manuals is launched! Read the announcement.

Climate Control Seat (Front): Notes

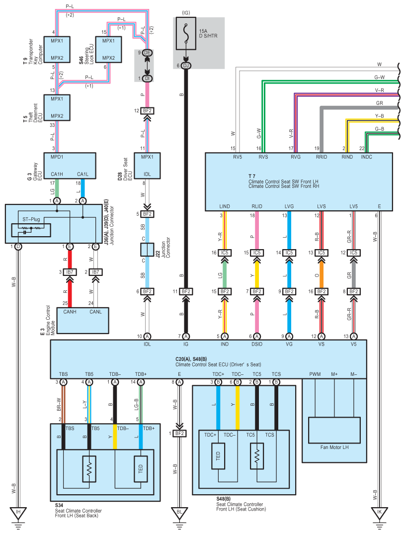
Fig 1: Climate Control Seat (Front) System Wiring Diagram (1 Of 2)
G08913901Courtesy of © TOYOTA, LICENSE AGREEMENT TMS1002
Fig 2: Climate Control Seat (Front) System Wiring Diagram (2 Of 2)
G08913902Courtesy of © TOYOTA, LICENSE AGREEMENT TMS1002