LEMON Manuals: Even more car manuals for everyone: 1960-2025
Home >> Lexus >> 2006 >> LS 430 >> Repair and Diagnosis >> Electrical >> Body Electrical >> OEM System Circuits >> ECT and A/T Indicator >> Notes
April 5, 2026: LEMON Manuals is launched! Read the announcement.

ECT and A/T Indicator: Notes

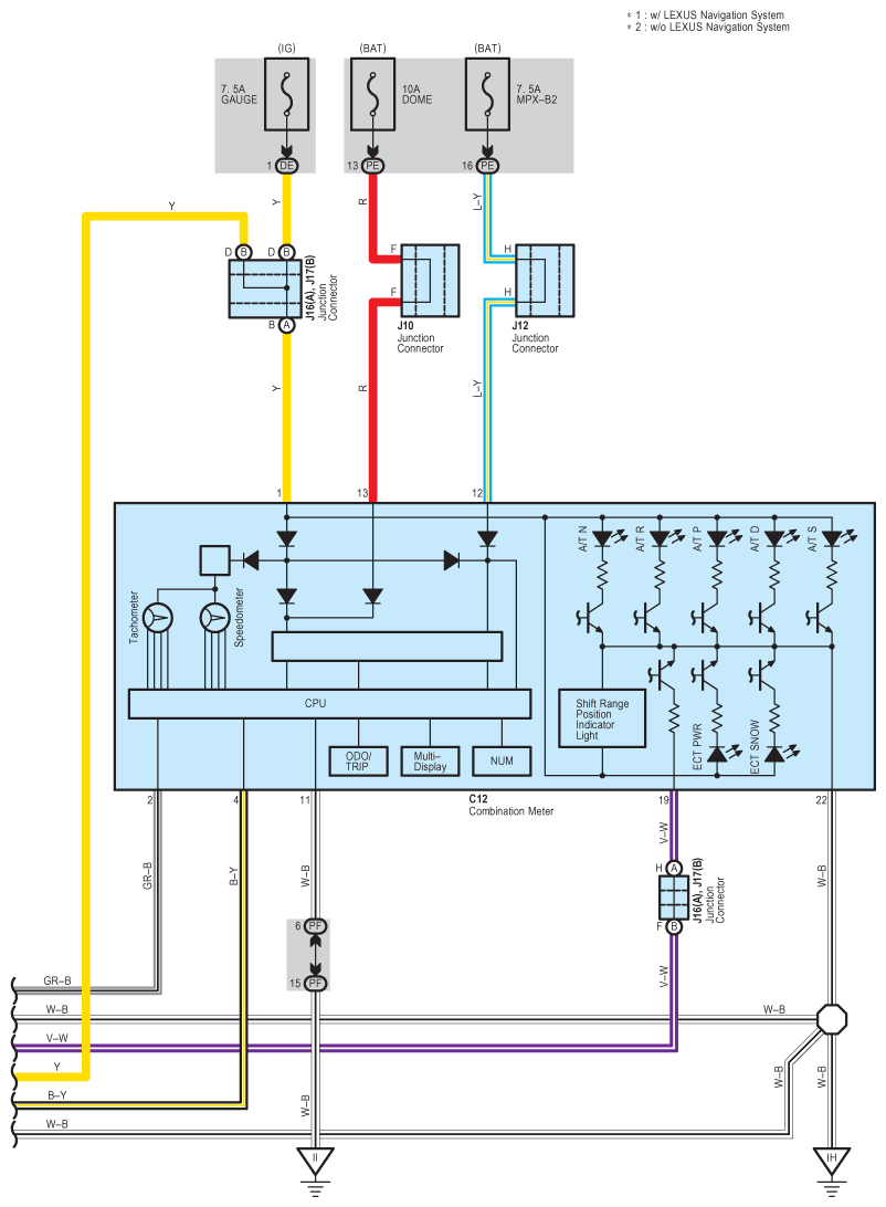
Fig 1: ECT And A/T Indicator System Wiring Diagram (1 Of 6)
G08913833Courtesy of © TOYOTA, LICENSE AGREEMENT TMS1002
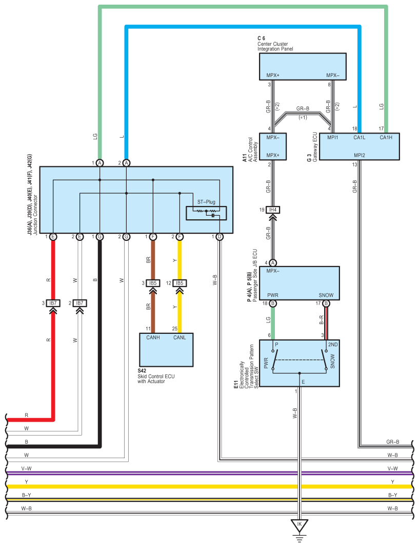
Fig 2: ECT And A/T Indicator System Wiring Diagram (2 Of 6)
G08913834Courtesy of © TOYOTA, LICENSE AGREEMENT TMS1002
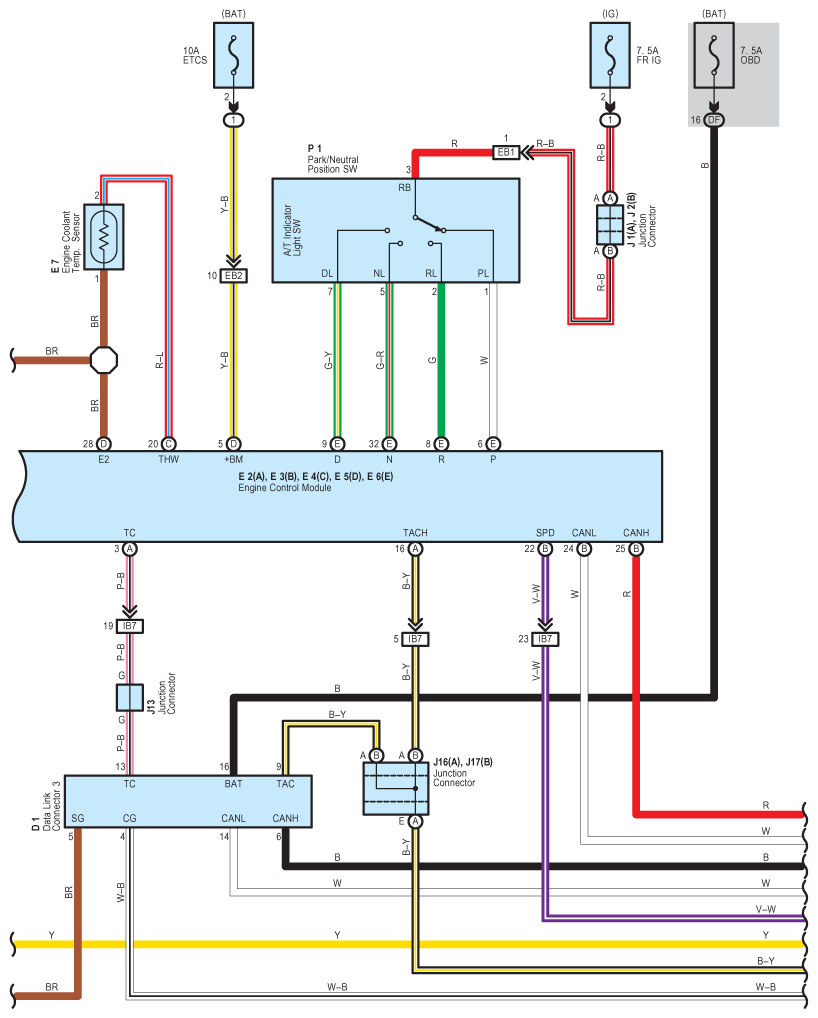
Fig 3: ECT And A/T Indicator System Wiring Diagram (3 Of 6)
G08913835Courtesy of © TOYOTA, LICENSE AGREEMENT TMS1002
Fig 4: ECT And A/T Indicator System Wiring Diagram (4 Of 6)
G08913836Courtesy of © TOYOTA, LICENSE AGREEMENT TMS1002
Fig 5: ECT And A/T Indicator System Wiring Diagram (5 Of 6)
G08913837Courtesy of © TOYOTA, LICENSE AGREEMENT TMS1002
Fig 6: ECT And A/T Indicator System Wiring Diagram (6 Of 6)
G08913838Courtesy of © TOYOTA, LICENSE AGREEMENT TMS1002