LEMON Manuals: Even more car manuals for everyone: 1960-2025
Home >> Lexus >> 2006 >> LS 430 >> Repair and Diagnosis >> Electrical >> Body Electrical >> OEM System Circuits >> Engine Immobiliser System with Smart Key and Steering Lock System >> Notes
April 5, 2026: LEMON Manuals is launched! Read the announcement.

Engine Immobiliser System with Smart Key and Steering Lock System: Notes

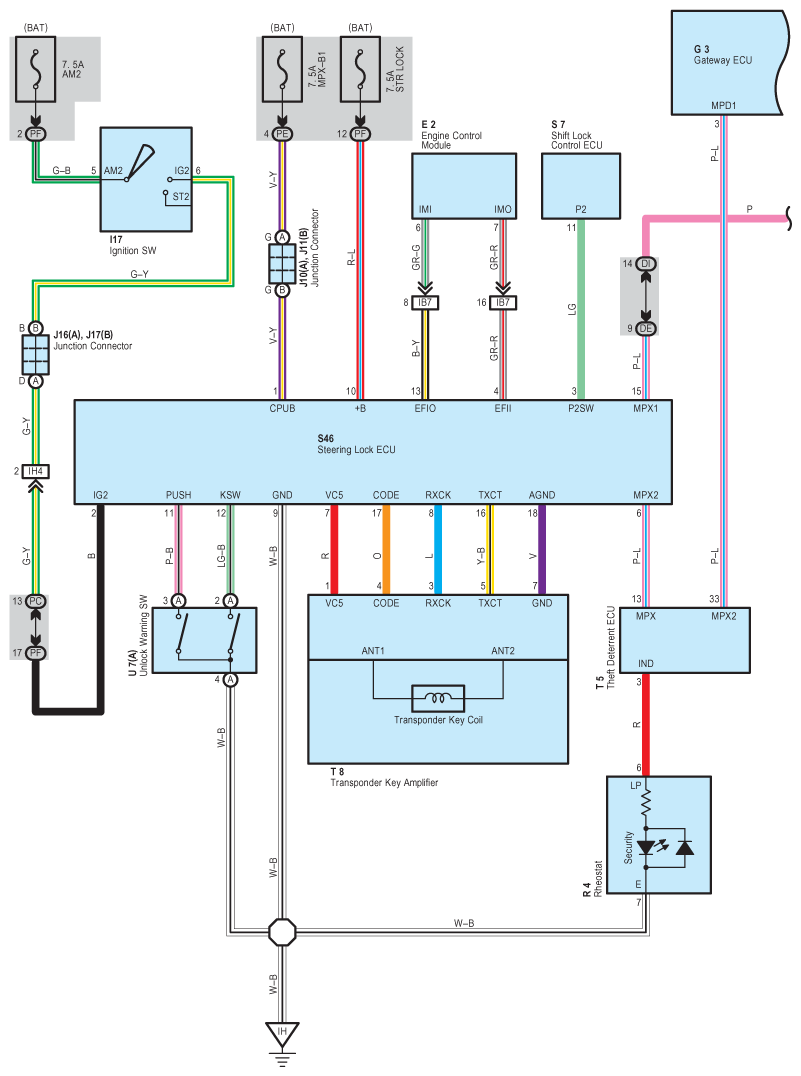
Fig 1: Engine Immobiliser System With Smart Key And Steering Lock System Wiring Diagram (1 Of 2)
G08913691Courtesy of © TOYOTA, LICENSE AGREEMENT TMS1002
Fig 2: Engine Immobiliser System With Smart Key And Steering Lock System Wiring Diagram (2 Of 2)
G08913692Courtesy of © TOYOTA, LICENSE AGREEMENT TMS1002