LEMON Manuals: Even more car manuals for everyone: 1960-2025
Home >> Lexus >> 2006 >> LS 430 >> Repair and Diagnosis >> Electrical >> Body Electrical >> OEM System Circuits >> Multiplex Communication System - BEAN (Instrument Panel Bus) >> Notes
April 5, 2026: LEMON Manuals is launched! Read the announcement.

Multiplex Communication System - BEAN (Instrument Panel Bus): Notes

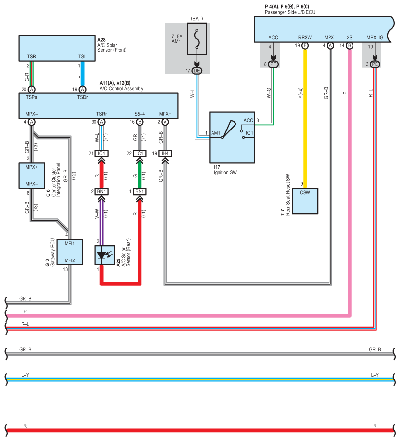
Fig 1: Multiplex Communication System - BEAN (Instrument Panel Bus) System Wiring Diagram (1 Of 8)
G08913700Courtesy of © TOYOTA, LICENSE AGREEMENT TMS1002
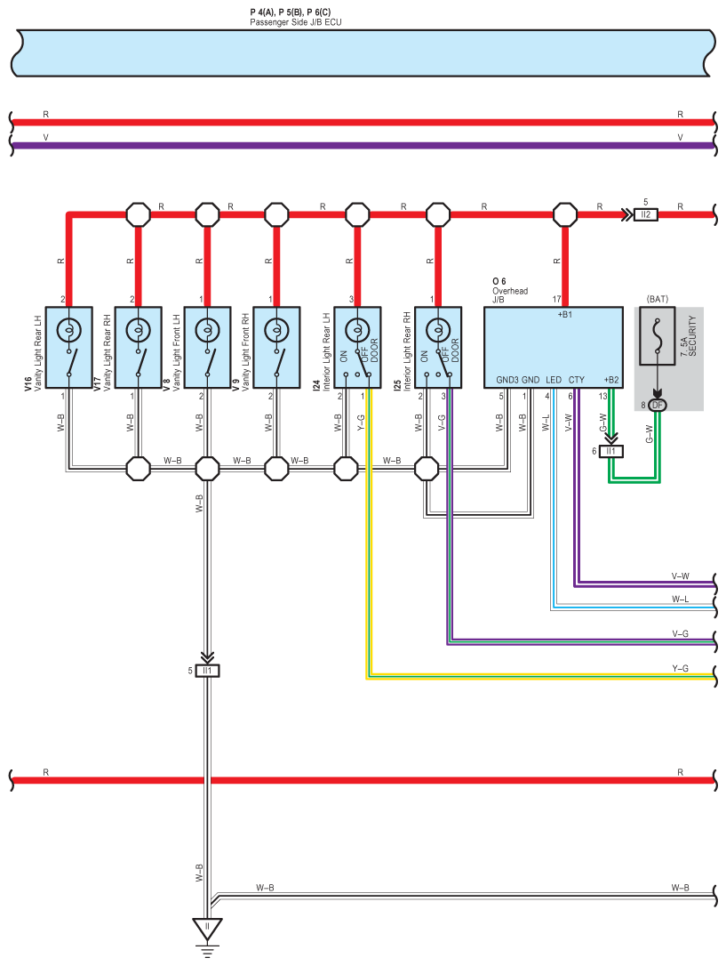
Fig 2: Multiplex Communication System - BEAN (Instrument Panel Bus) System Wiring Diagram (2 Of 8)
G08913701Courtesy of © TOYOTA, LICENSE AGREEMENT TMS1002
Fig 3: Multiplex Communication System - BEAN (Instrument Panel Bus) System Wiring Diagram (3 Of 8)
G08913702Courtesy of © TOYOTA, LICENSE AGREEMENT TMS1002
Fig 4: Multiplex Communication System - BEAN (Instrument Panel Bus) System Wiring Diagram (4 Of 8)
G08913703Courtesy of © TOYOTA, LICENSE AGREEMENT TMS1002
Fig 5: Multiplex Communication System - BEAN (Instrument Panel Bus) System Wiring Diagram (5 Of 8)
G08913704Courtesy of © TOYOTA, LICENSE AGREEMENT TMS1002
Fig 6: Multiplex Communication System - BEAN (Instrument Panel Bus) System Wiring Diagram (6 Of 8)
G08913705Courtesy of © TOYOTA, LICENSE AGREEMENT TMS1002
Fig 7: Multiplex Communication System - BEAN (Instrument Panel Bus) System Wiring Diagram (7 Of 8)
G08913706Courtesy of © TOYOTA, LICENSE AGREEMENT TMS1002
Fig 8: Multiplex Communication System - BEAN (Instrument Panel Bus) System Wiring Diagram (8 Of 8)
G08913707Courtesy of © TOYOTA, LICENSE AGREEMENT TMS1002