LEMON Manuals: Even more car manuals for everyone: 1960-2025
Home >> Lexus >> 2006 >> LS 430 >> Repair and Diagnosis >> Electrical >> Body Electrical >> OEM System Circuits >> Power Shoulder Belt Anchorage >> Notes
April 5, 2026: LEMON Manuals is launched! Read the announcement.

Power Shoulder Belt Anchorage: Notes

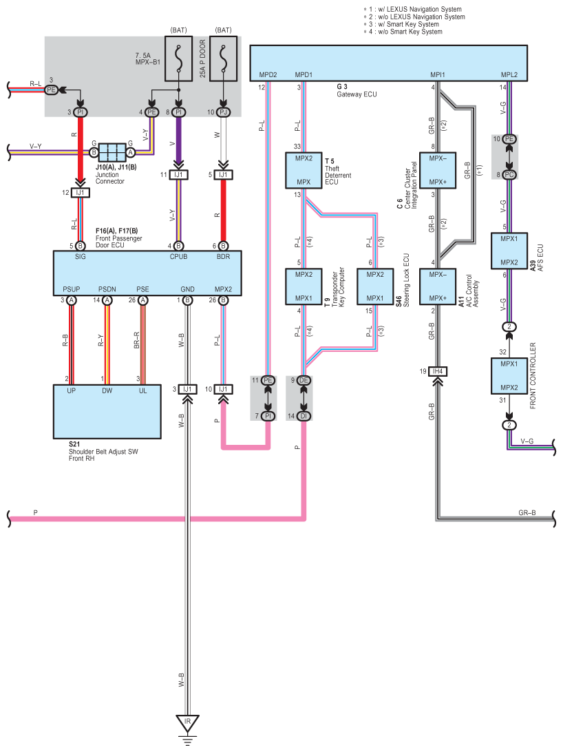
Fig 1: Power Shoulder Belt Anchorage System Wiring Diagram (1 Of 3)
G08913819Courtesy of © TOYOTA, LICENSE AGREEMENT TMS1002
Fig 2: Power Shoulder Belt Anchorage System Wiring Diagram (2 Of 3)
G08913820Courtesy of © TOYOTA, LICENSE AGREEMENT TMS1002
Fig 3: Power Shoulder Belt Anchorage System Wiring Diagram (3 Of 3)
G08913821Courtesy of © TOYOTA, LICENSE AGREEMENT TMS1002