LEMON Manuals: Even more car manuals for everyone: 1960-2025
Home >> Lexus >> 2006 >> LS 430 >> Repair and Diagnosis >> Electrical >> Body Electrical >> OEM System Circuits >> Rear Air Conditioning >> Notes
April 5, 2026: LEMON Manuals is launched! Read the announcement.

Rear Air Conditioning: Notes

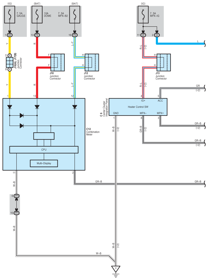
Fig 1: Rear Air Conditioning System Wiring Diagram (1 Of 4)
G08913949Courtesy of © TOYOTA, LICENSE AGREEMENT TMS1002
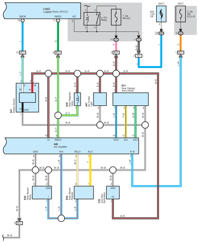
Fig 2: Rear Air Conditioning System Wiring Diagram (2 Of 4)
G08913950Courtesy of © TOYOTA, LICENSE AGREEMENT TMS1002
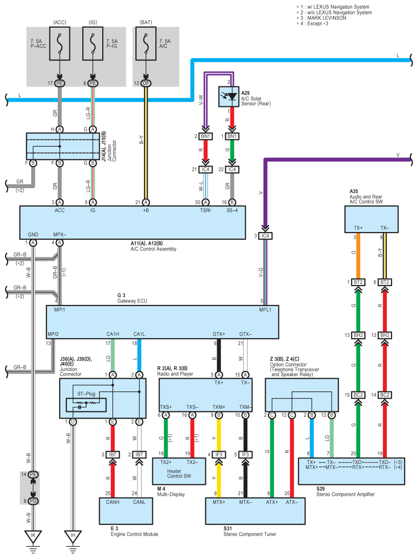
Fig 3: Rear Air Conditioning System Wiring Diagram (3 Of 4)
G08913951Courtesy of © TOYOTA, LICENSE AGREEMENT TMS1002
Fig 4: Rear Air Conditioning System Wiring Diagram (4 Of 4)
G08913952Courtesy of © TOYOTA, LICENSE AGREEMENT TMS1002