LEMON Manuals: Even more car manuals for everyone: 1960-2025
Home >> Lexus >> 2006 >> LS 430 >> Repair and Diagnosis >> Electrical >> Body Electrical >> OEM System Circuits >> Seat Belt Warning and Key Reminder without Smart Key System >> Notes
April 5, 2026: LEMON Manuals is launched! Read the announcement.

Seat Belt Warning and Key Reminder without Smart Key System: Notes

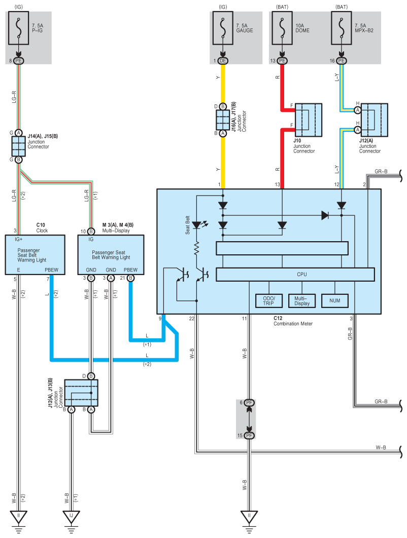
Fig 1: Seat Belt Warning And Key Reminder (Without Smart Key System) System Wiring Diagram (1 Of 2)
G08913817Courtesy of © TOYOTA, LICENSE AGREEMENT TMS1002
Fig 2: Seat Belt Warning And Key Reminder (Without Smart Key System) System Wiring Diagram (2 Of 2)
G08913818Courtesy of © TOYOTA, LICENSE AGREEMENT TMS1002