LEMON Manuals: Even more car manuals for everyone: 1960-2025
Home >> Lexus >> 2006 >> LS 430 >> Repair and Diagnosis >> Electrical >> Body Electrical >> OEM System Circuits >> Smart Key System, Theft Deterrent and Key Reminder >> Notes
April 5, 2026: LEMON Manuals is launched! Read the announcement.

Smart Key System, Theft Deterrent and Key Reminder: Notes

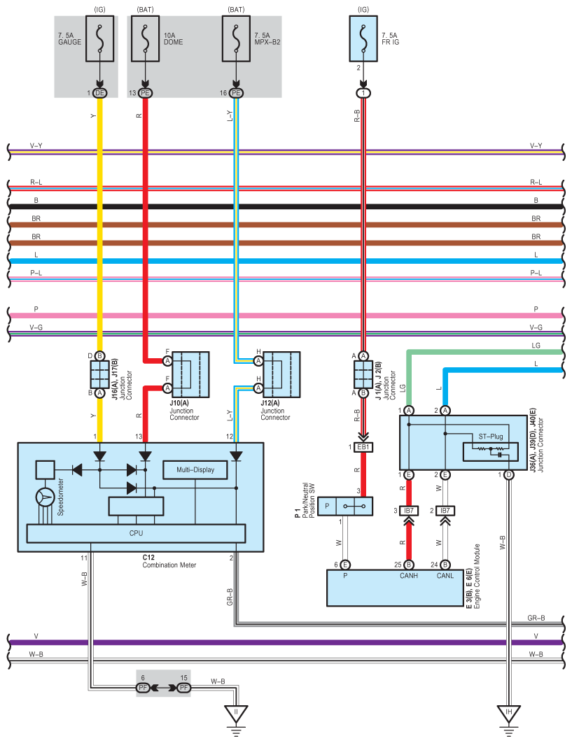
Fig 1: Smart Key System, Theft Deterrent And Key Reminder System Wiring Diagram (1 Of 12)
G08913774Courtesy of © TOYOTA, LICENSE AGREEMENT TMS1002
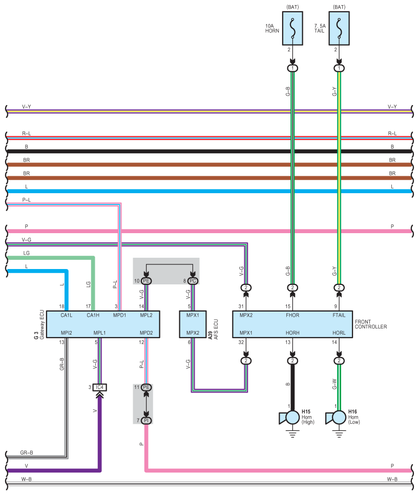
Fig 2: Smart Key System, Theft Deterrent And Key Reminder System Wiring Diagram (2 Of 12)
G08913775Courtesy of © TOYOTA, LICENSE AGREEMENT TMS1002
Fig 3: Smart Key System, Theft Deterrent And Key Reminder System Wiring Diagram (3 Of 12)
G08913776Courtesy of © TOYOTA, LICENSE AGREEMENT TMS1002
Fig 4: Smart Key System, Theft Deterrent And Key Reminder System Wiring Diagram (4 Of 12)
G08913777Courtesy of © TOYOTA, LICENSE AGREEMENT TMS1002
Fig 5: Smart Key System, Theft Deterrent And Key Reminder System Wiring Diagram (5 Of 12)
G08913778Courtesy of © TOYOTA, LICENSE AGREEMENT TMS1002
Fig 6: Smart Key System, Theft Deterrent And Key Reminder System Wiring Diagram (6 Of 12)
G08913779Courtesy of © TOYOTA, LICENSE AGREEMENT TMS1002
Fig 7: Smart Key System, Theft Deterrent And Key Reminder System Wiring Diagram (7 Of 12)
G08913780Courtesy of © TOYOTA, LICENSE AGREEMENT TMS1002
Fig 8: Smart Key System, Theft Deterrent And Key Reminder System Wiring Diagram (8 Of 12)
G08913781Courtesy of © TOYOTA, LICENSE AGREEMENT TMS1002
Fig 9: Smart Key System, Theft Deterrent And Key Reminder System Wiring Diagram (9 Of 12)
G08913782Courtesy of © TOYOTA, LICENSE AGREEMENT TMS1002
Fig 10: Smart Key System, Theft Deterrent And Key Reminder System Wiring Diagram (10 Of 12)
G08913783Courtesy of © TOYOTA, LICENSE AGREEMENT TMS1002
Fig 11: Smart Key System, Theft Deterrent And Key Reminder System Wiring Diagram (11 Of 12)
G08913784Courtesy of © TOYOTA, LICENSE AGREEMENT TMS1002
Fig 12: Smart Key System, Theft Deterrent And Key Reminder System Wiring Diagram (12 Of 12)
G08913785Courtesy of © TOYOTA, LICENSE AGREEMENT TMS1002