LEMON Manuals: Even more car manuals for everyone: 1960-2025
Home >> Lexus >> 2006 >> LS 430 >> Repair and Diagnosis >> Electrical >> Body Electrical >> OEM System Circuits >> Taillight >> Notes
April 5, 2026: LEMON Manuals is launched! Read the announcement.

OEM System Circuits: Taillight: Notes

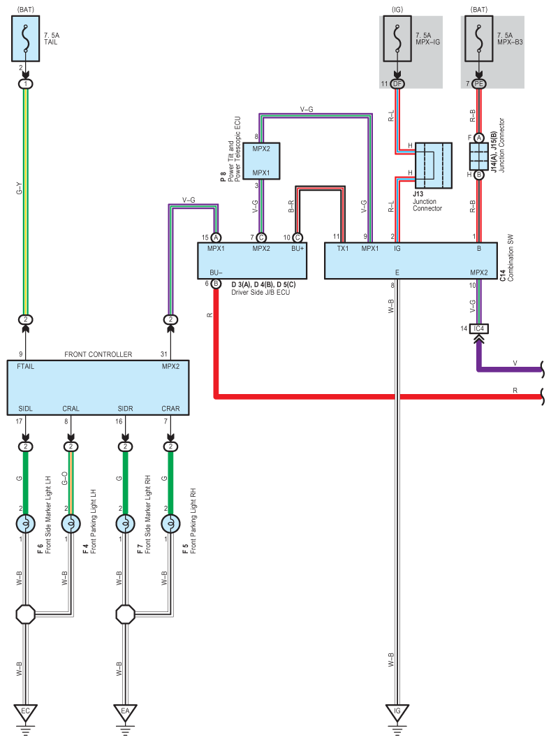
Fig 1: Taillight System Wiring Diagram (1 Of 4)
G08913747Courtesy of © TOYOTA, LICENSE AGREEMENT TMS1002
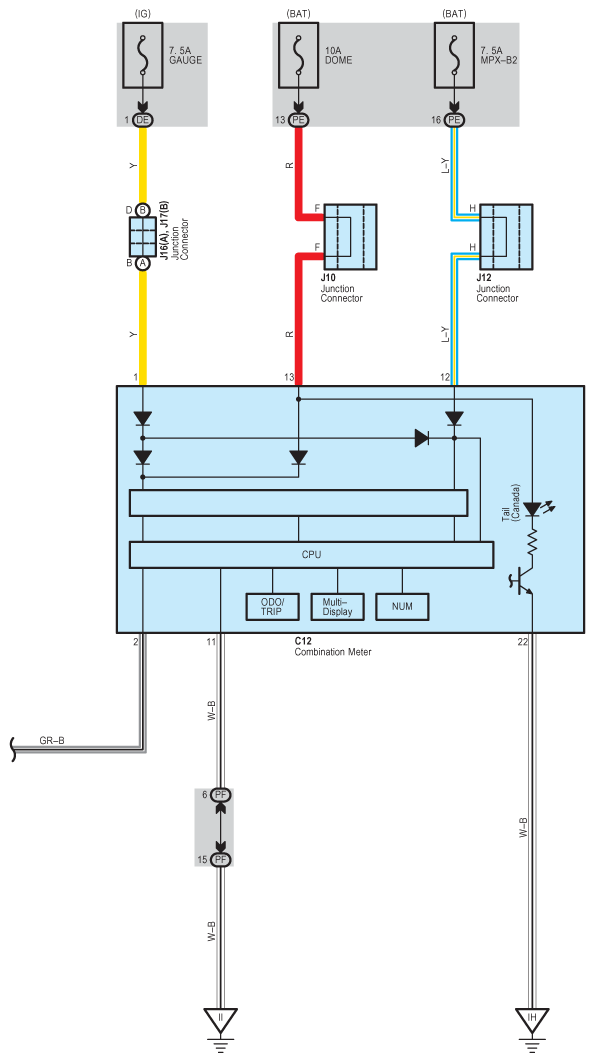
Fig 2: Taillight System Wiring Diagram (2 Of 4)
G08913748Courtesy of © TOYOTA, LICENSE AGREEMENT TMS1002
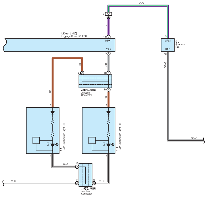
Fig 3: Taillight System Wiring Diagram (3 Of 4)
G08913749Courtesy of © TOYOTA, LICENSE AGREEMENT TMS1002
Fig 4: Taillight System Wiring Diagram (4 Of 4)
G08913750Courtesy of © TOYOTA, LICENSE AGREEMENT TMS1002