LEMON Manuals: Even more car manuals for everyone: 1960-2025
Home >> Lexus >> 2006 >> LS 430 >> Repair and Diagnosis >> Engine Performance >> Fuel Delivery >> Fuel >> Fuel System >> System Diagram
April 5, 2026: LEMON Manuals is launched! Read the announcement.

System Diagram

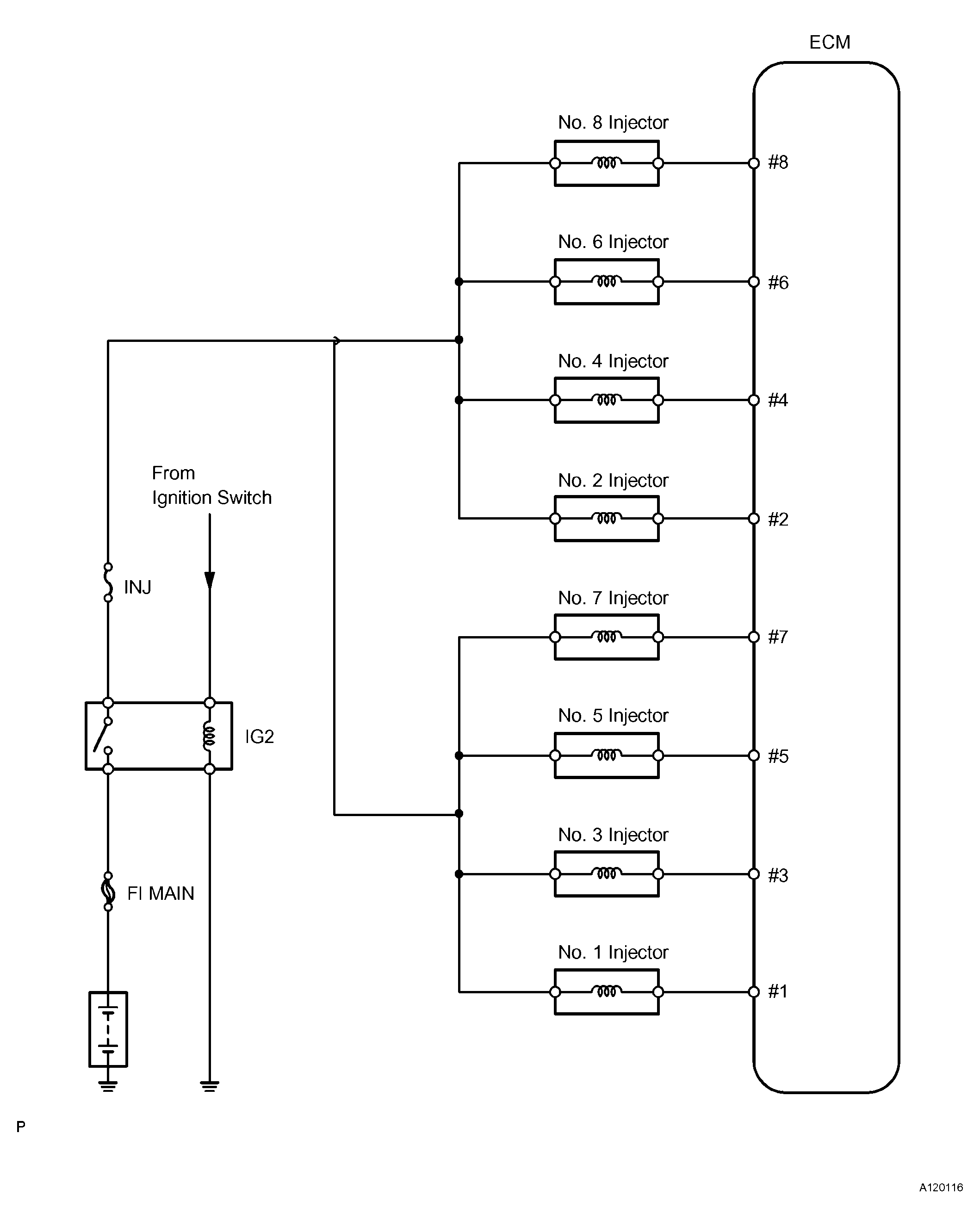
Fig 1: Fuel System - System Diagram (1 Of 3)
G04059719Courtesy of © TOYOTA, LICENSE AGREEMENT TMS1002

Fuel system is determined by the ECM based on signals from various sensors.

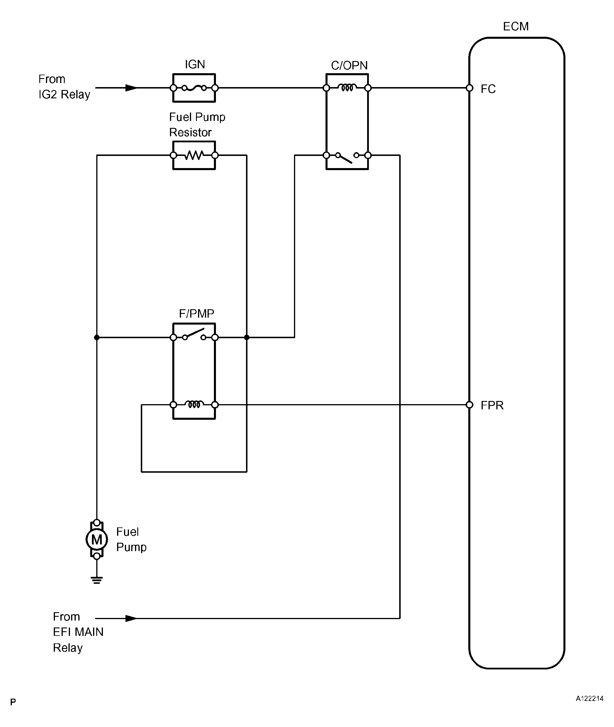
Fig 2: Fuel System - System Diagram (2 Of 3)
G04059720Courtesy of © TOYOTA, LICENSE AGREEMENT TMS1002
Fig 3: Fuel System - System Diagram (3 Of 3)
G04059721Courtesy of © TOYOTA, LICENSE AGREEMENT TMS1002