LEMON Manuals: Even more car manuals for everyone: 1960-2025
Home >> Lexus >> 2006 >> LS 430 >> Repair and Diagnosis >> Engine Performance >> System >> SFI System - Diagnostics >> Fuel Pump Control Circuit >> Circuit Description
April 5, 2026: LEMON Manuals is launched! Read the announcement.

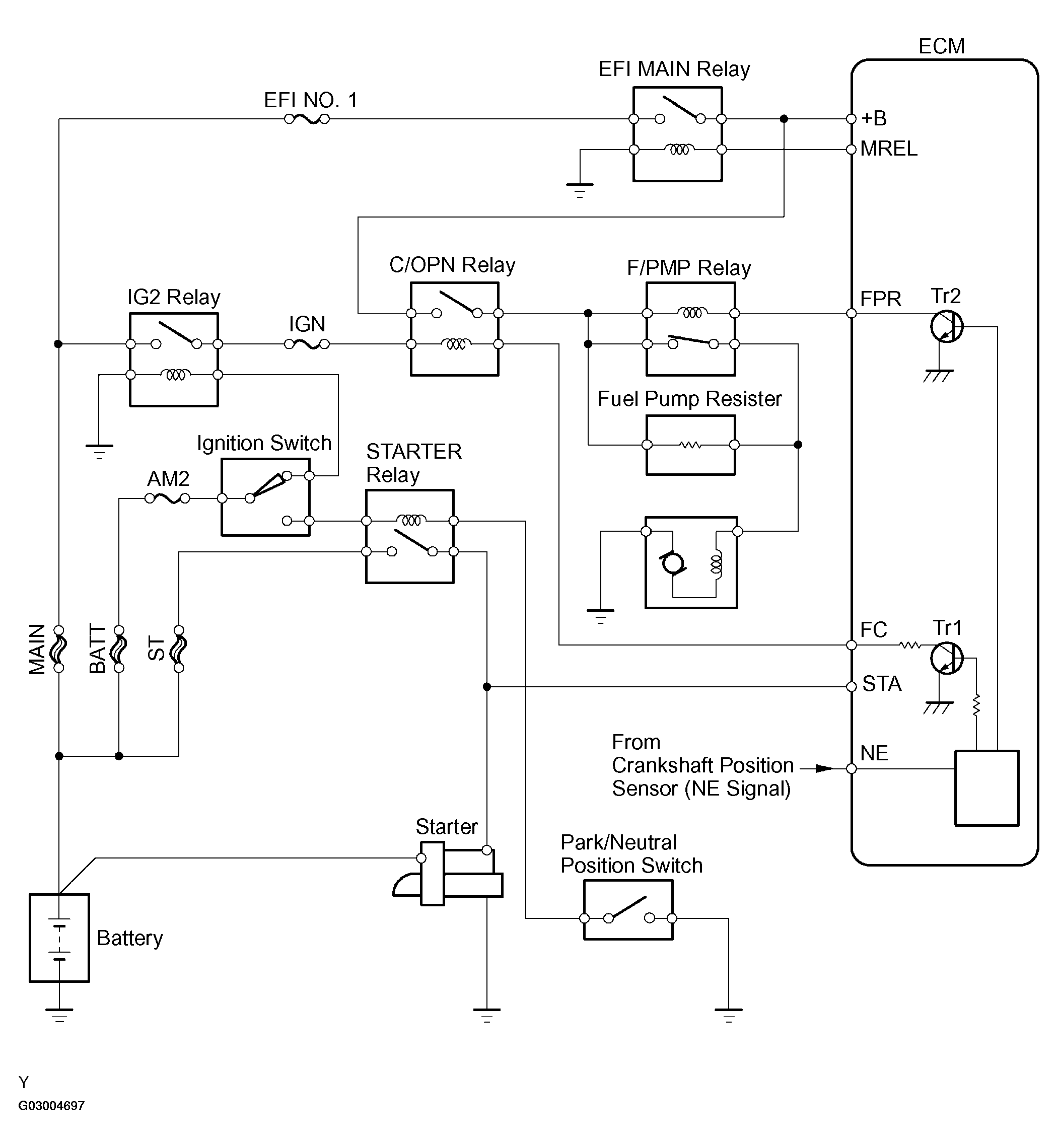
Circuit Description

When the engine is cranked, current flows from terminal ST of the ignition switch to the starter relay coil and also current flows to terminal STA of the ECM (STA signal). When the STA signal and NE signal are input to the ECM, Transistor 1 (Tr1) of the ECM is turned ON, current flows to the coil of the circuit opening relay (Marking C/OPN), the relay switches on, power is supplied to the fuel pump, and the fuel pump operates. While the NE signal is generated (engine running), the ECM keeps Tr1 ON (circuit opening relay ON) and the fuel pump also keeps operating. The fuel pump speed is controlled at two levels (high speed or low speed) by the condition of the engine (starting, light load, heavy load).

The fuel pump operates at high speed when: 1) the engine starts and the STA signal is ON; and 2) Transistor 2 (Tr2) of the ECM is OFF, causing the fuel pump relay (Marking: F/PMP) to close and battery positive voltage to be applied directly to the fuel pump.

The fuel pump operates at low speed when: 1)after the engine starts, the engine is idling or has a light load; and 2) since the ECM's Tr2 is ON, battery positive voltage is applied to the fuel pump via the fuel pump resistor.

Fig 1: Fuel Pump Control Circuit Description
G03004697Courtesy of © TOYOTA, LICENSE AGREEMENT TMS1002