LEMON Manuals: Even more car manuals for everyone: 1960-2025
Home >> Lexus >> 2006 >> LX 470 V8-4.7L (2UZ-FE) >> Repair and Diagnosis >> Heating and Air Conditioning >> Control Assembly >> Diagrams >> Exploded Views
April 5, 2026: LEMON Manuals is launched! Read the announcement.

Exploded Views

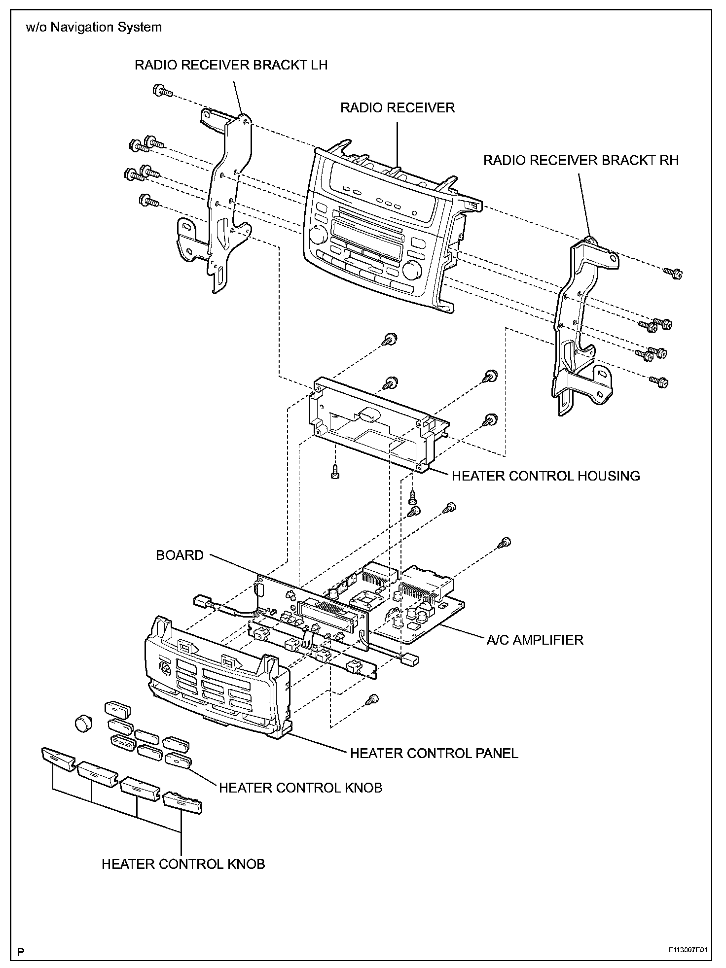
Air Conditioning Control Assembly:



Air Conditioning Control Assembly:



Air Conditioning Control Assembly:



Rear Cooler Control Panel: