LEMON Manuals: Even more car manuals for everyone: 1960-2025
Home >> Lexus >> 2006 >> LX 470 >> Repair and Diagnosis >> Electrical >> Body Electrical >> OEM System Circuits >> Auto Antenna >> Notes
April 5, 2026: LEMON Manuals is launched! Read the announcement.

Auto Antenna: Notes

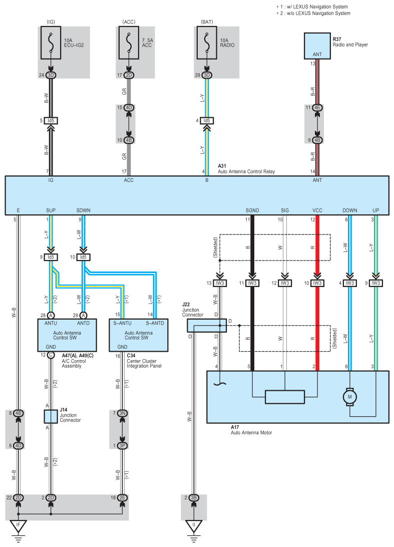
Fig 1: Auto Antenna - Circuit Diagram
G08928256Courtesy of © TOYOTA, LICENSE AGREEMENT TMS1002