LEMON Manuals: Even more car manuals for everyone: 1960-2025
Home >> Lexus >> 2006 >> LX 470 >> Repair and Diagnosis >> Electrical >> Body Electrical >> OEM System Circuits >> Front Wiper and Washer >> Notes
April 5, 2026: LEMON Manuals is launched! Read the announcement.

Front Wiper and Washer: Notes

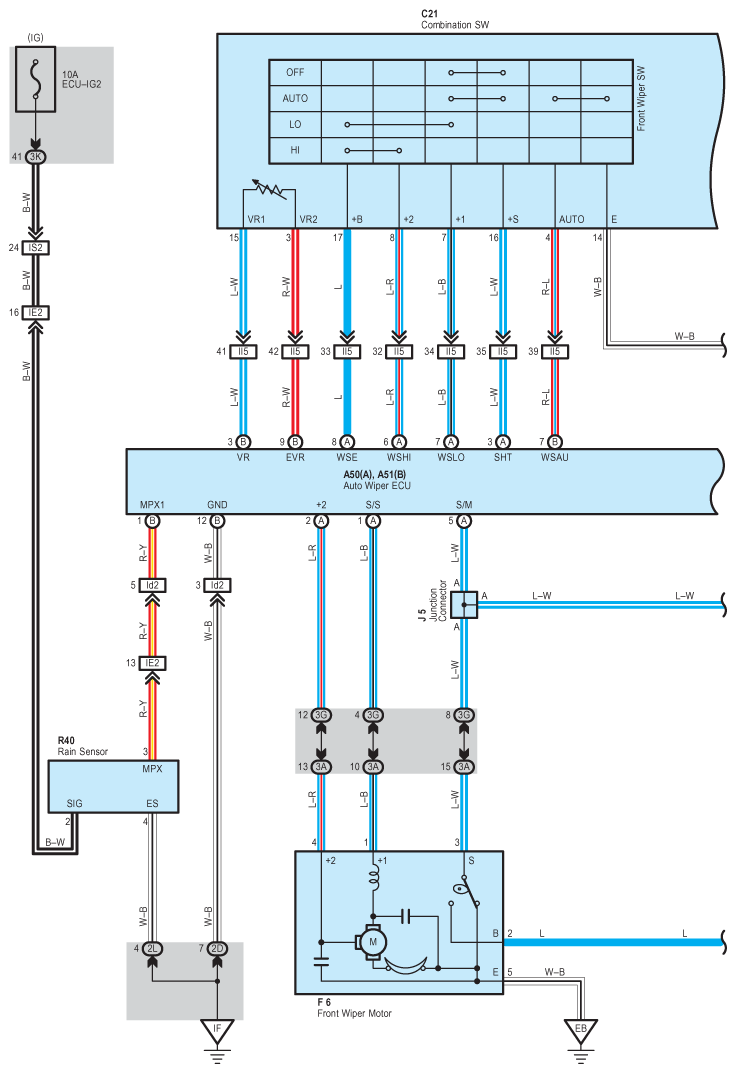
Fig 1: Front Wiper And Washer - Wiring Diagram (1 Of 4)
G08928148Courtesy of © TOYOTA, LICENSE AGREEMENT TMS1002
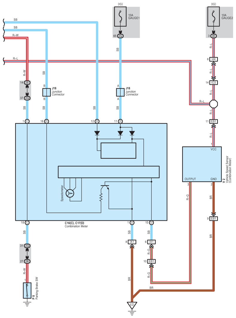
Fig 2: Front Wiper And Washer - Wiring Diagram (2 Of 4)
G08928149Courtesy of © TOYOTA, LICENSE AGREEMENT TMS1002
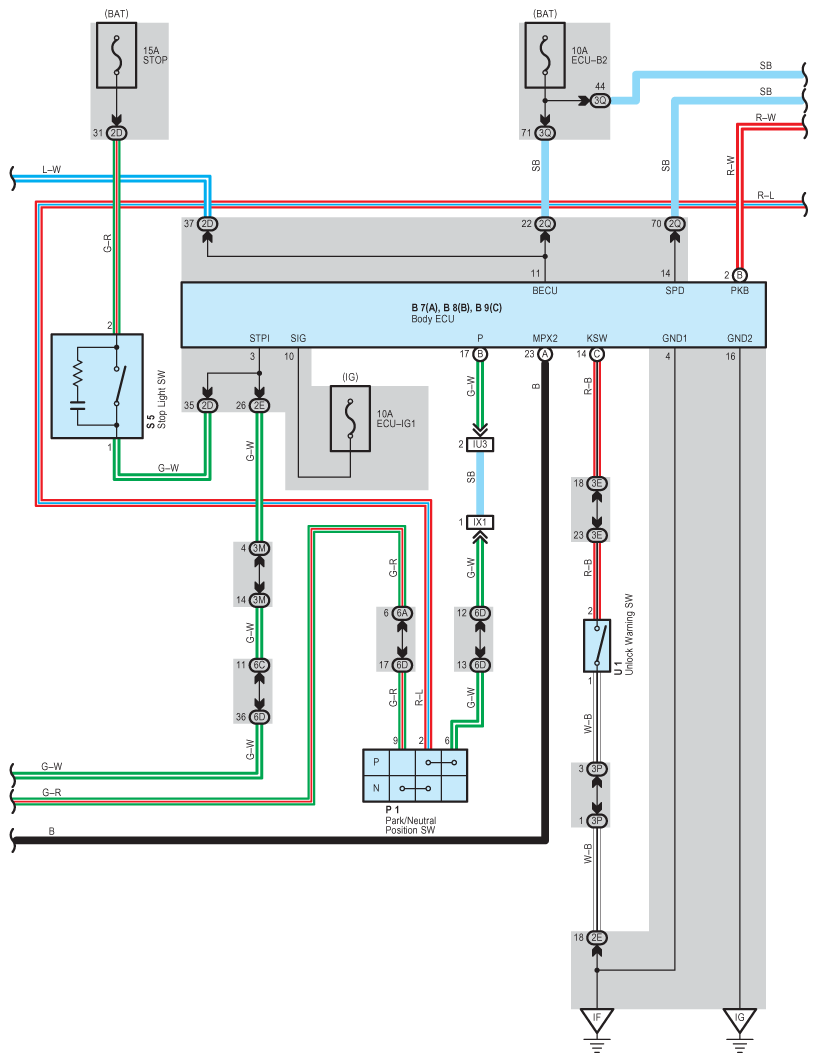
Fig 3: Front Wiper And Washer - Wiring Diagram (3 Of 4)
G08928150Courtesy of © TOYOTA, LICENSE AGREEMENT TMS1002
Fig 4: Front Wiper And Washer - Wiring Diagram (4 Of 4)
G08928151Courtesy of © TOYOTA, LICENSE AGREEMENT TMS1002