LEMON Manuals: Even more car manuals for everyone: 1960-2025
Home >> Lexus >> 2006 >> LX 470 >> Repair and Diagnosis >> Electrical >> Body Electrical >> OEM System Circuits >> Headlight with Daytime Running Light >> Notes
April 5, 2026: LEMON Manuals is launched! Read the announcement.

Headlight with Daytime Running Light: Notes

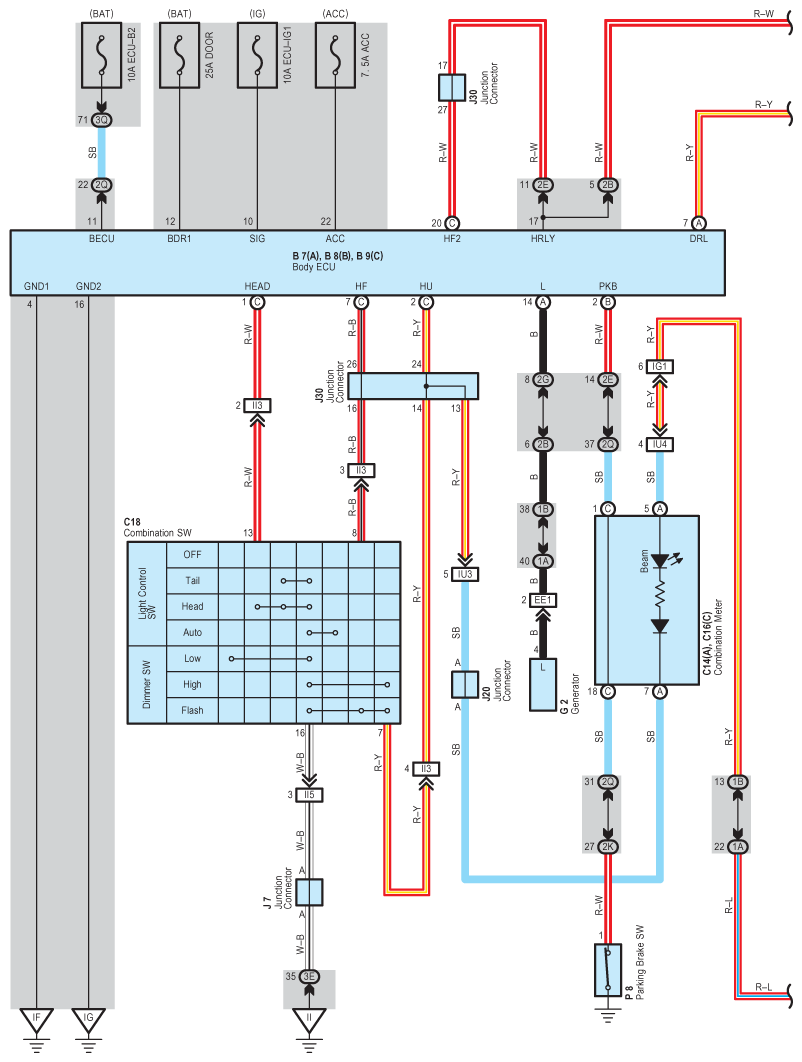
Fig 1: Headlight With Daytime Running Light - Wiring Diagram (1 Of 2)
G08928085Courtesy of © TOYOTA, LICENSE AGREEMENT TMS1002
Fig 2: Headlight With Daytime Running Light - Wiring Diagram (2 Of 2)
G08928086Courtesy of © TOYOTA, LICENSE AGREEMENT TMS1002