LEMON Manuals: Even more car manuals for everyone: 1960-2025
Home >> Lexus >> 2006 >> LX 470 >> Repair and Diagnosis >> Electrical >> Body Electrical >> OEM System Circuits >> Mirror Heater >> Notes
April 5, 2026: LEMON Manuals is launched! Read the announcement.

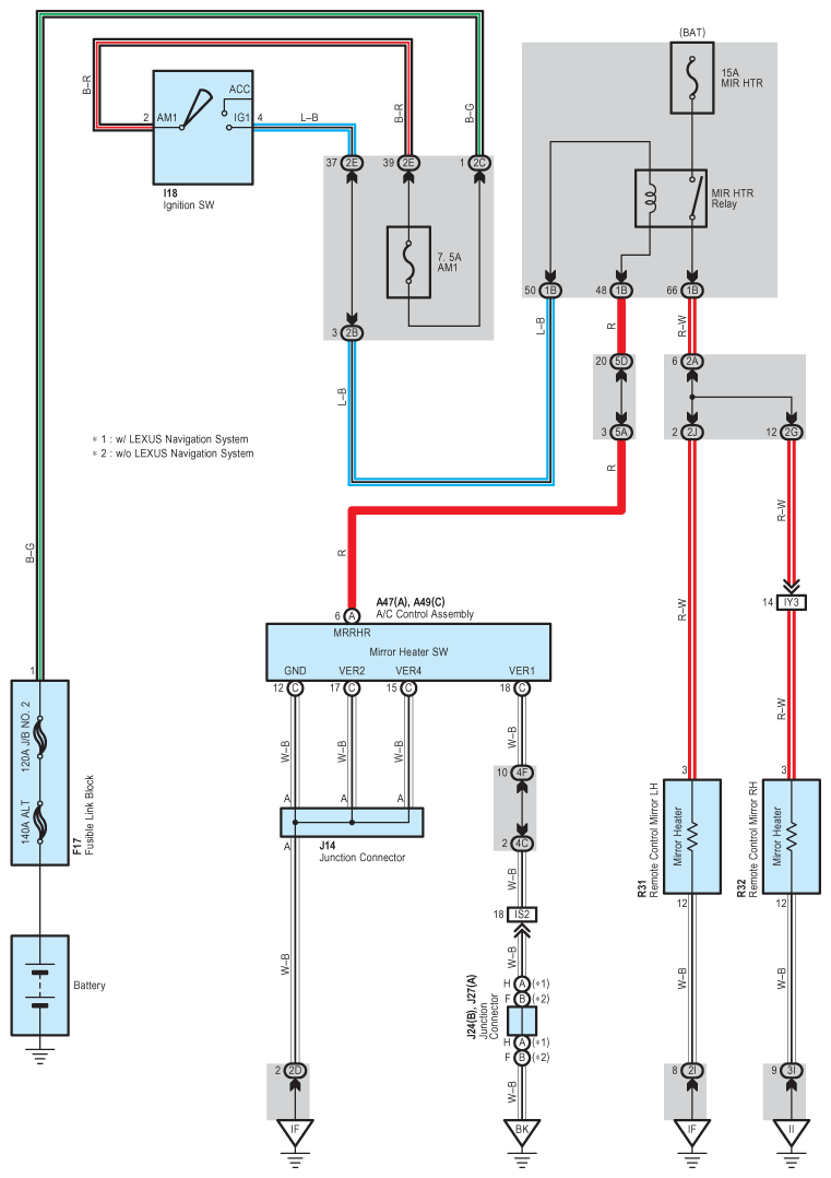
Mirror Heater: Notes

Fig 1: Mirror Heater - Circuit Diagram
G08928233Courtesy of © TOYOTA, LICENSE AGREEMENT TMS1002