LEMON Manuals: Even more car manuals for everyone: 1960-2025
Home >> Lexus >> 2006 >> LX 470 >> Repair and Diagnosis >> Electrical >> Body Electrical >> OEM System Circuits >> Shift Lock >> Notes
April 5, 2026: LEMON Manuals is launched! Read the announcement.

Shift Lock: Notes

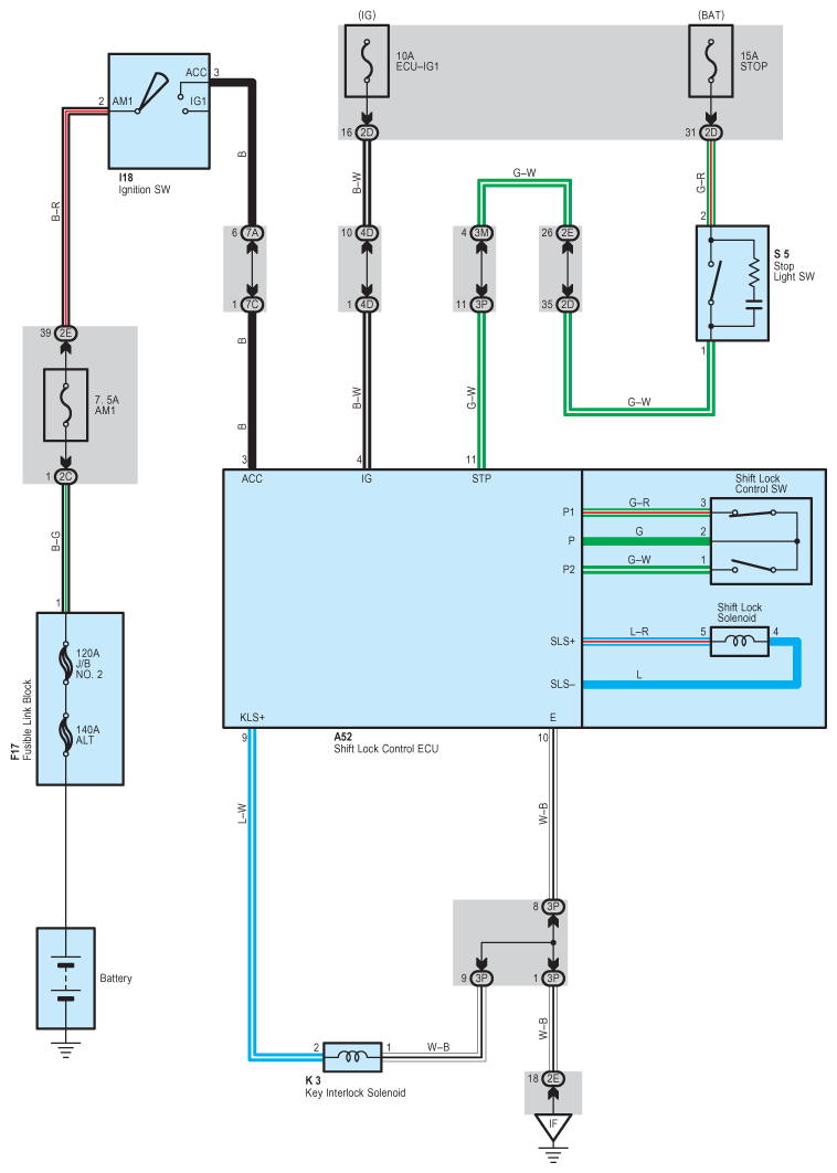
Fig 1: Shift Lock - Circuit Diagram
G08928190Courtesy of © TOYOTA, LICENSE AGREEMENT TMS1002
  1. Shift Lock Mechanism 

    When the brake pedal is depressed with the ignition SW is turned on (Stop light SW on), the shift lock control ECU is activated and allows the driver to change the shift lever to a position other than P position.

  2. Key Interlock Mechanism 

    When the ignition SW is turned on and the shift lever is at a position other than P position, shift lock control ECU is activated to flow current to the key interlock solenoid. This inhibits to turn the ignition SW from on to OFF position.