LEMON Manuals: Even more car manuals for everyone: 1960-2025
Home >> Lexus >> 2006 >> RX 330 AWD >> Repair and Diagnosis >> Accessories & Equipment >> Infotainment >> Navigation >> Navigation System >> Display Signal Circuit between Navigation ECU and Multi-display Controller >> Wiring Diagram
April 5, 2026: LEMON Manuals is launched! Read the announcement.

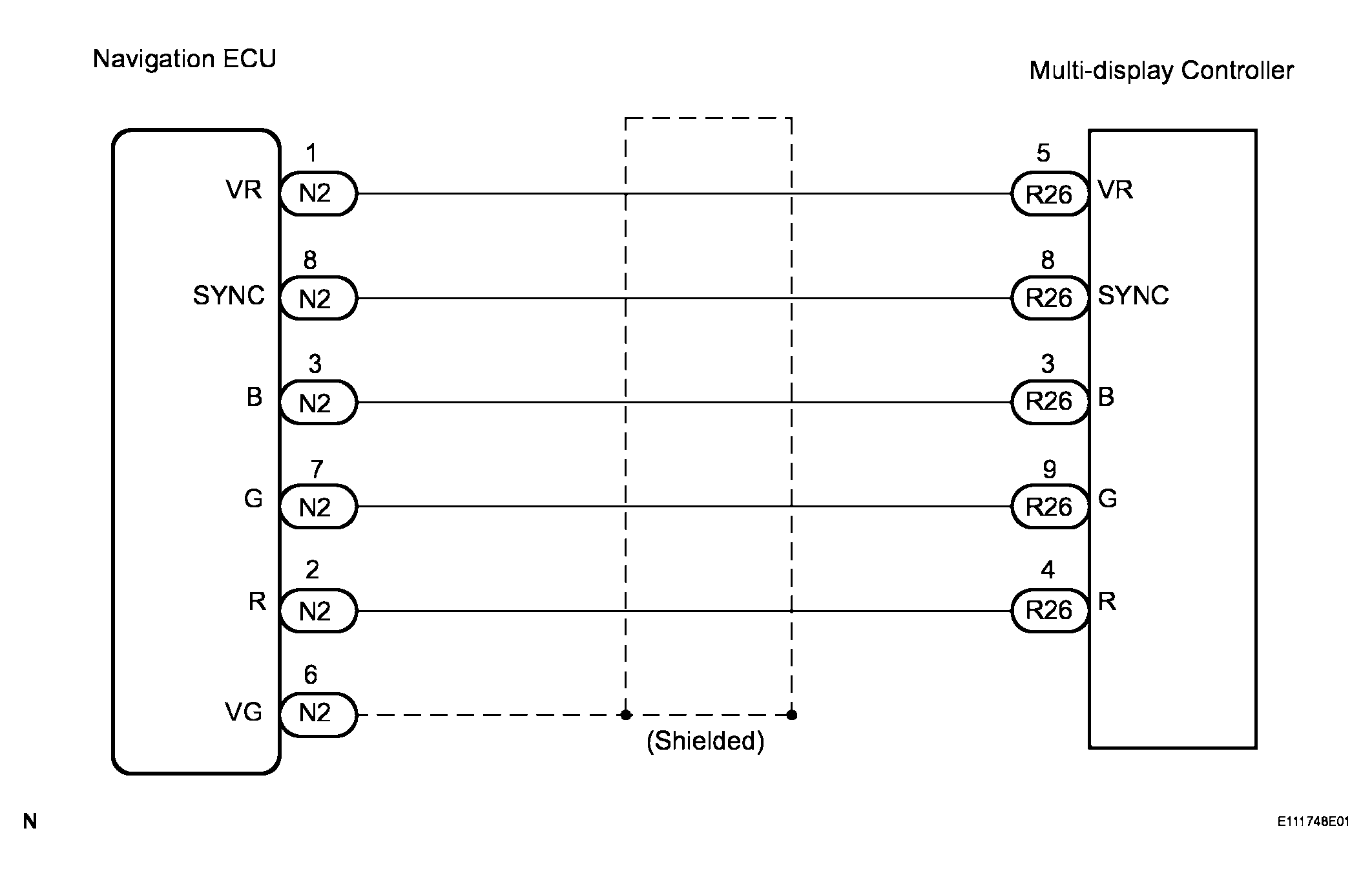
Display Signal Circuit between Navigation ECU and Multi-display Controller: Wiring Diagram

Fig 1: Display Signal Circuit Between Navigation ECU And Multi-Display Controller - Wiring Diagram
G04093018Courtesy of © TOYOTA, LICENSE AGREEMENT TMS1002