LEMON Manuals: Even more car manuals for everyone: 1960-2025
Home >> Lexus >> 2006 >> RX 330 AWD >> Repair and Diagnosis >> Accessories & Equipment >> Infotainment >> Navigation >> Navigation System >> Multi-display Power Source Circuit >> Wiring Diagram
April 5, 2026: LEMON Manuals is launched! Read the announcement.

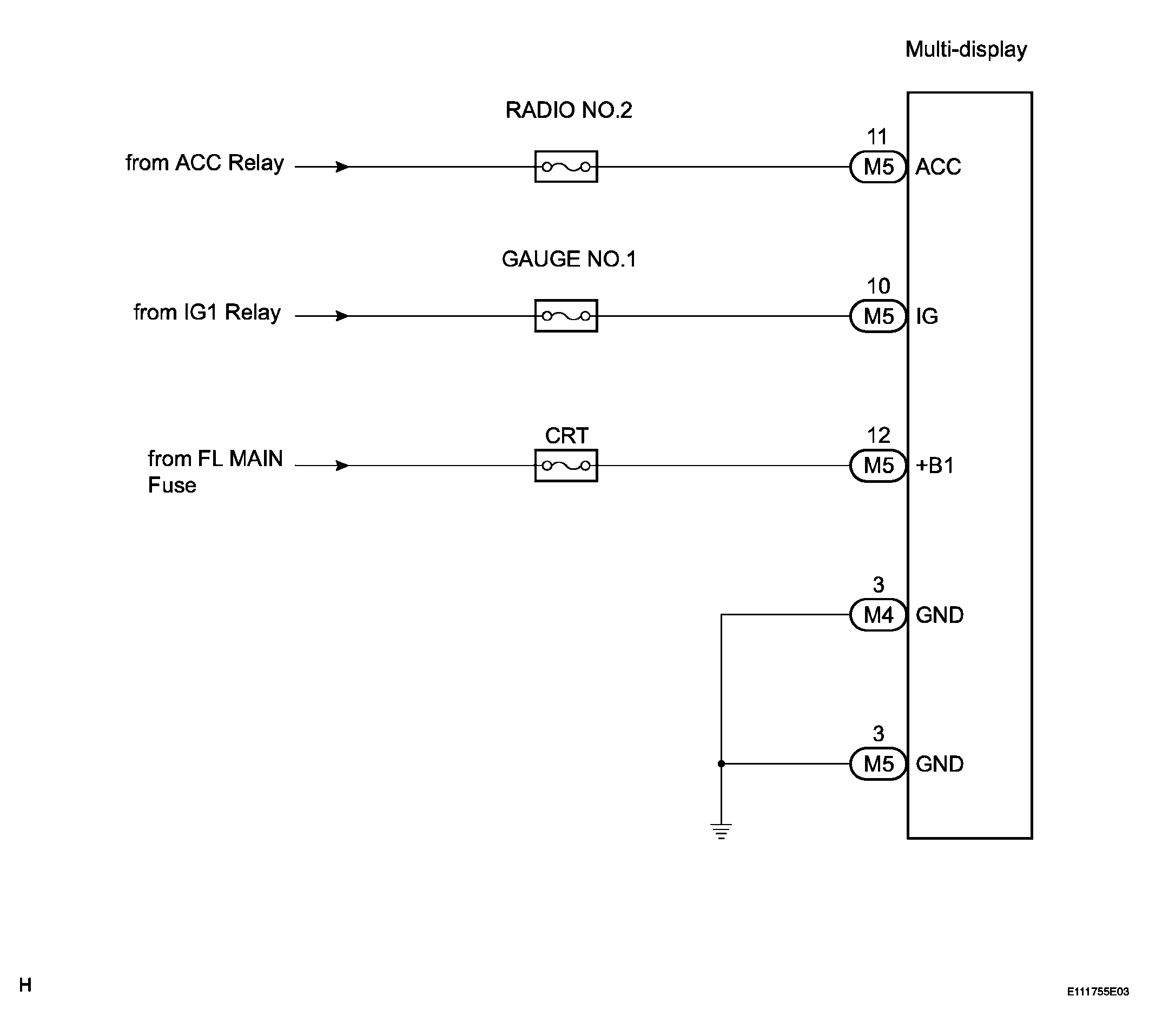
Multi-display Power Source Circuit: Wiring Diagram

Fig 1: Multi-display Power Source Circuit - Wiring Diagram
G04093065Courtesy of © TOYOTA, LICENSE AGREEMENT TMS1002