LEMON Manuals: Even more car manuals for everyone: 1960-2025
Home >> Lexus >> 2006 >> RX 330 AWD >> Repair and Diagnosis >> External Pages >> Different car >> Section 52 (Front Power Seat Control System (W/Memory)) >> Ecu Power Source Circuit >> Wiring Diagram
April 5, 2026: LEMON Manuals is launched! Read the announcement.

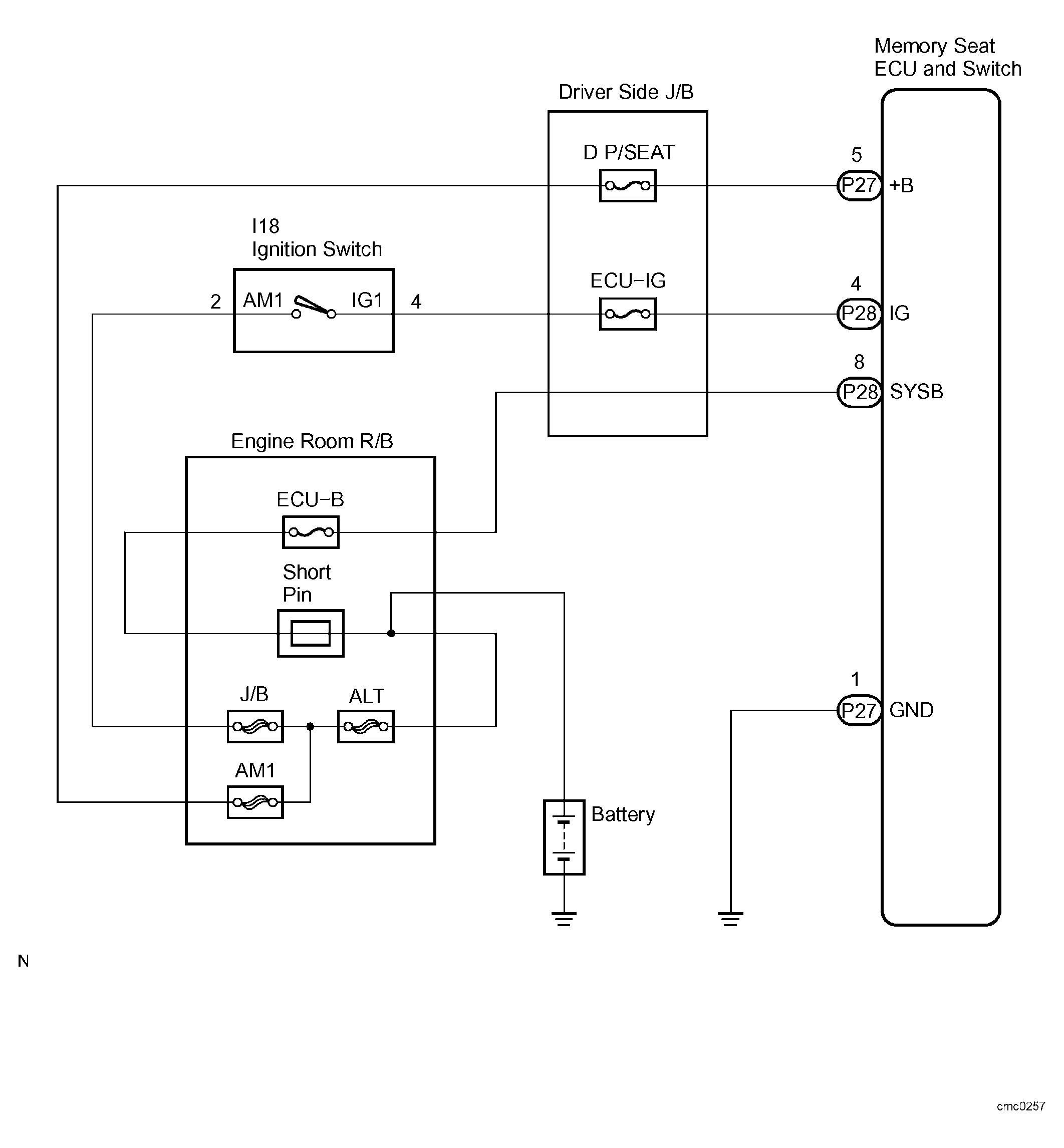
Ecu Power Source Circuit: Wiring Diagram

WARNING: This page is about a different car, the 2006 Toyota 4Runner. However, it is still accessible from the selected car via links, so may be relevant.
Fig 1: ECU Power Source Circuit - Wiring Diagram
G04337623Courtesy of © TOYOTA, LICENSE AGREEMENT TMS1002