LEMON Manuals: Even more car manuals for everyone: 1960-2025
Home >> Lexus >> 2006 >> RX 330 FWD >> Repair and Diagnosis >> Electrical >> Body Electrical >> OEM System Circuits >> Front Window Deicer >> Notes
April 5, 2026: LEMON Manuals is launched! Read the announcement.

Front Window Deicer: Notes

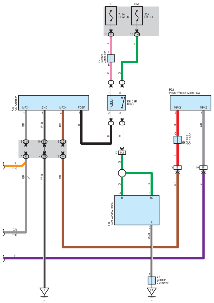
Fig 1: Front Window Deicer - Wiring Diagram (1 Of 2)
G08929110Courtesy of © TOYOTA, LICENSE AGREEMENT TMS1002
Fig 2: Front Window Deicer - Wiring Diagram (2 Of 2)
G08929111Courtesy of © TOYOTA, LICENSE AGREEMENT TMS1002