LEMON Manuals: Even more car manuals for everyone: 1960-2025
Home >> Lexus >> 2006 >> RX 330 FWD >> Repair and Diagnosis >> Electrical >> Body Electrical >> OEM System Circuits >> Mirror Heater without Memory >> Notes
April 5, 2026: LEMON Manuals is launched! Read the announcement.

Mirror Heater without Memory: Notes

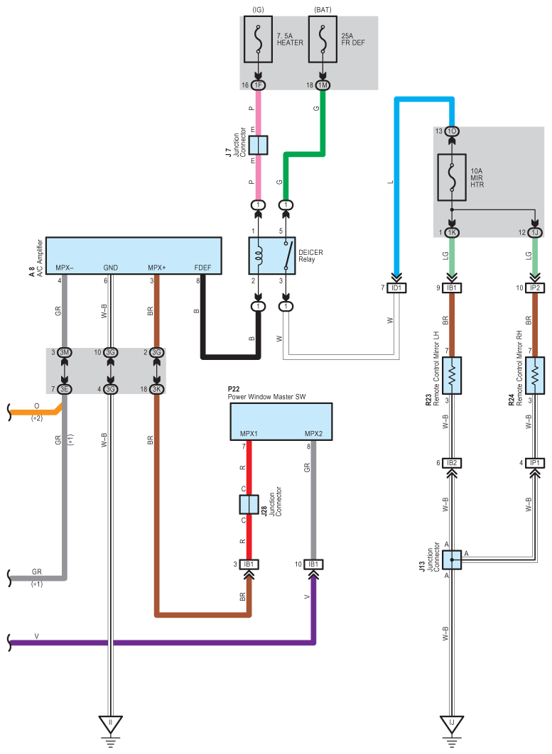
Fig 1: Mirror Heater Without Memory - Wiring Diagram (1 Of 2)
G08929121Courtesy of © TOYOTA, LICENSE AGREEMENT TMS1002
Fig 2: Mirror Heater Without Memory - Wiring Diagram (2 Of 2)
G08929122Courtesy of © TOYOTA, LICENSE AGREEMENT TMS1002