LEMON Manuals: Even more car manuals for everyone: 1960-2025
Home >> Lexus >> 2006 >> RX 330 FWD >> Repair and Diagnosis >> Electrical >> Body Electrical >> OEM System Circuits >> Multiplex Communication System - CAN >> Notes
April 5, 2026: LEMON Manuals is launched! Read the announcement.

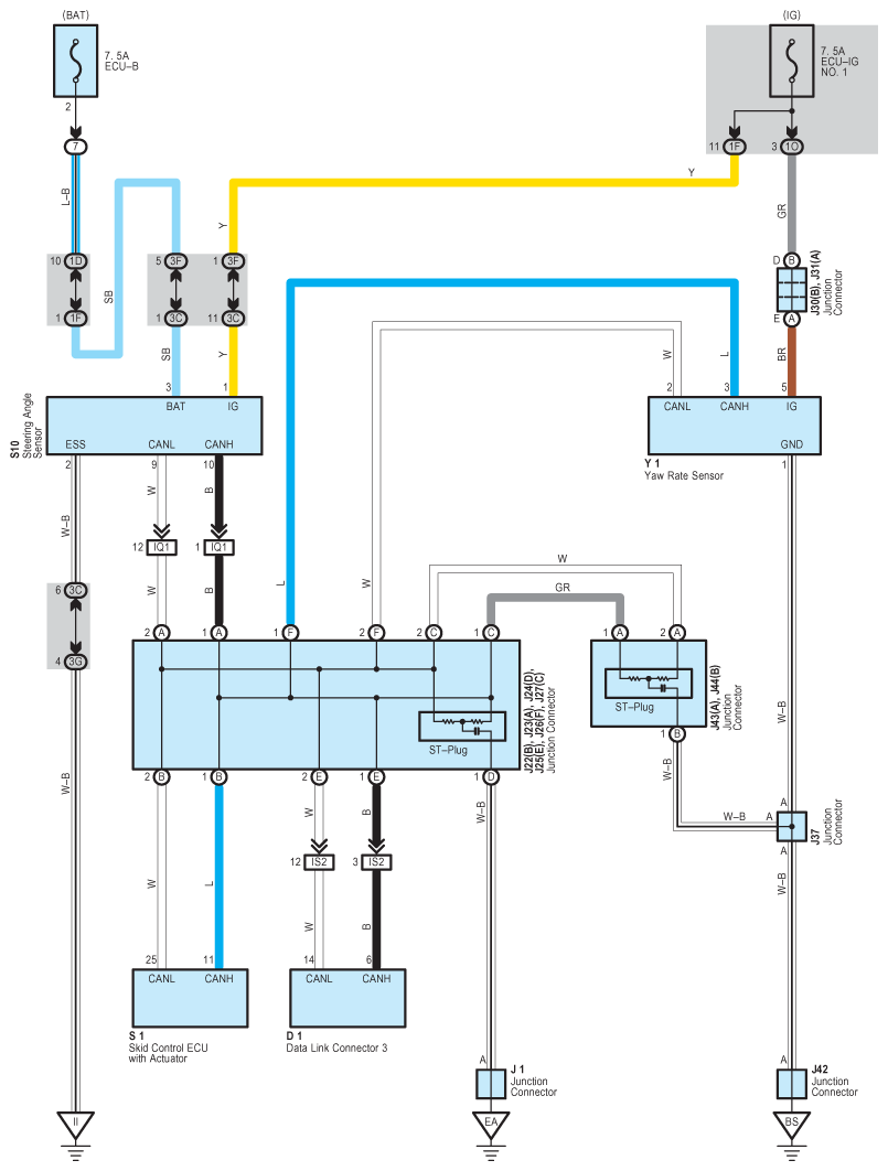
Multiplex Communication System - CAN: Notes

Fig 1: Multiplex Communication System - CAN - Wiring Diagram
G08929003Courtesy of © TOYOTA, LICENSE AGREEMENT TMS1002