LEMON Manuals: Even more car manuals for everyone: 1960-2025
Home >> Lexus >> 2006 >> RX 330 FWD >> Repair and Diagnosis >> Engine Performance >> Engine Control System (3MZ-FE) >> SFI System >> Active Control Engine Mount System >> Wiring Diagram
April 5, 2026: LEMON Manuals is launched! Read the announcement.

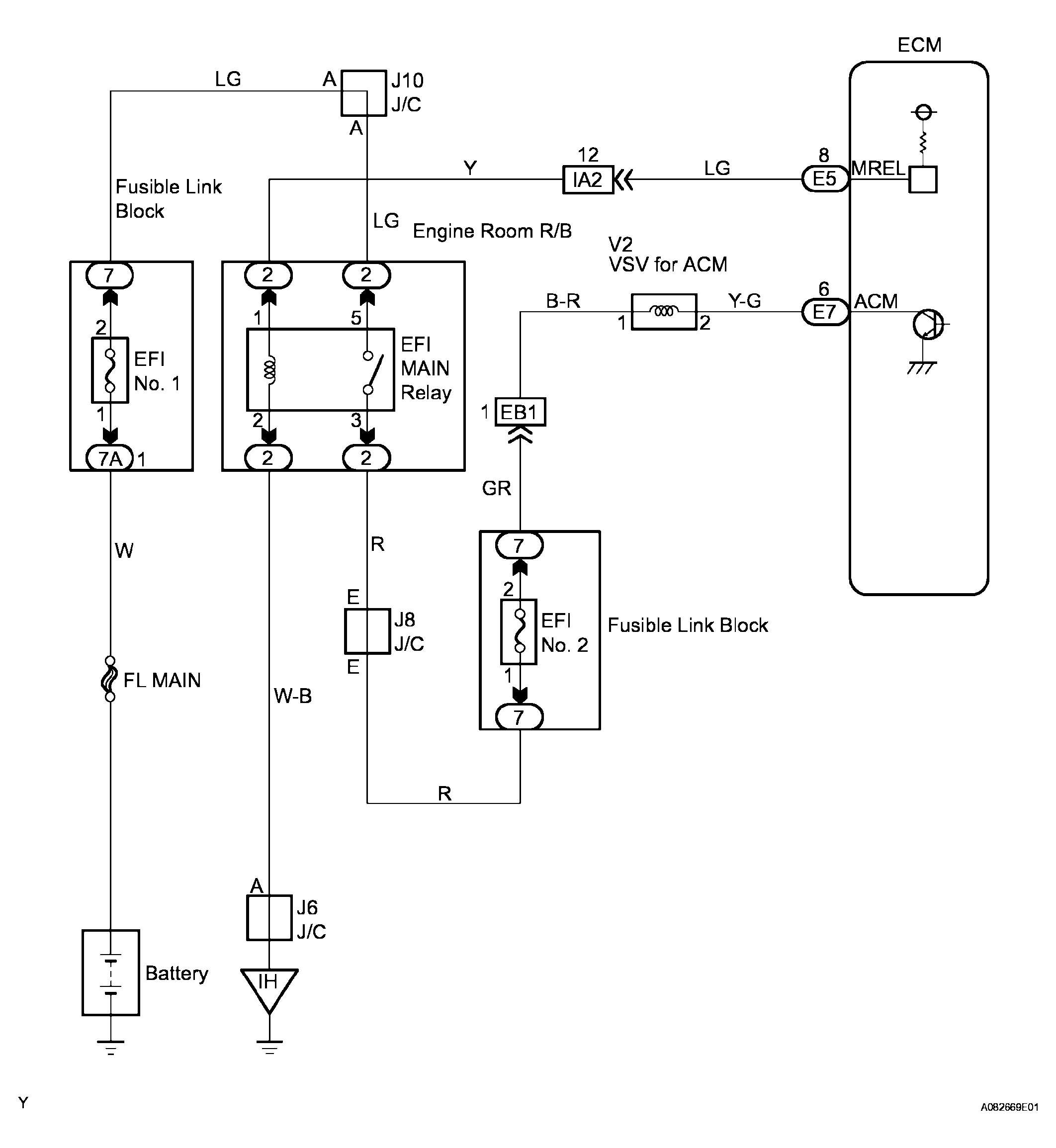
Active Control Engine Mount System: Wiring Diagram

Fig 1: Active Control Engine Mount System Wiring Diagram
G04087394Courtesy of © TOYOTA, LICENSE AGREEMENT TMS1002