LEMON Manuals: Even more car manuals for everyone: 1960-2025
Home >> Lexus >> 2006 >> RX 400h AWD V6-3.3L (3MZ-FE) Hybrid >> Repair and Diagnosis >> Powertrain Management >> Computers and Control Systems >> Relays and Modules - Computers and Control Systems >> Main Relay (Computer/Fuel System) >> Testing and Inspection
April 5, 2026: LEMON Manuals is launched! Read the announcement.

Main Relay (Computer/Fuel System): Testing and Inspection

INSPECTION

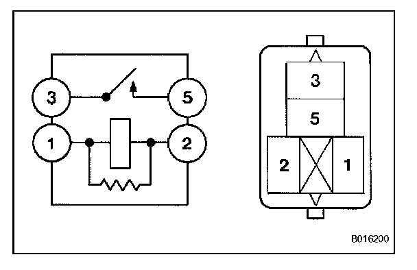
INSPECT CIRCUIT OPENING RELAY







Using an ohmmeter, measure the resistance according to the value(s) in the table.

If the result is not as specified, replace the relay.