LEMON Manuals: Even more car manuals for everyone: 1960-2025
Home >> Lexus >> 2006 >> RX 400h AWD >> Repair and Diagnosis (Single Page) >> Electrical >> Body Electrical >> OEM System Circuits >> Brake Control System >> Notes
April 5, 2026: LEMON Manuals is launched! Read the announcement.

Brake Control System: Notes

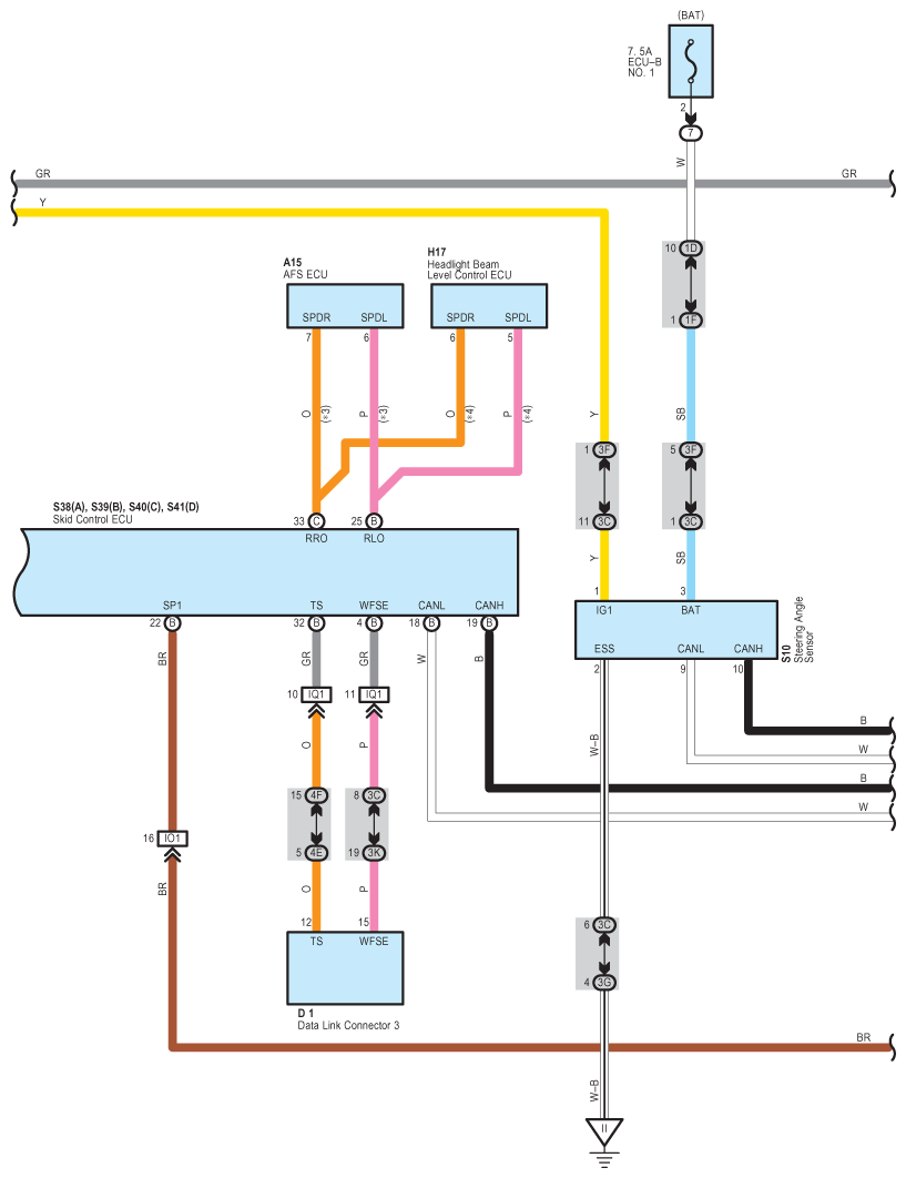
Fig 1: Brake Control System Wiring Diagram (1 Of 10)
G08914731Courtesy of © TOYOTA, LICENSE AGREEMENT TMS1002
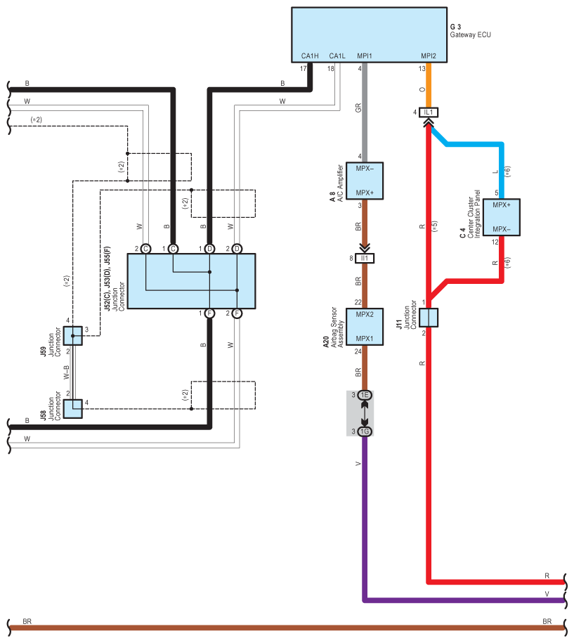
Fig 2: Brake Control System Wiring Diagram (2 Of 10)
G08914732Courtesy of © TOYOTA, LICENSE AGREEMENT TMS1002
Fig 3: Brake Control System Wiring Diagram (3 Of 10)
G08914733Courtesy of © TOYOTA, LICENSE AGREEMENT TMS1002
Fig 4: Brake Control System Wiring Diagram (4 Of 10)
G08914734Courtesy of © TOYOTA, LICENSE AGREEMENT TMS1002
Fig 5: Brake Control System Wiring Diagram (5 Of 10)
G08914735Courtesy of © TOYOTA, LICENSE AGREEMENT TMS1002
Fig 6: Brake Control System Wiring Diagram (6 Of 10)
G08914736Courtesy of © TOYOTA, LICENSE AGREEMENT TMS1002
Fig 7: Brake Control System Wiring Diagram (7 Of 10)
G08914737Courtesy of © TOYOTA, LICENSE AGREEMENT TMS1002
Fig 8: Brake Control System Wiring Diagram (8 Of 10)
G08914738Courtesy of © TOYOTA, LICENSE AGREEMENT TMS1002
Fig 9: Brake Control System Wiring Diagram (9 Of 10)
G08914739Courtesy of © TOYOTA, LICENSE AGREEMENT TMS1002
Fig 10: Brake Control System Wiring Diagram (10 Of 10)
G08914740Courtesy of © TOYOTA, LICENSE AGREEMENT TMS1002