LEMON Manuals: Even more car manuals for everyone: 1960-2025
Home >> Lexus >> 2006 >> RX 400h AWD >> Repair and Diagnosis >> Electrical >> Body Electrical >> OEM System Circuits >> Illumination >> Notes
April 5, 2026: LEMON Manuals is launched! Read the announcement.

OEM System Circuits: Illumination: Notes

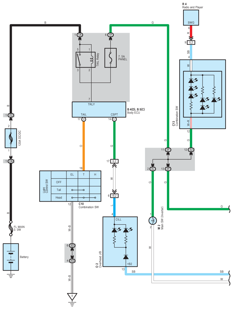
Fig 1: Illumination Wiring Diagram (1 Of 4)
G08914765Courtesy of © TOYOTA, LICENSE AGREEMENT TMS1002
Fig 2: Illumination Wiring Diagram (2 Of 4)
G08914766Courtesy of © TOYOTA, LICENSE AGREEMENT TMS1002
Fig 3: Illumination Wiring Diagram (3 Of 4)
G08914767Courtesy of © TOYOTA, LICENSE AGREEMENT TMS1002
Fig 4: Illumination Wiring Diagram (4 Of 4)
G08914768Courtesy of © TOYOTA, LICENSE AGREEMENT TMS1002