LEMON Manuals: Even more car manuals for everyone: 1960-2025
Home >> Lexus >> 2006 >> RX 400h AWD >> Repair and Diagnosis >> Electrical >> Body Electrical >> OEM System Circuits >> Power Window >> Notes
April 5, 2026: LEMON Manuals is launched! Read the announcement.

Power Window: Notes

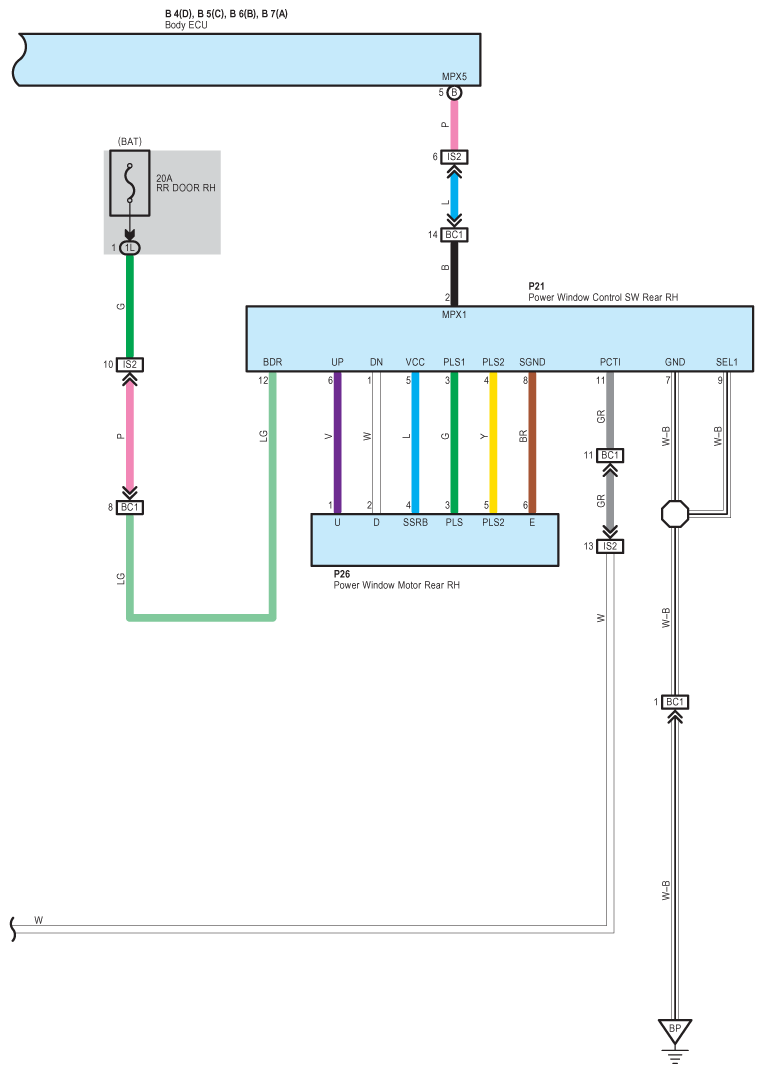
Fig 1: Power Window Wiring Diagram (1 Of 8)
G08914783Courtesy of © TOYOTA, LICENSE AGREEMENT TMS1002
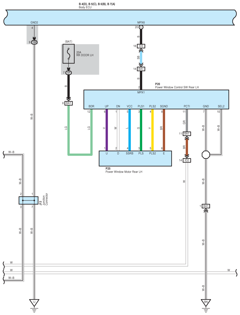
Fig 2: Power Window Wiring Diagram (2 Of 8)
G08914784Courtesy of © TOYOTA, LICENSE AGREEMENT TMS1002
Fig 3: Power Window Wiring Diagram (3 Of 8)
G08914785Courtesy of © TOYOTA, LICENSE AGREEMENT TMS1002
Fig 4: Power Window Wiring Diagram (4 Of 8)
G08914786Courtesy of © TOYOTA, LICENSE AGREEMENT TMS1002
Fig 5: Power Window Wiring Diagram (5 Of 8)
G08914787Courtesy of © TOYOTA, LICENSE AGREEMENT TMS1002
Fig 6: Power Window Wiring Diagram (6 Of 8)
G08914788Courtesy of © TOYOTA, LICENSE AGREEMENT TMS1002
Fig 7: Power Window Wiring Diagram (7 Of 8)
G08914789Courtesy of © TOYOTA, LICENSE AGREEMENT TMS1002
Fig 8: Power Window Wiring Diagram (8 Of 8)
G08914790Courtesy of © TOYOTA, LICENSE AGREEMENT TMS1002