LEMON Manuals: Even more car manuals for everyone: 1960-2025
Home >> Lexus >> 2006 >> RX 400h AWD >> Repair and Diagnosis >> Engine Performance >> Engine Control System (3MZ-FE) >> A/F Relay >> Inspection
April 5, 2026: LEMON Manuals is launched! Read the announcement.

A/F Relay: Inspection

  1. INSPECT A/F RELAY 
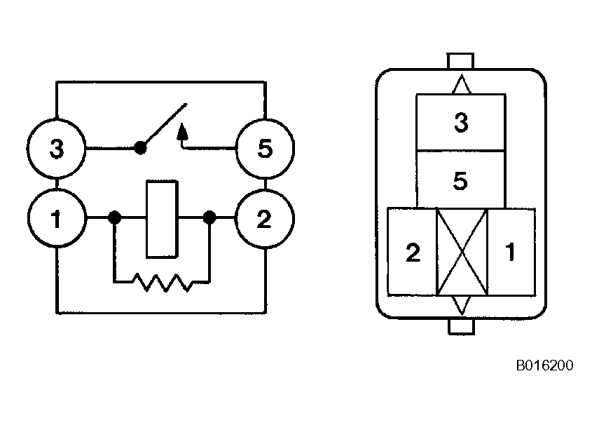
    1. Using an ohmmeter, measure the resistance according to the value(s) in the table below.

      Standard resistance 

      TESTER CONNECTION AND SPECIFIED CONDITION

      Tester Connection Specified Condition
      3 - 5 10 kΩ or higher
      3 - 5 Below 1 Ω (Apply battery voltage between terminals 1 and 2)
      Fig 1: Identifying Relay Test Terminals
      G04044792Courtesy of © TOYOTA, LICENSE AGREEMENT TMS1002

      If the result is not as specified, replace the relay.