LEMON Manuals: Even more car manuals for everyone: 1960-2025
Home >> Lexus >> 2006 >> RX 400h AWD >> Repair and Diagnosis >> Engine Performance >> Engine Control System (3MZ-FE) >> SFI System >> EVAP System >> Wiring Diagram
April 5, 2026: LEMON Manuals is launched! Read the announcement.

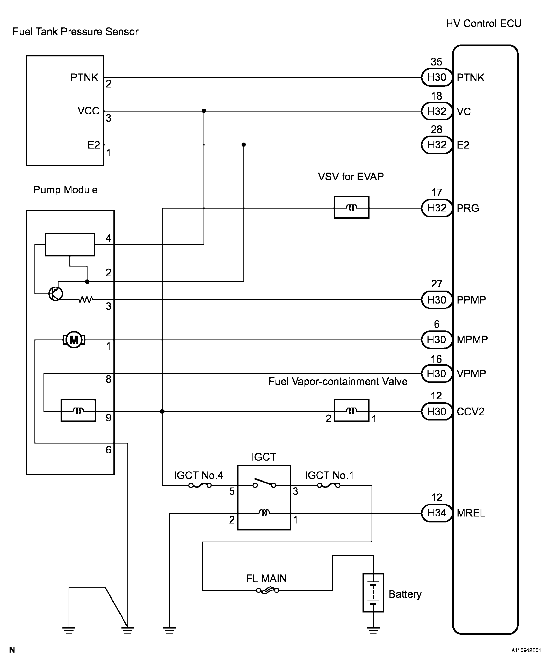
EVAP System: Wiring Diagram

Fig 1: Wiring Diagram - EVAP System
G04110804Courtesy of © TOYOTA, LICENSE AGREEMENT TMS1002
  1. CONFIRM DTC 
    1. Turn the ignition switch OFF and wait 10 seconds.
    2. Turn the ignition switch ON.
    3. Turn the ignition switch off and wait 10 seconds.
    4. Connect the intelligent tester to the DLC3.
    5. Turn the ignition switch ON and press the intelligent tester switch on.
    6. Enter the following menus: DIAGNOSIS/ ENHANCED OBD II/ DTC INFO/ CURRENT CODES.
    7. Confirm the DTCs and freeze frame data.

      EVAP Related DTCs 

      DTC CHART

      DTC No. Monitoring Item
      P043E 0.02 inch orifice low flow
      P043F 0.02 inch orifice high flow
      P0441
      • EVAP VSV close stuck
      • EVAP VSV open stuck
      • Insufficient purge flow
      P1420 0.02 inch leak from canister
      P1421 Gross leak from canister
      P1422 0.02 inch leak from fuel tank
      P1423 Gross leak from fuel tank
      P2401 Vacuum pump OFF stuck
      P2402 Vacuum pump ON stuck
      P2419 Vent valve ON (close) stuck
      P2420 Vent valve OFF (vent) stuck
      P2450 Fuel vapor-containment valve open stuck
      P2451 Fuel vapor-containment valve close stuck

      DTC and Malfunction Cross-Reference 

      MALFUNCTION CHART

      Malfunction Output DTC
      0.02 inch orifice low flow P043E P043F P2401 P2402 P2419
      0.02 inch orifice high flow P043E P043F P2401 P2402 P2419
      Vacuum pump OFF stuck P043E P043F P2401 P2402 P2419
      Vacuum pump ON stuck P043E P043F P2401 P2402 P2419
      Vent valve ON (closed) stuck P043E P043F P2401 P2402 P2419
      Vent valve OFF (vent) stuck P2420
      Insufficient purge flow P0441
      EVAP VSV open stuck P0441
      P1421
      EVAP VSV close stuck P0441
      0.02 inch leak from canister P1420
      Gross leak from canister P0441
      P1421
      0.02 inch leak from fuel tank P1422
      Gross leak from fuel tank P1423
      Fuel vapor-containment valve open stuck P1423
      P2450
      Fuel vapor-containment valve close stuck P2451
  2. PERFORM EVAP SYSTEM CHECK (AUTO OPERATION) 
    NOTE:
    • In the EVAP SYSTEM CHECK (AUTO OPERATION), a series of 6 EVAP SYSTEM CHECK steps are performed automatically. A maximum of 15 minutes is required.
    • Do not perform the EVAP SYSTEM CHECK when the fuel tank is more than 90 % full because the cut-off valve may be closed and the leak check of the fuel tank is unavailable.
    • Do not run the engine.
    • When the temperature of the fuel is 35°C (95°F) or more, a large amount of vapor forms and any check results become inaccurate. When performing an EVAP SYSTEM CHECK, keep the temperature below 35°C (95°F).
    1. Clear the DTC with the intelligent tester.
    2. Remove the fuel tank cap and reinstall the fuel cap.
    3. Enter the following menus: DIAGNOSIS/ ENHANCED OBDII/ SYSTEM CHECK/ EVAP SYS CHECK/ AUTO OPERATION.
    4. After the EVAP SYSTEM CHECK is completed, check for pending DTC. Enter the following menus: DIAGNOSIS/ ENHANCED OBDII/ DTC INFO/ PENDING DTC.

      Result 

      RESULT CHART

      DTC Conclusion Proceed to
      A pending DTC is set A malfunction occurs and troubleshooting can be performed A
      A pending DTC is not set No malfunctions occur and it is difficult to perform troubleshooting B
      A pending DTC is not set and any of the current DTCs (P1422, P1423, or P2450) is set DTCs can be set because the fuel cap is not tightened firmly C

    B: Go to step   34 

    C: END 

    A: Go to next 

  3. IDENTIFICATION OF TROUBLE AREAS USING DTC 
    1. Refer to the table RESULT CHART  below to determine the next procedure according to the output DTCs.

      Result: 

      RESULT CHART

      Malfunction Output DTC Proceed to
      0.02 inch orifice low flow P043E, P043F, P2401, P2402 and P2419 B
      0.02 inch orifice high flow P043E, P043F, P2401, P2402 and P2419 B
      Vacuum pump OFF stuck P043E, P043F, P2401, P2402 and P2419 B
      Vacuum pump ON stuck P043E, P043F, P2401, P2402 and P2419 B
      Vent valve ON (closed) stuck P043E, P043F, P2401, P2402 and P2419 B
      Vent valve OFF (vent) stuck P2420 C
      Insufficient purge flow P0441 A
      EVAP VSV open stuck P0441 and P1421 A
      EVAP VSV close stuck P0441 A
      0.02 inch leak from canister P1420 D
      Gross leak from canister P0441 and P1421 A
      0.02 inch leak from fuel tank P1422 A
      Gross leak from fuel tank P1423 A
      Fuel vapor-containment valve open stuck P1423 and P2450 A
      Fuel vapor-containment valve close stuck P2451 A

    B: Go to step   11 

    C: Go to step   15 

    D: Go to step   6 

    A: Go to next 

  4. IDENTIFICATION OF TROUBLE AREAS USING DTC 
    1. Refer to the table RESULT CHART  below to determine the next procedure according to the output DTCs.

      Result: 

      RESULT CHART

      Malfunction Output DTC Proceed to
      Insufficient purge flow P0441 A
      EVAP VSV open stuck P0441, P1421 B
      EVAP VSV close stuck P0441 A
      Gross leak from canister P0441, P1421 B
      0.02 inch leak from fuel tank P1422 C
      Gross leak from fuel tank P1423 C
      Fuel vapor-containment valve open stuck P1423, P2450 C
      Fuel vapor-containment valve close stuck P2451 D

    B: Go to step   15 

    C: Go to step   21 

    D: Go to step   23 

    A: Go to next 

  5. CHECK VACUUM HOSE (EVAP VSV - THROTTLE BODY) 
    1. Disconnect the hose (to throttle body) from the EVAP VSV.
    2. Start the engine.
    3. Use your finger and confirm that the EVAP VSV has suction.
      Fig 2: Identifying Hose From EVAP VSV
      G04110805Courtesy of © TOYOTA, LICENSE AGREEMENT TMS1002

      Result 

      RESULT CHART

      Result Proceed to
      There is suction. Conclusion: EVAP hose between EVAP VSV and throttle body is normal. OK
      There is no suction. Conclusion: Problem in throttle body or hose between EVAP VSV and throttle body NG

    NG: Go to step   33 

    OK: GO TO NEXT STEP 

  6. PERFORM ACTIVE TEST BY INTELLIGENT TESTER (EVAP VSV) 
    1. Disconnect the hose (to canister) from the EVAP VSV.
    2. Start the engine.
    3. Enter the following menus on the intelligent tester.: ACTIVE TEST/ EVAP VSV (ALONE)
    4. Turn the EVAP VSV OFF (EVAP VSV: OFF).
    5. Use your finger and confirm that the EVAP VSV has no suction.
    6. Turn the EVAP VSV ON (EVAP VSV: ON).
    7. Turn the EVAP VSV ON (EVAP VSV: ON).

      OK: 

      EVAP VSV functions normally 

      Fig 3: Identifying EVAP VSV ON And OFF Position
      G04110806Courtesy of © TOYOTA, LICENSE AGREEMENT TMS1002

    OK: Go to step   19 

    NG: GO TO NEXT STEP 

  7. CHECK EVAP VSV 
    1. Remove the EVAP VSV.
    2. Apply compressed air to the EVAP VSV, confirm that no air flows from A to B as shown in the illustration.
    3. Apply battery voltage to the EVAP VSV.
    4. While applying compressed air, confirm that air flows from A to B as shown in the illustration.
      Fig 4: Applying Battery Voltage To EVAP VSV
      G04110807Courtesy of © TOYOTA, LICENSE AGREEMENT TMS1002

      Result 

      RESULT CHART

      Result Proceed to
      Air flows from A to B. Conclusion: EVAP VSV is normal. OK
      No air flows from A to B. Conclusion: EVAP VSV is malfunctioning. NG

    NG: Go to step   27 

    OK: GO TO NEXT STEP 

  8. CHECK HARNESS AND CONNECTOR (EVAP VSV - IGCT NO.4 FUSE) 
    1. Disconnect the V3 EVAP VSV connector.
    2. Turn the ignition switch ON.
    3. Measure the voltage between terminal 1 of the V3 connector and the body ground.

      Result 

      Fig 5: Identifying V3 EVAP VSV Connector
      G04110808Courtesy of © TOYOTA, LICENSE AGREEMENT TMS1002
      RESULT CHART

      Result Proceed to
      11 to 14 V Conclusion: No problem exists on power source's wires. OK
      Except above Conclusion: Problem in wire or connector between EVAP VSV and ECM. NG

    NG: Go to step   32 

    OK: GO TO NEXT STEP 

  9. CHECK HARNESS AND CONNECTOR (EVAP VSV - HV CONTROL ECU) 
    1. Disconnect the H32 HV Control ECU connector and the V3 EVAP VSV connector.
    2. Measure the resistance according to the value(s) in the table below.

      Standard resistance 

      TESTER CONNECTION SPECIFIED CONDITION CHART

      Tester Connection Specified Condition
      H32-17 (PRG) - V3-2 10 Ωor less
      H32-17 (PRG) - Body ground 10 kΩ or more
      V3-2 - Body ground 10 kΩ or more

    NG: Go to step   32 

    Fig 6: Identifying H32 HV Control ECU Connector
    G04110809Courtesy of © TOYOTA, LICENSE AGREEMENT TMS1002

    OK: GO TO NEXT STEP 

  10. REPLACE HV CONTROL ECU 

    NEXT: PERFORM EVAP SYSTEM CHECK AGAIN (AUTO OPERATION) 

  11. CHECK PUMP MODULE (VACUUM PUMP POWER SOURCE CIRCUIT) 
    1. Turn the ignition switch off.
    2. Remove the canister lower cover.
    3. Disconnect the L5 canister connector.
    4. Connect the intelligent tester to DLC3.
    5. Turn the ignition switch ON.
    6. Enter the following menus: ACTIVE TEST/ VACUUM PUMP (ALONE).
    7. Turn the vacuum pump on with the tester.
    8. Measure the voltage between terminals 1 and 6 of the L5 connector.

      Standard voltage: 

      10 to 14 V 

    NG: Go to step   15 

    Fig 7: Identifying L5 Canister Connector
    G04110810Courtesy of © TOYOTA, LICENSE AGREEMENT TMS1002

    OK: GO TO NEXT STEP 

  12. CHECK HARNESS AND CONNECTOR (VACUUM PUMP - BODY GROUND) 
    1. Turn the ignition switch off.
    2. Measure the resistance between terminal C17-6 and the body ground.

      Standard resistance: 

      Below 10 Ω 

    NG: Go to step   32 

    Fig 8: Identifying L5 Canister Connector
    G04110811Courtesy of © TOYOTA, LICENSE AGREEMENT TMS1002

    OK: GO TO NEXT STEP 

  13. CHECK HARNESS AND CONNECTOR (VACUUM PUMP - HV CONTROL ECU) 
    1. Disconnect the H30 connector.
    2. Measure the resistance according to the value(s) in the table below.

      Standard resistance 

      TESTER CONNECTION SPECIFIED CONDITION CHART

      Tester Connection Specified Condition
      H30-6 (MPMP) - L5-1 10 Ωor less
      H30-6 (MPMP) or L5-1 - Body ground 10 kΩ or more

    NG: Go to step   32 

    Fig 9: Identifying H30 Connector
    G04110812Courtesy of © TOYOTA, LICENSE AGREEMENT TMS1002

    OK: GO TO NEXT STEP 

  14. REPLACE HV CONTROL ECU 

    NEXT: PERFORM EVAP SYSTEM CHECK AGAIN (AUTO OPERATION) 

  15. CHECK PUMP MODULE (VENT VALVE POWER SOURCE CIRCUIT) 
    1. Turn the ignition switch off.
    2. Remove the canister lower cover.
    3. Disconnect the L5 canister connector.
    4. Connect the intelligent tester to DLC3.
    5. Turn the ignition switch ON.
    6. Enter the following menus: ACTIVE TEST/ VACUUM PUMP (ALONE).
    7. Turn the vacuum pump on with the tester.
    8. Measure the voltage between terminals 8 and 9 of the L5 connector and the body ground.

      Standard voltage: 

      10 to 14 V 

    OK: Go to step   28 

    Fig 10: Identifying L5 Canister Connector
    G04110813Courtesy of © TOYOTA, LICENSE AGREEMENT TMS1002

    NG: GO TO NEXT STEP 

  16. CHECK HARNESS AND CONNECTOR (VENT VALVE - BODY GROUND) 
    1. Turn the ignition switch off.
    2. Measure the resistance between terminal L5-9 and the body ground.

      Standard resistance: 

      Below 10 Ω 

    NG: Go to step   32 

    Fig 11: Identifying L5 Canister Connector
    G04110814Courtesy of © TOYOTA, LICENSE AGREEMENT TMS1002

    OK: GO TO NEXT STEP 

  17. CHECK HARNESS AND CONNECTOR (VENT VALVE - HV CONTROL ECU) 
    1. Disconnect the H30 connector.
    2. Measure the resistance according to the value(s) in the table below.

      Standard resistance 

      TESTER CONNECTION SPECIFIED CONDITION CHART

      Tester Connection Specified Condition
      H30-16 (VPMP) - L5-8 10 Ωor less
      H30-16 (VPMP) or L5-8 - Body ground 10 kΩ or more

    NG: Go to step   32 

    Fig 12: Identifying H30 Connector
    G04110815Courtesy of © TOYOTA, LICENSE AGREEMENT TMS1002

    OK: GO TO NEXT STEP 

  18. REPLACE HV CONTROL ECU 
  19. CHECK PURGE LINE (EVAP VSV - CANISTER) 
    1. Remove the canister cover.
    2. Pinch the atmospheric side hose of the pump module with the clip (SST) to close the canister's passage to air.
    3. Connect the pressure gauge (SST) to the service port (green cap near the air cleaner box).
    4. Pressurize the EVAP system to between 24 and 28 mmHg.
      NOTE: More than 35 mmHg of pressure will damage the EVAP system. Pay attention to the pressure.
    5. Apply soapy water to the piping and connecting parts of the EVAP system. Look for the area where bubbles appear.

      HINT:

      • If the system has leaks, a whistling sound will be heard.
      • Disconnect the hose between the canister and fuel tank from the canister. Close the canister on the area where the hose was connected and perform an inspection. The fuel tank can be eliminated from the suspected areas for leak checks.
        Fig 13: Identifying Pressure Gauge (SST) To Service Port
        G04110816Courtesy of © TOYOTA, LICENSE AGREEMENT TMS1002
  20. REPLACE MALFUNCTIONING PART 

    NEXT: PERFORM EVAP SYSTEM CHECK AGAIN (AUTO OPERATION) 

  21. CHECK FUEL TANK CAP ASSEMBLY 
    1. Check if the fuel cap is tightened until a few "click" sounds are heard.
    2. If you have the EVAP tester, check the fuel cap using the fuel cap adaptor.
      1. Install the fuel cap to the fuel cap adaptor, and connect the hose from the EVAP tester's pump.
      2. Pressurize the fuel cap adaptor to between 24 and 28 mmHg or for 45 seconds.
      3. Stop the pump and seal the fuel cap adaptor.
      4. Wait 2 minutes.
      5. Confirm that the pressure is higher than 15 mmHg.

        OK: 

        Higher than 15 mmHg 

    NG: Go to step   31 

    OK: GO TO NEXT STEP 

  22. CHECK HOSES (FUEL VAPOR-CONTAINMENT VALVE - FUEL TANK) 
    1. Remove the canister cover.
    2. Pinch the atmospheric side hose of the pump module with the clip (SST) to close the canister's passage to air.
    3. Connect the pressure gauge (SST) to the service port (green cap near the air cleaner box).
    4. Connect the intelligent tester to the DLC3.
    5. Turn the ignition switch ON.
    6. Enter the following menus: ACTIVE TEST / FVCV.
    7. Turn the fuel vapor-containment valve ON with the tester.
    8. Pressurize the EVAP system to between 24 and 28 mmHg.
      NOTE: More than 35 mmHg of pressure will damage the EVAP system. Pay attention to the pressure.
    9. Apply soapy water to the piping and connecting parts of the EVAP system. Look for the area where bubbles appear.

      HINT:

      • If the system has leaks, a whistling sound will be heard.
      • Disconnect the hose between the canister and fuel tank from the canister. Close the canister on the area where the hose was connected and perform an inspection. The fuel tank can be eliminated from the suspected areas for leak checks.
        Fig 14: Identifying Pressure Gauge (SST) To Service Port
        G04110817Courtesy of © TOYOTA, LICENSE AGREEMENT TMS1002
  23. CHECK FUEL VAPOR-CONTAINMENT VALVE ASSEMBLY (POWER SOURCE CIRCUIT) 
    1. Turn the ignition switch off.
    2. Disconnect the BL1 wire harness to wire harness connector.
    3. Connect the intelligent tester to the DLC3.
    4. Turn the ignition switch ON.
    5. Enter the following menus: ACTIVE TEST / TANK CLS VALVE.
    6. Turn the fuel vapor-containment valve ON with the tester.
    7. Measure the voltage between terminals 3 and 7 of the BL1 connector.

      Standard voltage: 

      10 to 14 V 

      Fig 15: Identifying BL1 Wire Harness To Wire Harness Connector
      G04110818Courtesy of © TOYOTA, LICENSE AGREEMENT TMS1002

    OK: Go to step   29 

    NG: GO TO NEXT STEP 

  24. CHECK HARNESS AND CONNECTOR (TANK CLOSE VALVE - IGCT NO.4 FUSE) 
    1. Turn the ignition switch ON.
    2. Measure the voltage between terminal BL1-3 and the body ground.

      Standard voltage: 

      10 to 14 V 

      Fig 16: Measuring Voltage Between Terminal BL1-3 And Body Ground
      G04110819Courtesy of © TOYOTA, LICENSE AGREEMENT TMS1002

    NG: Go to step   32 

    OK: GO TO NEXT STEP 

  25. CHECK HARNESS AND CONNECTOR (TANK CLOSE VALVE - HV CONTROL ECU) 
    1. Disconnect the H30 HV Control ECU connector.
    2. Measure the resistance according to the value(s) in the table below.

      Standard resistance 

      TESTER CONNECTION SPECIFIED CONDITION CHART

      Tester Connection Specified Condition
      H30-12 (CCV2) - BL1-3 10 Ω or less
      H30-12 (CCV2) or BL1-3 - Body ground 10 kΩ or more

    NG: Go to step   32 

    Fig 17: Identifying H30 HV Control ECU Connector
    G04110820Courtesy of © TOYOTA, LICENSE AGREEMENT TMS1002

    OK: GO TO NEXT STEP 

  26. REPLACE HV CONTROL ECU 

    NEXT: PERFORM EVAP SYSTEM CHECK AGAIN (AUTO OPERATION) 

  27. REPLACE EVAP VSV 

    NEXT: PERFORM EVAP SYSTEM CHECK AGAIN (AUTO OPERATION) 

  28. REPLACE CANISTER ASSEMBLY 

    NEXT: PERFORM EVAP SYSTEM CHECK AGAIN (AUTO OPERATION) 

  29. CHECK HARNESS AND CONNECTOR (TANK WIRE HARNESS) 
    1. Remove the fuel tank assembly. (See REMOVAL )
    2. Disconnect the fuel vapor-containment valve connector.
    3. Measure the resistance according to the value(s) in the table below.

      Standard resistance 

      TESTER CONNECTION SPECIFIED CONDITION CHART

      Tester Connection Specified Condition
      BL1-3 - V14-1 Below 1 Ω
      BL1-7 - V14-2 Below 1 Ω
    4. Reinstall fuel tank assembly. (See INSTALLATION )

    NG: Go to step   32 

    Fig 18: Identifying Fuel Vapor-Containment Valve Connector
    G04110821Courtesy of © TOYOTA, LICENSE AGREEMENT TMS1002

    OK: GO TO NEXT STEP 

  30. REPLACE FUEL VAPOR-CONTAINMENT VALVE 

    NEXT: PERFORM EVAP SYSTEM CHECK AGAIN (AUTO OPERATION) 

  31. REPLACE FUEL TANK CAP ASSY 

    NEXT: PERFORM EVAP SYSTEM CHECK AGAIN (AUTO OPERATION) 

  32. REPAIR OR REPLACE HARNESS AND CONNECTOR 

    NEXT: PERFORM EVAP SYSTEM CHECK AGAIN (AUTO OPERATION) 

  33. REPAIR OR REPLACE VACUUM HOSE (EVAP VSV - THROTTLE BODY) 

    NEXT: PERFORM EVAP SYSTEM CHECK AGAIN (AUTO OPERATION) 

  34. PERFORM EVAP SYSTEM CHECK (MANUAL OPERATION) 

    HINT:

    In the manual operation check, the EVAP system can be checked in signal steps. Valve operation and pressure in each step can also be checked.

    1. Clear DTCs (See DTC CHECK / CLEAR  ).
    2. Remove the fuel tank cap and reinstall the fuel cap.
    3. Select the following menu items: DIAGNOSIS / ENHANCED OBD II / SYSTEM CHECK / EVAP SYS CHECK / MANUAL OPERATION.
      NOTE:
      • In the EVAP SYSTEM CHECK (AUTO OPERATION), the series of 9 EVAP SYSTEM CHECK steps is performed automatically. It takes a maximum of approximately 18 minutes.
      • Do not perform the EVAP SYSTEM CHECK when the fuel tank is more than 90 % full because the cut-off valve may be closed, making the leak check of the fuel tank unavailable.
      • Do not run the engine in this step.
      • When the temperature of the fuel is 35°C (95°F) or more, a large amount of vapor forms and any check results become inaccurate. When performing the EVAP SYSTEM CHECK, keep the temperature below 35°C (95°F).

      Tester Display 

      Fig 19: Identifying EVAP SYSTEM CHECK Step
      G04110822Courtesy of © TOYOTA, LICENSE AGREEMENT TMS1002
      TESTER DISPLAY

      Display Details
      Atmosphere Press Check The number of steps and step names are displayed
      Purge VSV Purge VSV condition is displayed: ON (Open)/ OFF (Closed)
      VENT VALVE Vent valve condition is displayed: ON (Closed)/ OFF (Vent)
      VACUUM PUMP Vacuum pump condition is displayed: ON/ OFF
      FVCV Fuel vapor-containment valve condition is displayed: ON (Open)/ OFF (Closed)
      TANK PRESS Fuel tank pressure (Gauge pressure)
      VAPOR PRESS EVAP pressure (Gauge pressure)
      VAPOR PRESS EVAP pressure (Absolute pressure)
      Time (Step) Elapsed time for each step
      Time (VSV) Accumulated purge VSV open time
      Time (PUMP) Accumulated vacuum pump operating time

      Manual Operation Step 

      MANUAL OPERATION STEP

      Step Operations
      1. Arm Press Check 1 Atmospheric pressure measurement
      2. Ref Press Check 1 First 0.02 inch leak pressure measurement
      3. Leak Check EVAP system pressure measurement
      4. Purge VSV Check EVAP VSV monitor
      5. Ref Press Check 2 Second 0.02 inch leak pressure measurement
      6. Resetting Resetting
      7. Tank Leak Check Fuel tank pressure measurement
      8. Ref Press Check 3 Third 0.02 inch leak pressure measurement
      Fig 20: EVAP Pressure And Valve Operation Timing Chart
      G04110823Courtesy of © TOYOTA, LICENSE AGREEMENT TMS1002
  35. PERFORM EVAP SYSTEM CHECK (MANUAL OPERATION STEP 1) 
    1. Select the step 1 and wait 10 seconds.
  36. PERFORM EVAP SYSTEM CHECK (MANUAL OPERATION STEP 2) 
    1. Perform the step  2.
    2. Check the EVAP pressure 2 seconds after the vacuum pump is activated*.

      *: The vacuum pump begins to operate at the start of step  2.

      Fig 21: Vacuum Pump Is Activated Timing Chart
      G04110824Courtesy of © TOYOTA, LICENSE AGREEMENT TMS1002
    3. Check the EVAP pressure again when it has stabilized. This pressure is the first reference pressure standard.
      Fig 22: Stabilized Timing Chart
      G04110825Courtesy of © TOYOTA, LICENSE AGREEMENT TMS1002

      Result 

      RESULT REFERENCE

      Test Results Suspected Trouble Areas Proceed to
      EVAP pressure in step (b) is between -4.85 kPa and -1.06 kPa (-36.38 mmHg and -7.95 mmHg) Not yet determined A
      EVAP pressure in step (b) is -1.06 kPa (- 7.95 mmHg) or more
      • 0.02 inch orifice high-flow
      • Vacuum pump stuck OFF
      B
      EVAP pressure in step (b) is below -4.85 kPa (-36.38 mmHg) 0.02 inch orifice clogged C

    B: Go to step   11 

    C: Go to step   28 

    A: Go to next 

  37. PERFORM EVAP SYSTEM CHECK (MANUAL OPERATION STEP 3) 
    1. Perform the step  3.
    2. Check the EVAP pressure change in step  3.
      Fig 23: EVAP Pressure Change Timing Chart
      G04110826Courtesy of © TOYOTA, LICENSE AGREEMENT TMS1002

      Result 

      RESULT REFERENCE

      Test Results Suspected Trouble Areas Proceed to
      EVAP pressure change in step (b) is 0.3 kPa (2.25 mmHg) or more Not yet determined A
      EVAP pressure in step (b) is below 0.3 kPa (2.25 mmHg) Vent valve OFF stuck B
    3. Check the fuel tank pressure change in step  3.
      Fig 24: Fuel Tank Pressure Change Timing Chart
      G04110827Courtesy of © TOYOTA, LICENSE AGREEMENT TMS1002

      Result 

      RESULT REFERENCE

      Test Results Suspected Trouble Areas Proceed to
      Fuel tank pressure in step (b) is below 0.5 kPa (3.75 mmHg) Not yet determined A
      Fuel tank pressure change in step (b) is 0.5 kPa (3.75 mmHg) or more Fuel vapor-containment valve ON (open) stuck C
    4. Check the EVAP pressure again when it has stabilized. This pressure is the canister leak pressure standard.
    5. Compare the first reference pressure with the canister leak pressure.
      Fig 25: Pressure With Canister Leak Pressure Timing Chart
      G04110828Courtesy of © TOYOTA, LICENSE AGREEMENT TMS1002

      Result 

      RESULT REFERENCE

      Test Results Suspected Trouble Areas Proceed to
      Lower than first reference pressure Not yet determined A
      First reference pressure or higher
      • EVAP VSV open stuck
      • Leakage from line between EVAP VSV and canister
      D

    B: Go to step   15 

    C: Go to step   23 

    D: Go to step   6 

    A: Go to next 

  38. PERFORM EVAP SYSTEM CHECK (MANUAL OPERATION STEP 4) 
    1. Perform the step  4.
    2. Check the EVAP pressure change in step  3.
      Fig 26: EVAP Pressure Change Timing Chart
      G04110829Courtesy of © TOYOTA, LICENSE AGREEMENT TMS1002

      Result 

      RESULT REFERENCE

      Test Results Suspected Trouble Areas Proceed to
      EVAP pressure change in step (b) is 0.3 kPa (2.25 mmHg) or more Not yet determined A
      EVAP pressure in step (b) is below 0.3 kPa (2.25 mmHg) Vent valve OFF stuck B

    B: Go to step   5 

    A: Go to next 

  39. PERFORM EVAP SYSTEM CHECK (MANUAL OPERATION STEP 5) 
    1. Perform the step  5 and wait 60 seconds.
    2. Check the EVAP pressure. This pressure is the second reference pressure standard.
  40. PERFORM EVAP SYSTEM CHECK (MANUAL OPERATION STEP 6) 
    1. Perform the step  6 and wait 5 seconds.
  41. PERFORM EVAP SYSTEM CHECK (MANUAL OPERATION STEP 7) 
    1. Perform the step  7.
    2. Check that the tank pressure and EVAP pressure change.
    3. Check the tank pressure again when it has stabilized. This pressure is the fuel tank leak pressure standard.
      Fig 27: Stabilized Timing Chart
      G04110830Courtesy of © TOYOTA, LICENSE AGREEMENT TMS1002

      Result 

      RESULT REFERENCE

      Test Results Suspected Trouble Areas Proceed to
      Tank pressure change is more than 0.9 kPa (7 mmHg) and EVAP pressure is more than -1.0 kPa (-7 mmHg) Not yet determined A
      Tank pressure change is less than 0.9 kPa (7 mmHg) and EVAP pressure is less than - 1.0 kPa (-7 mmHg) Tank close valve OFF (close) stuck B

    B: Go to step   23 

    A: Go to next 

  42. PERFORM EVAP SYSTEM CHECK (MANUAL OPERATION STEP 8) 
    1. Perform the step  8 and wait 60 seconds.
    2. Check the EVAP pressure. This pressure is the third reference pressure standard.
    3. Compare the tank pressure checked in step  41 with the third reference pressure.
      Fig 28: Tank Pressure Checked Timing Chart
      G04110831Courtesy of © TOYOTA, LICENSE AGREEMENT TMS1002

      Result 

      RESULT REFERENCE

      Test Results Suspected Trouble Areas Proceed to
      Lower than third reference pressure Not yet determined A
      Third reference pressure or higher Leakage from line between tank close valve and fuel tank B

    B: Go to step   30 

    A: Go to next 

  43. PERFORM CONFIRMATION DRIVING PATTERN 
    1. KEY-OFF MONITOR DRIVE PATTERN
      1. Connect the intelligent tester to the DLC3.
      2. Confirm the following conditions are satisfied:
        • The fuel level is less than 90 %.
        • The altitude is less than 8,000 ft. (2,400 m).
        • The vehicle is stopped (the vehicle speed is less than 2 mph).
        • The ECT is 4.4 to 35°C (40 to 95°F)
        • The IAT is 4.4 to 35°C (40 to 95°F)
      3. Perform the drive pattern:
        1. Allow the engine to idle for 5 minutes or more.
        2. Turn the ignition switch off and wait 6 hours.
      4. Check the monitor status with the intelligent tester.
    2. PURGE FLOW MONITOR DRIVE PATTERN (P0441)
      1. Connect the intelligent tester to the DLC3.
      2. Confirm that the following conditions are satisfied:
        • The Engine Coolant Temperature (ECT) is more than 4.4°C (40°F).
        • The Intake Air Temperature (IAT) is more than 4.4°C (40°F).
      3. Perform the drive pattern:
        1. Remove and reinstall the fuel cap to release the fuel tank pressure.
        2. Warm up the engine until the ECT reaches 75°C (167°F) or more.
        3. Run the engine at 3,000 RPM once.
        4. Allow the engine to idle and turn on the air conditioning (A/C) for 1 minute.
      4. Check the monitor status with the intelligent tester.

    NEXT: PERFORM EVAP SYSTEM CHECK AGAIN (AUTO OPERATION)