LEMON Manuals: Even more car manuals for everyone: 1960-2025
Home >> Lexus >> 2006 >> RX 400h FWD >> Repair and Diagnosis >> Electrical >> Body Electrical >> OEM System Circuits >> Front Window Deicer >> Notes
April 5, 2026: LEMON Manuals is launched! Read the announcement.

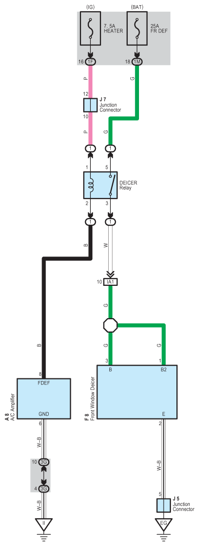
Front Window Deicer: Notes

Fig 1: Front Window Deicer Wiring Diagram
G08914856Courtesy of © TOYOTA, LICENSE AGREEMENT TMS1002