LEMON Manuals: Even more car manuals for everyone: 1960-2025
Home >> Lexus >> 2006 >> RX 400h FWD >> Repair and Diagnosis >> Electrical >> Body Electrical >> OEM System Circuits >> Headlight >> Notes
April 5, 2026: LEMON Manuals is launched! Read the announcement.

OEM System Circuits: Headlight: Notes

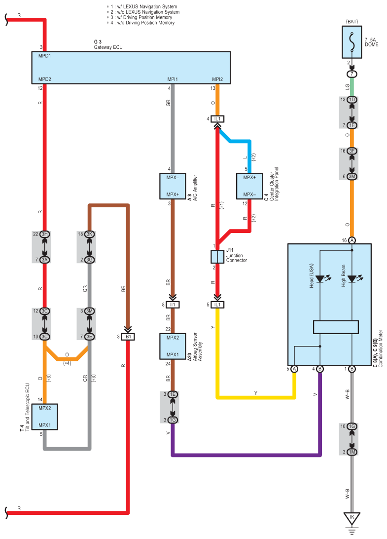
Fig 1: Headlight Wiring Diagram (1 Of 3)
G08914750Courtesy of © TOYOTA, LICENSE AGREEMENT TMS1002
Fig 2: Headlight Wiring Diagram (2 Of 3)
G08914751Courtesy of © TOYOTA, LICENSE AGREEMENT TMS1002
Fig 3: Headlight Wiring Diagram (3 Of 3)
G08914752Courtesy of © TOYOTA, LICENSE AGREEMENT TMS1002